GM Service Manual Online
For 1990-2009 cars only
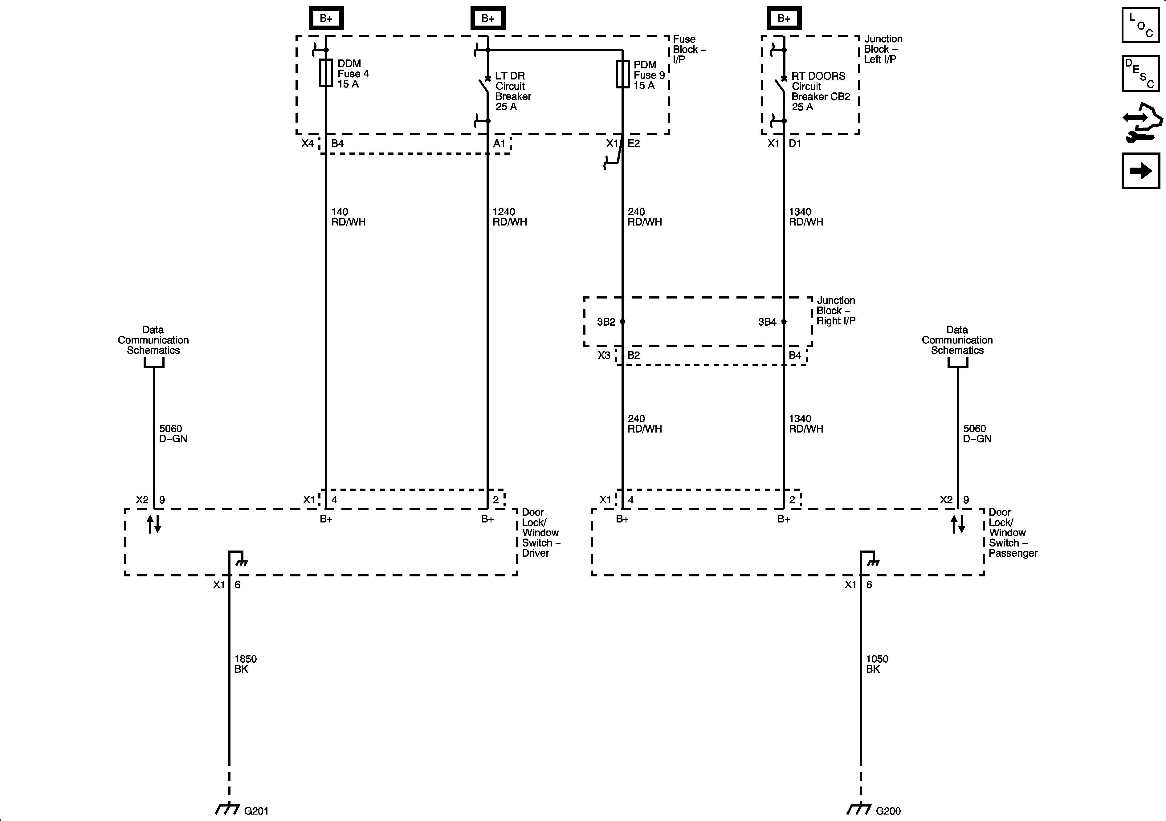
Figure 1:

Power, Ground and Serial Data


Object Number: 1915060  Size: FS
Master Electrical Component List
Power Door Locks Description and Operation
Control Module References
Door Lock, Window and Lighting System References
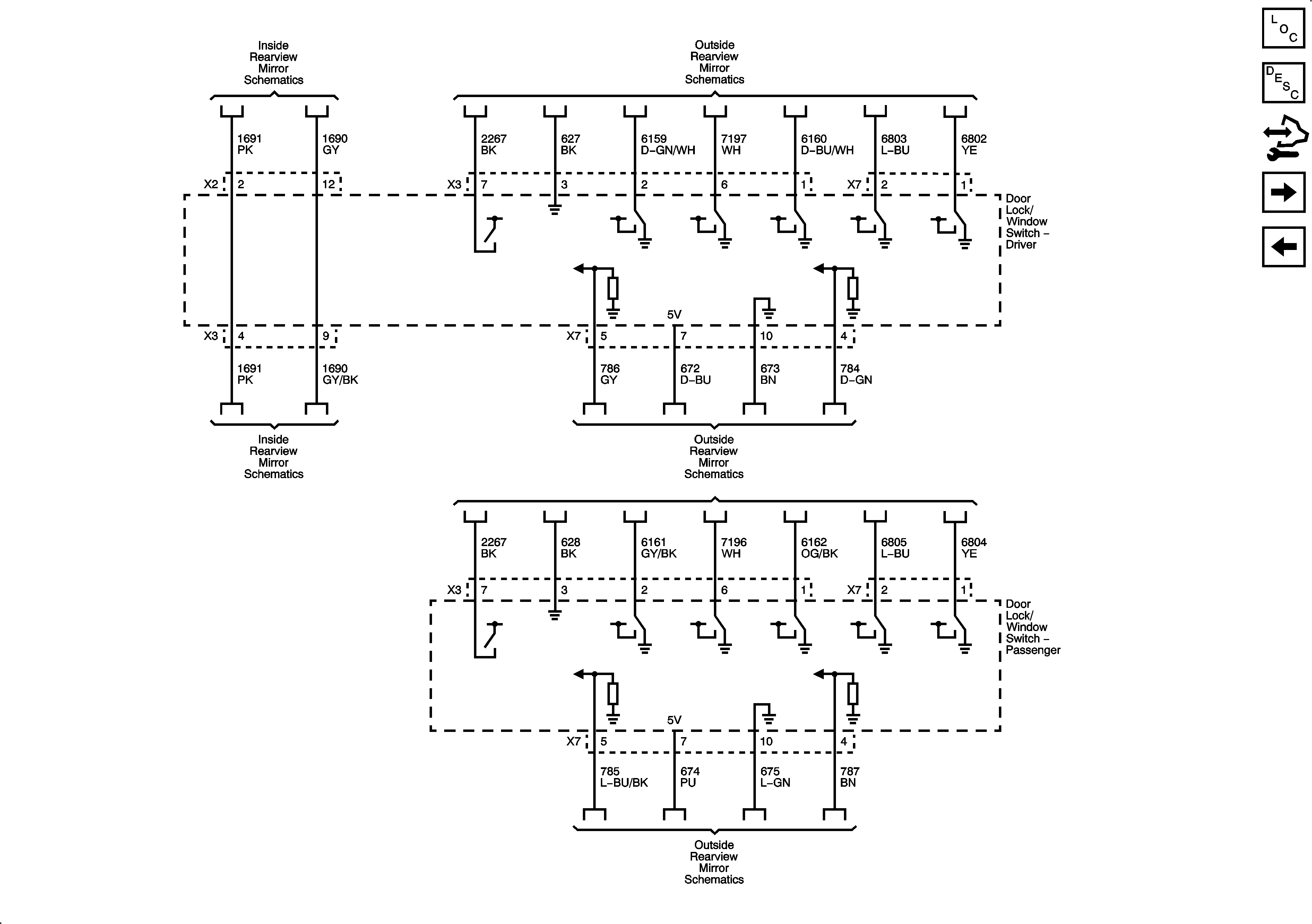
Figure 2:

Door Lock, Window and Lighting System References


Object Number: 1915066  Size: FS
Master Electrical Component List
Power Door Locks Description and Operation
Control Module References
Outside Rearview Mirror References
Power, Ground and Serial Data
Figure 3:

Outside Rearview Mirror References


Object Number: 1915069  Size: FS
Master Electrical Component List
Power Door Locks Description and Operation
Control Module References
Heated Seat References
Door Lock, Window and Lighting System References
Figure 4:

Heated Seat References


Object Number: 1915075  Size: FS
Master Electrical Component List
Power Door Locks Description and Operation
Control Module References
Outside Rearview Mirror References