GM Service Manual Online
For 1990-2009 cars only
Makes
🢒
Chevrolet
🢒
2008
🢒
Silverado - 4WD
🢒
Safety and Security
🢒
Theft Deterrent
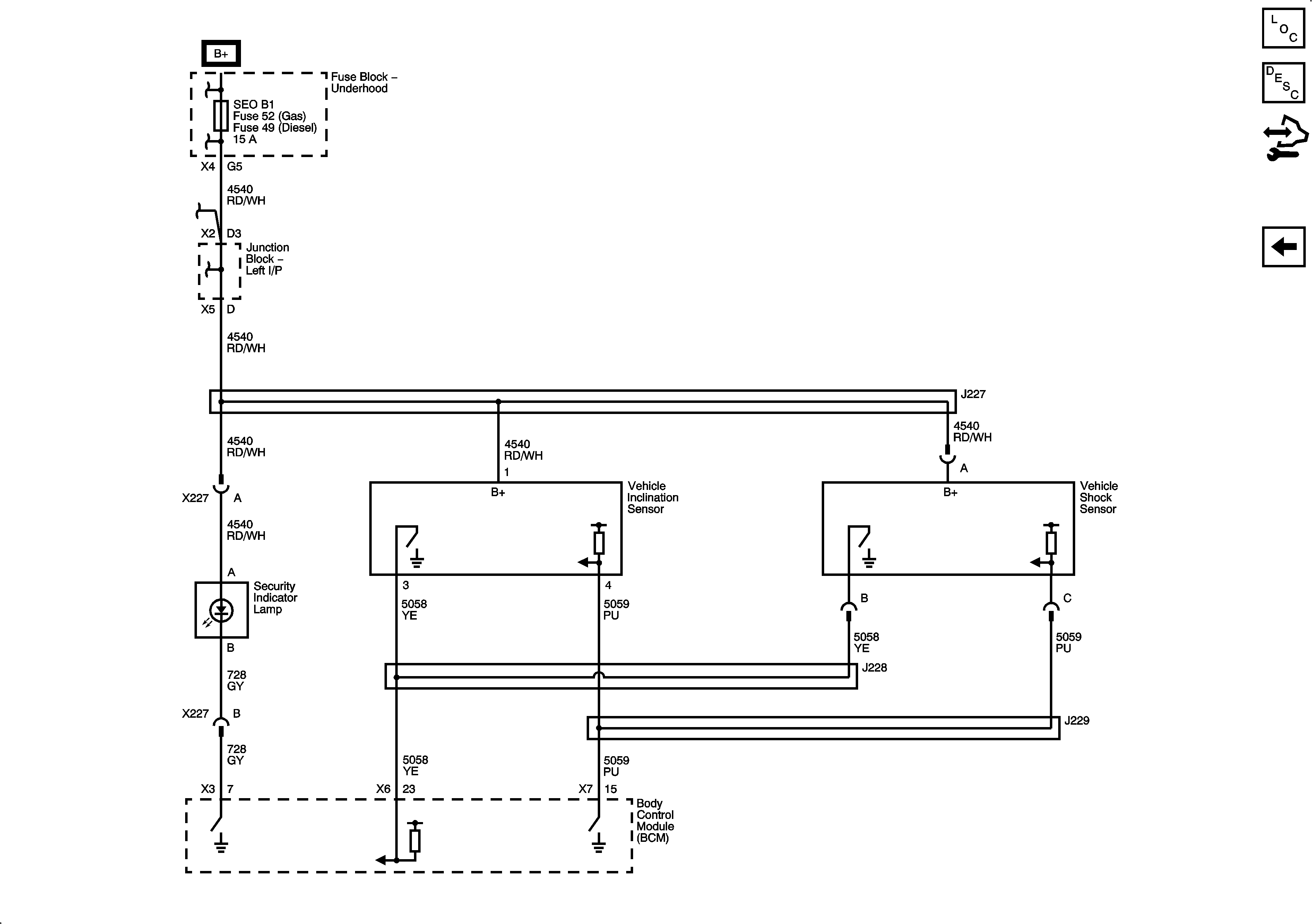
🢒 Theft Deterrent System Schematics
Figure
1:
Content Theft Deterrent
Master Electrical Component List
Content Theft Deterrent (CTD) Description and Operation
Control Module References
SPO Theft
Figure
2:
SPO Theft
Master Electrical Component List
Content Theft Deterrent (CTD) Description and Operation
Control Module References
Content Theft Deterrent