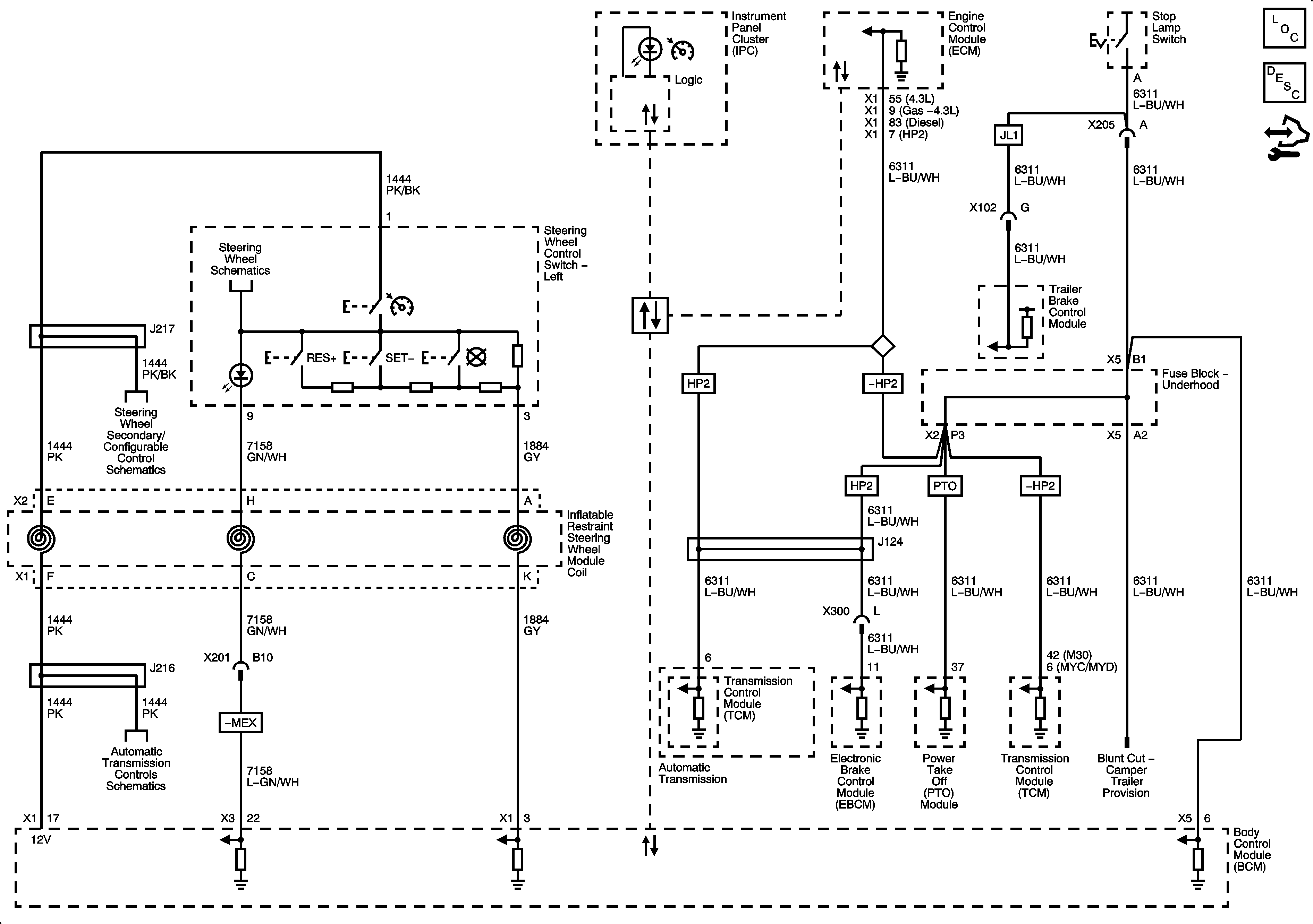
GM Service Manual Online
For 1990-2009 cars only
Makes
🢒
Chevrolet
🢒
2009
🢒
Silverado - 4WD
🢒
Engine
🢒
Cruise Control
🢒 Cruise Control Schematics