GM Service Manual Online
For 1990-2009 cars only
Makes
🢒
Chevrolet
🢒
2009
🢒
Silverado - 4WD
🢒
Driver Information and Entertainment
🢒
Cellular, Entertainment, and Navigation
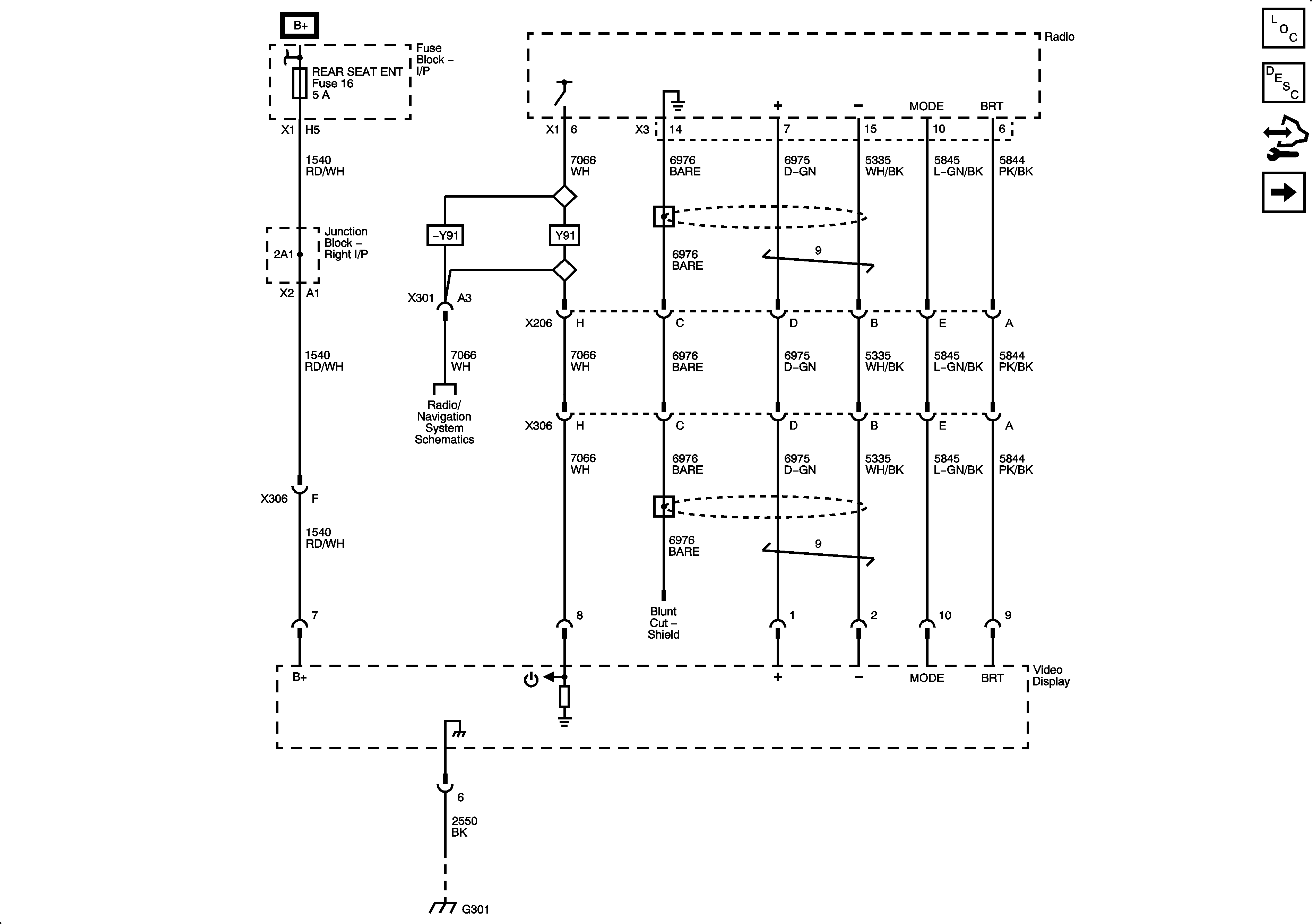
🢒 Video System Schematics
Figure
1:
Display Power, Ground and Video Signals
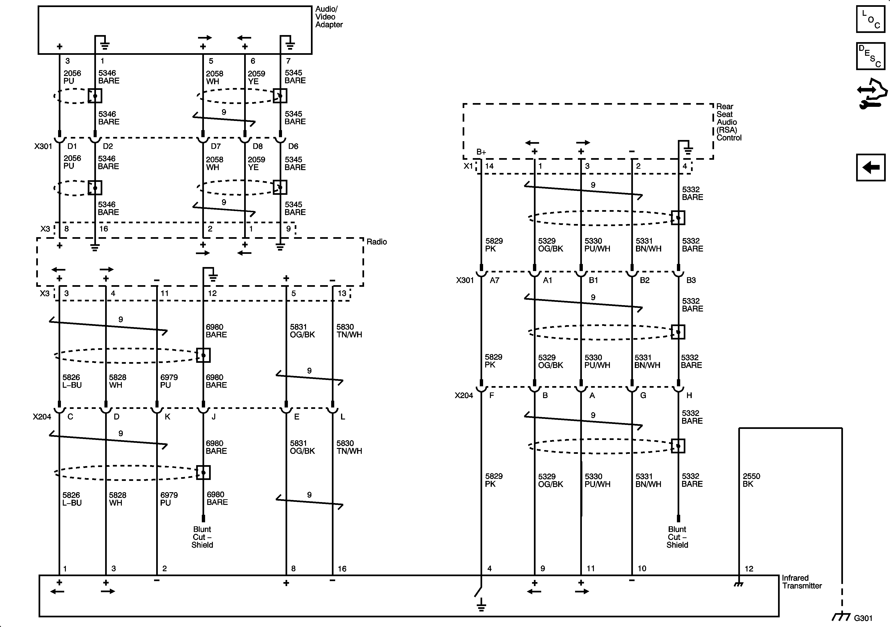
Figure
2:
Audio Signals