GM Service Manual Online
For 1990-2009 cars only
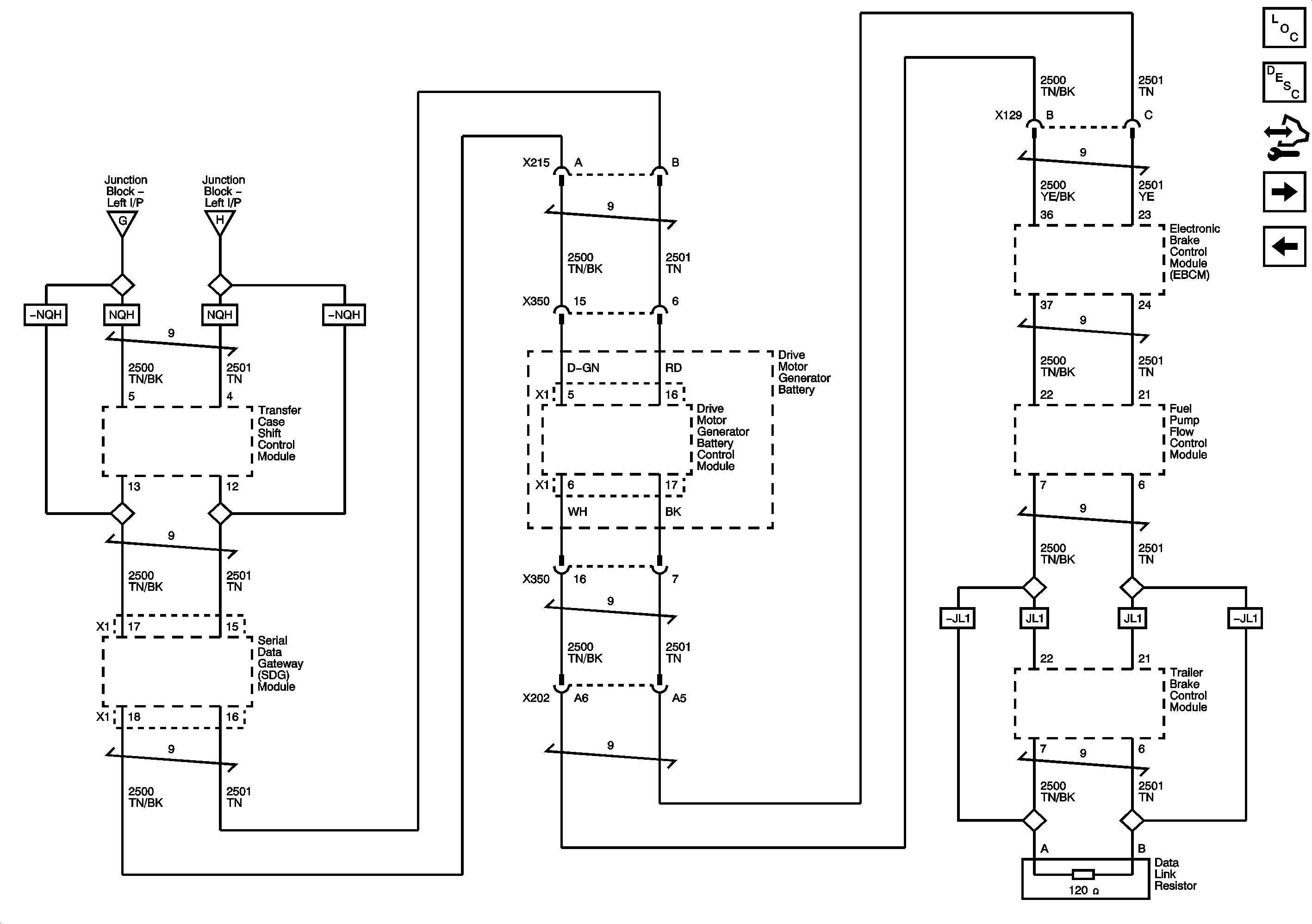
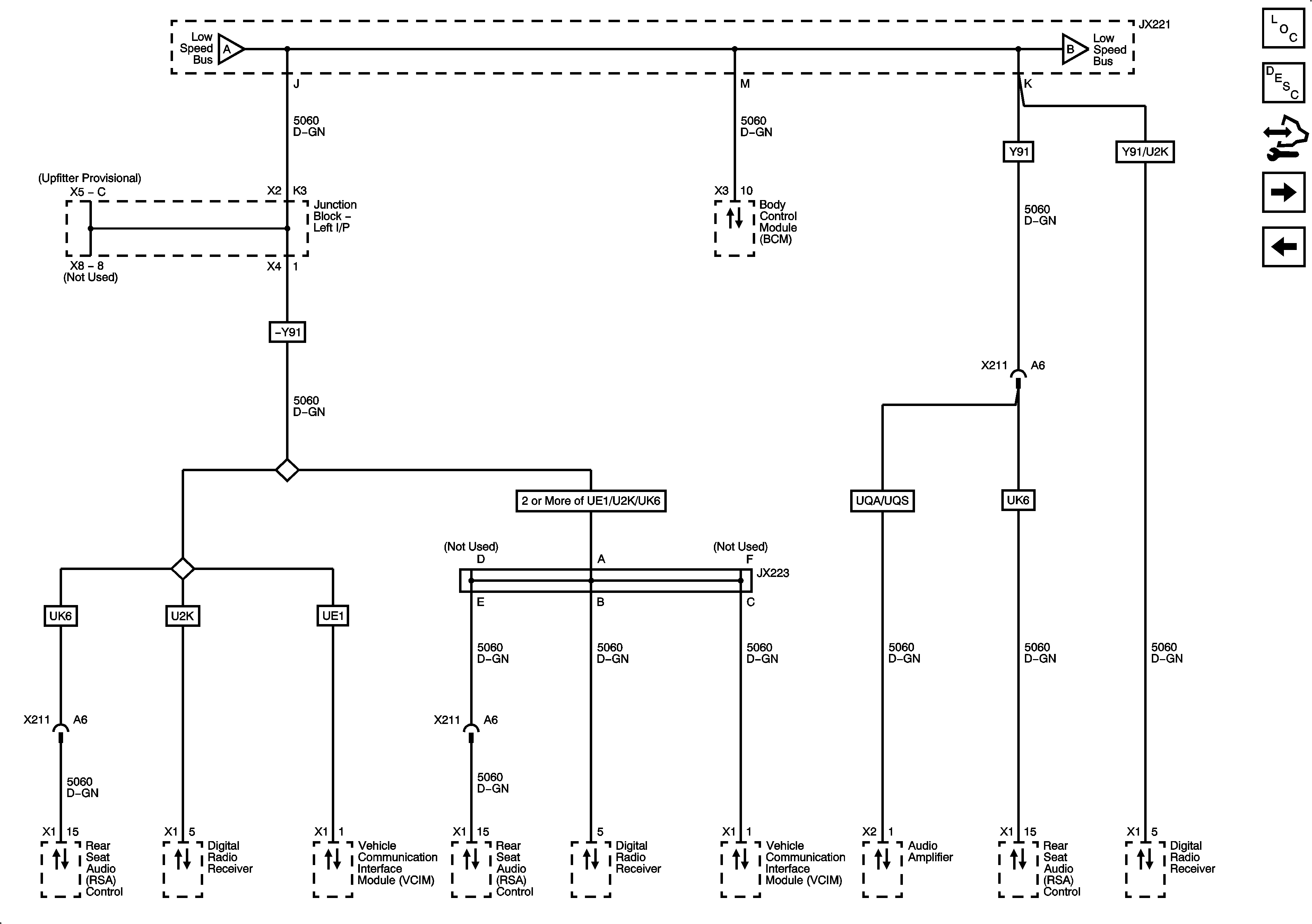
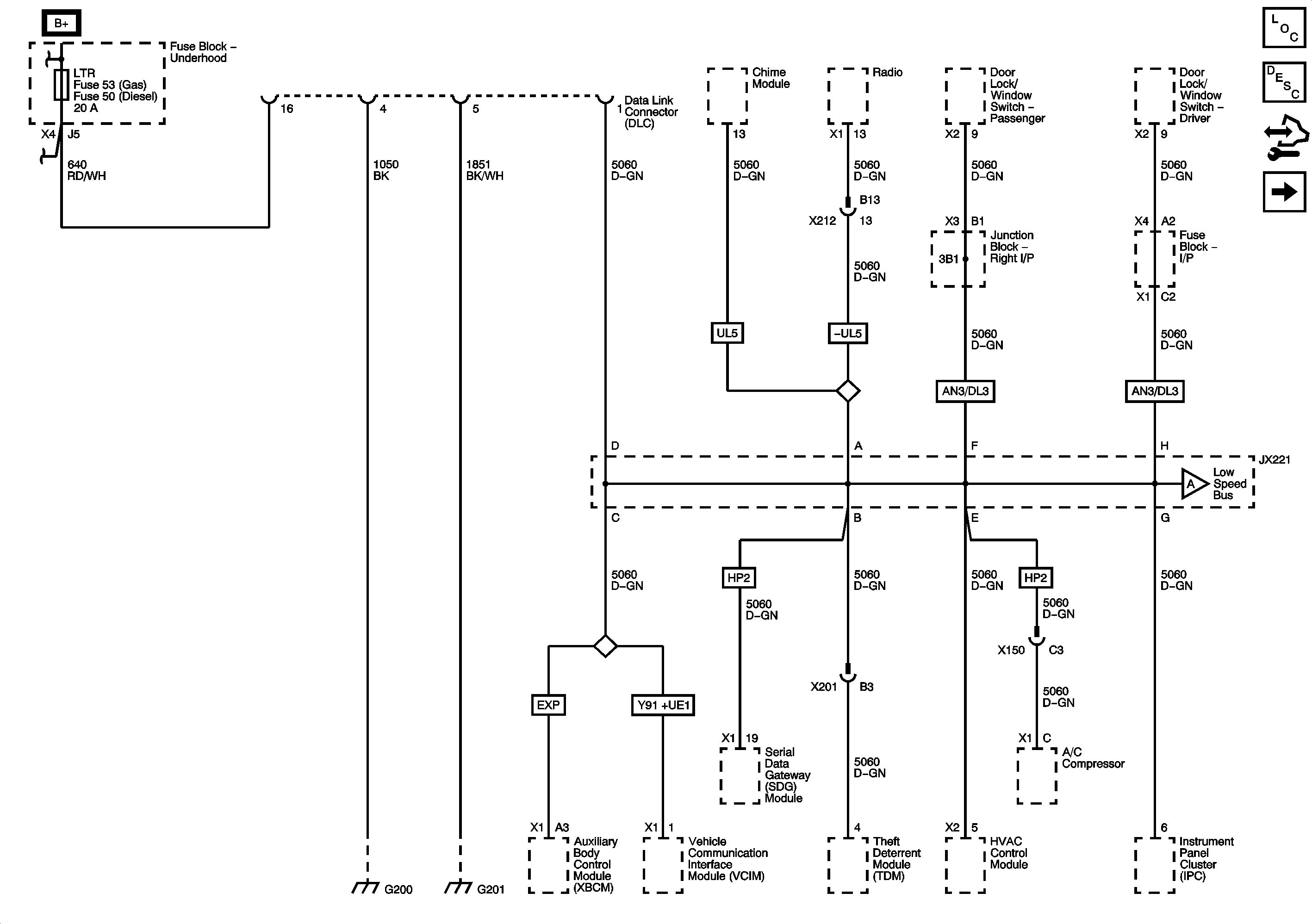
Figure 1:

Low Speed Bus - 1 of 3


Object Number: 2064935  Size: FS
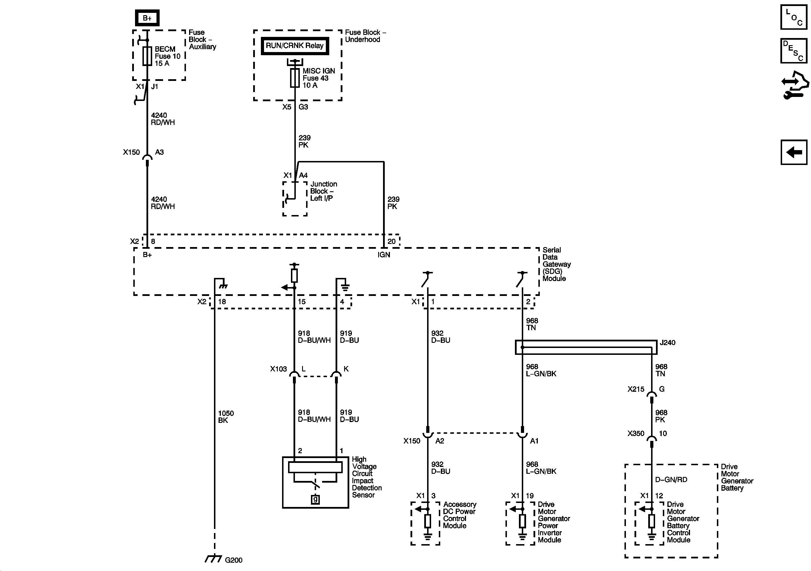
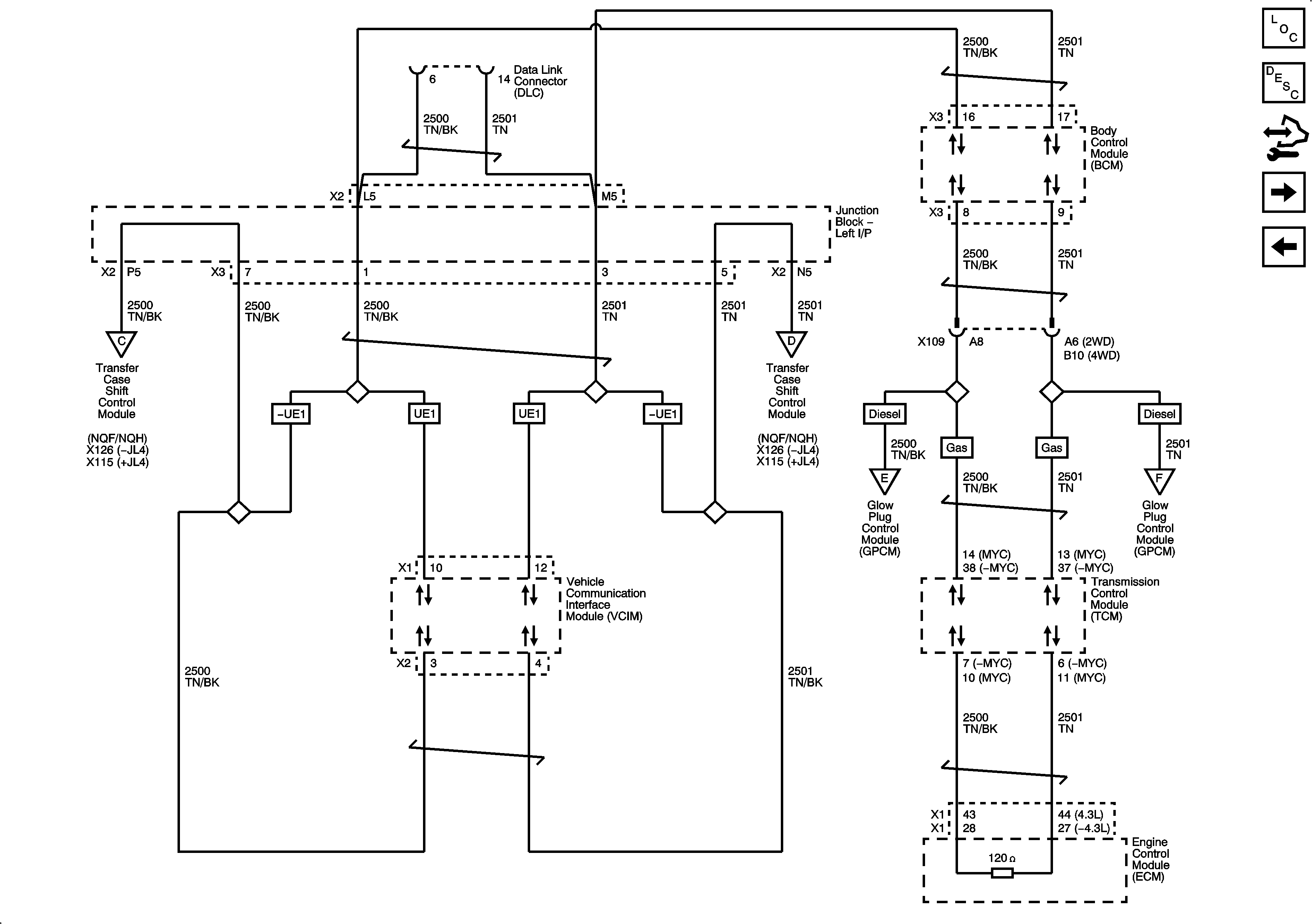
Figure 2:

Low Speed Bus - 2 of 3


Object Number: 2064937  Size: FS
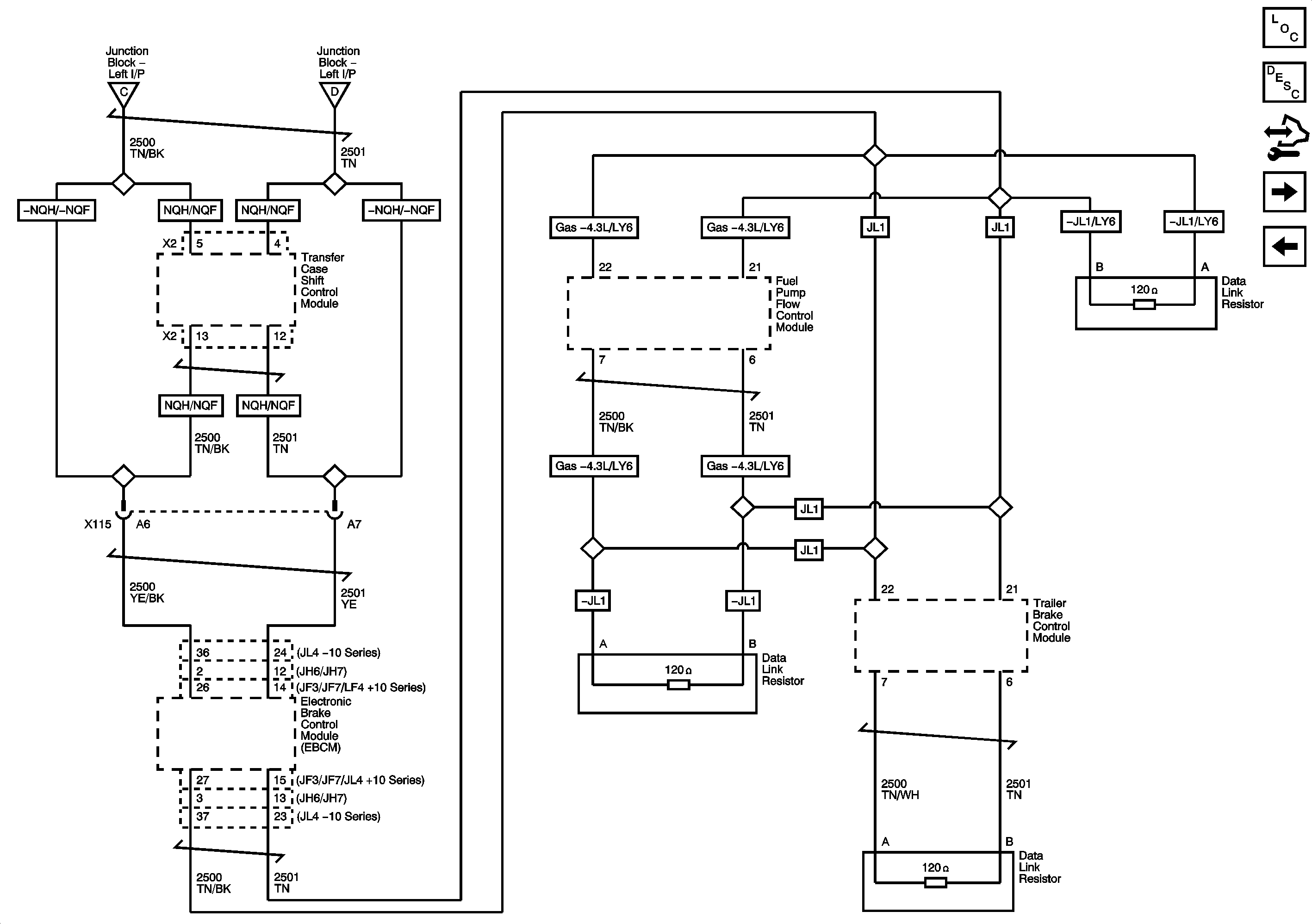
Figure 3:

Low Speed Bus - 3 of 3


Object Number: 2064939  Size: FS
Figure 4:

High Speed Bus - 1 of 6 (except MEX/HP2)


Object Number: 2064942  Size: FS
Figure 5:

High Speed Bus - 2 of 6 (except MEX/HP2)


Object Number: 2064945  Size: FS
Figure 6:

High Speed Bus - 3 of 6 (Diesel)


Object Number: 2064947  Size: FS
Figure 7:

High Speed Bus - 4 of 6 (MEX)


Object Number: 2064950  Size: FS
Figure 8:

High Speed Bus - 5 of 6 (HP2)


Object Number: 2165233  Size: FS
Figure 9:

High Speed Bus - 6 of 6 (HP2)


Object Number: 2165234  Size: FS
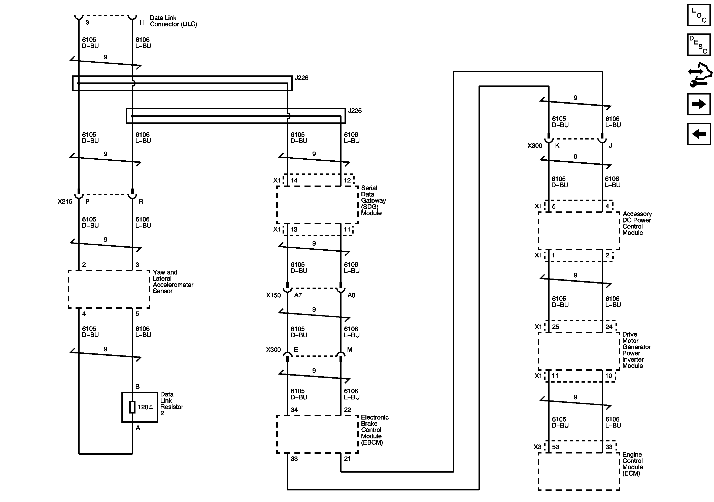
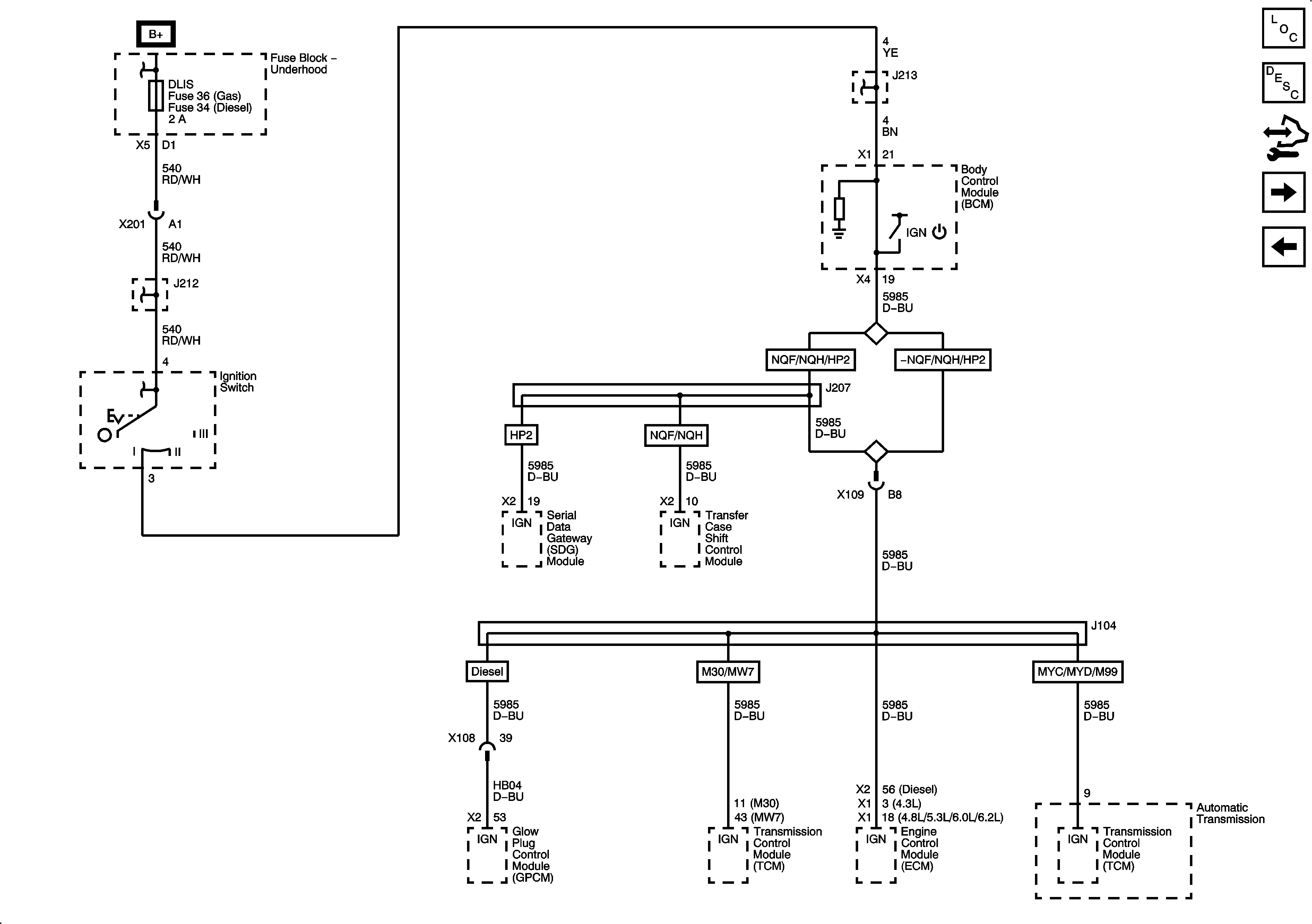
Figure 10:

Serial Data Communication Enable


Object Number: 2064954  Size: FS
Figure 11:

Accessory Wakeup Serial Data


Object Number: 2064958  Size: FS
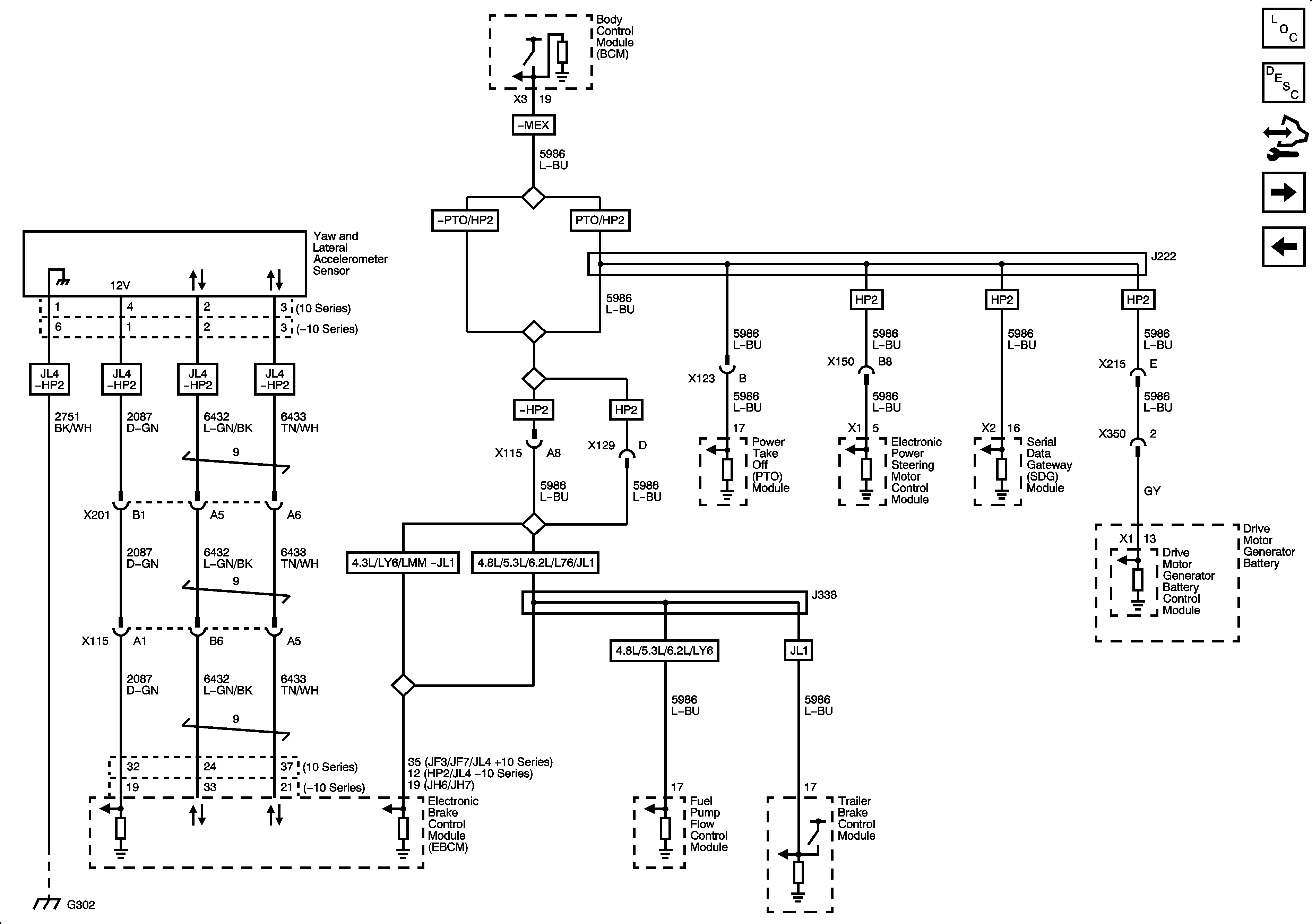
Figure 12:

Powertrain Expansion Bus (HP2)


Object Number: 2165236  Size: FS
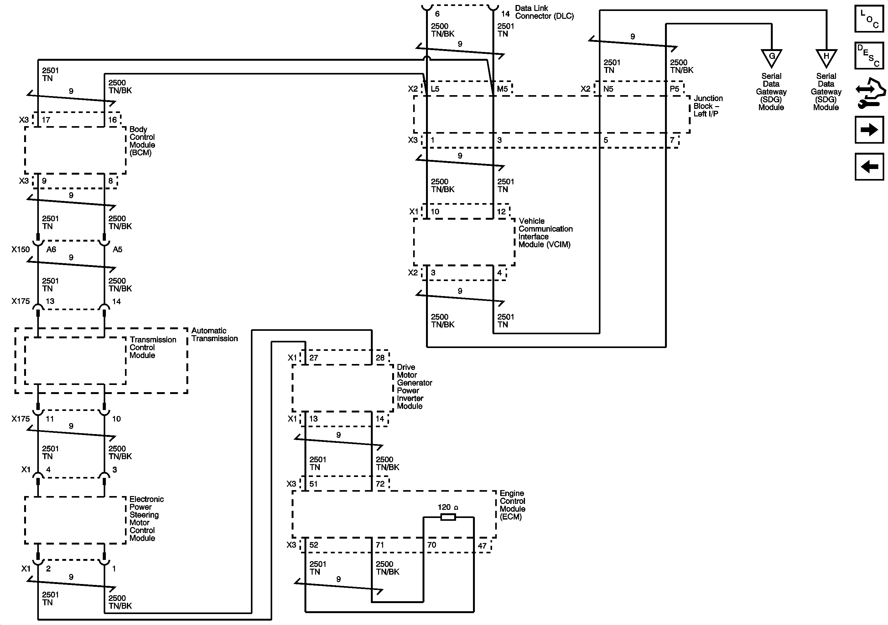
Figure 13:

Serial Data Gateway (SDG) Module (HP2)


Object Number: 2165237  Size: FS