GM Service Manual Online
For 1990-2009 cars only
Makes
🢒
Chevrolet
🢒
2009
🢒
Silverado - 4WD
🢒
Power and Signal Distribution
🢒
Data Communications
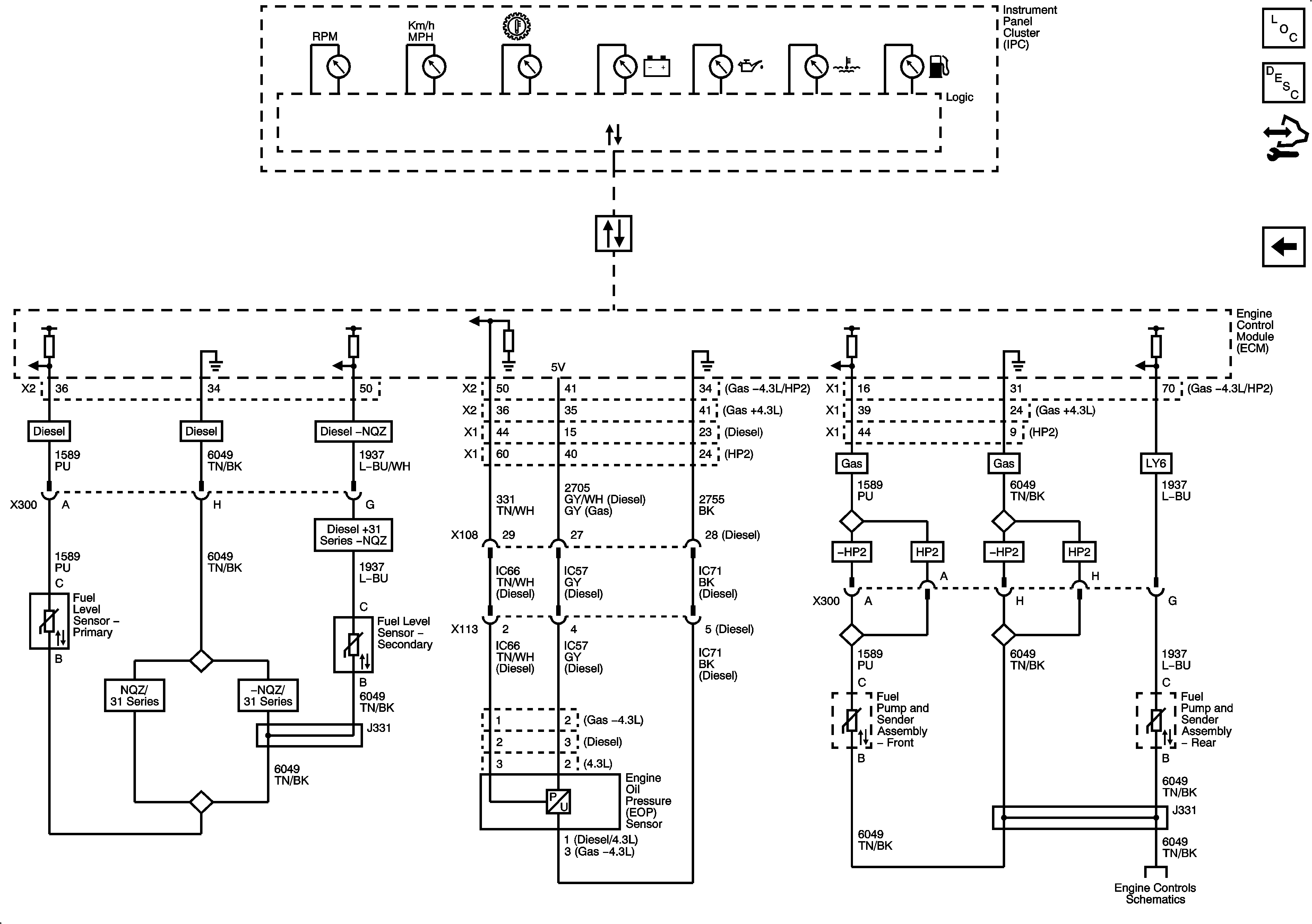
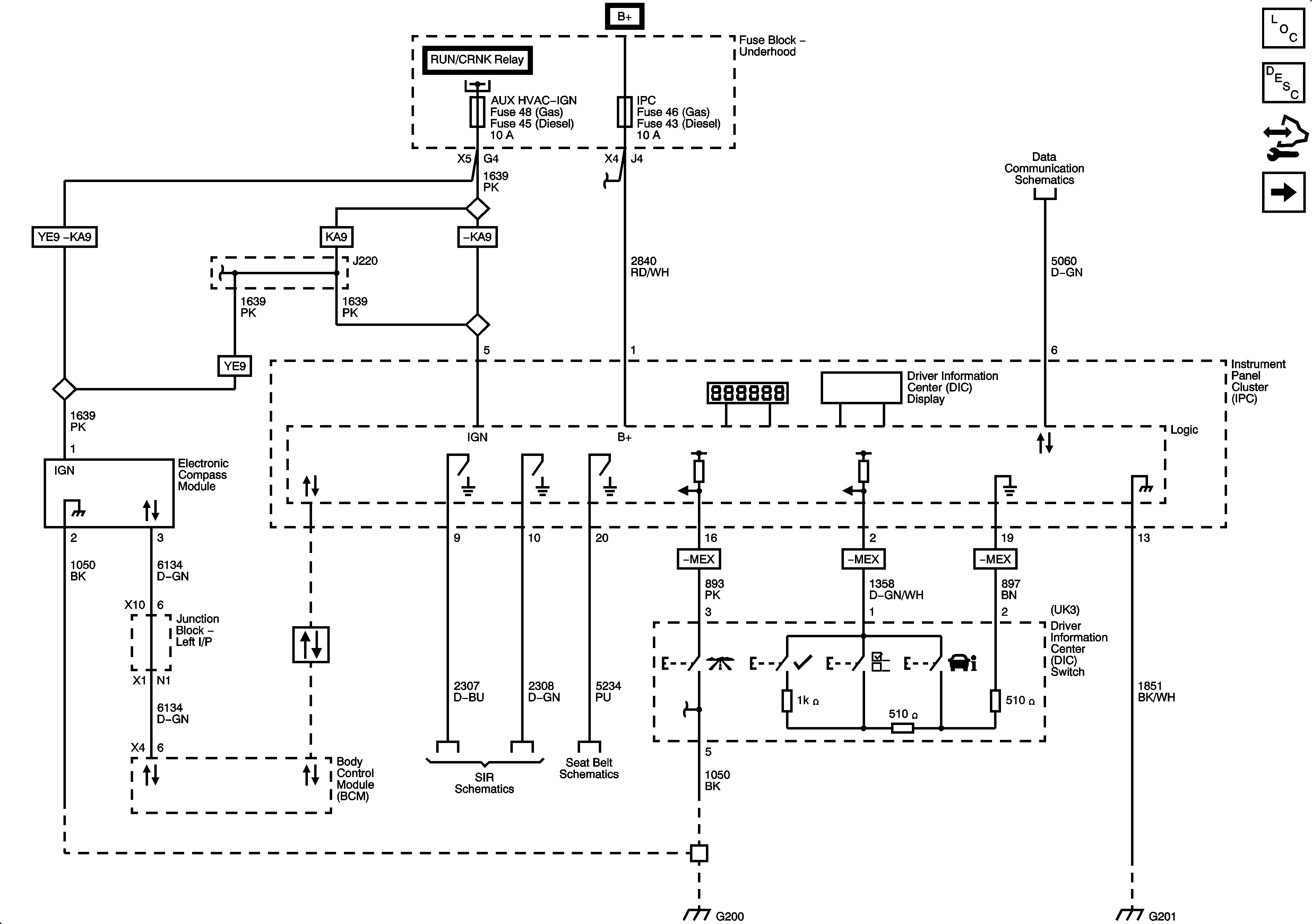
🢒 Instrument Cluster Schematics
Figure
1:
Power, Ground, Compass and DIC
Figure
2:
Indicators
Figure
3:
Gages