GM Service Manual Online
For 1990-2009 cars only
Makes
🢒
Chevrolet
🢒
2009
🢒
Silverado - 4WD
🢒
Power and Signal Distribution
🢒
Data Communications
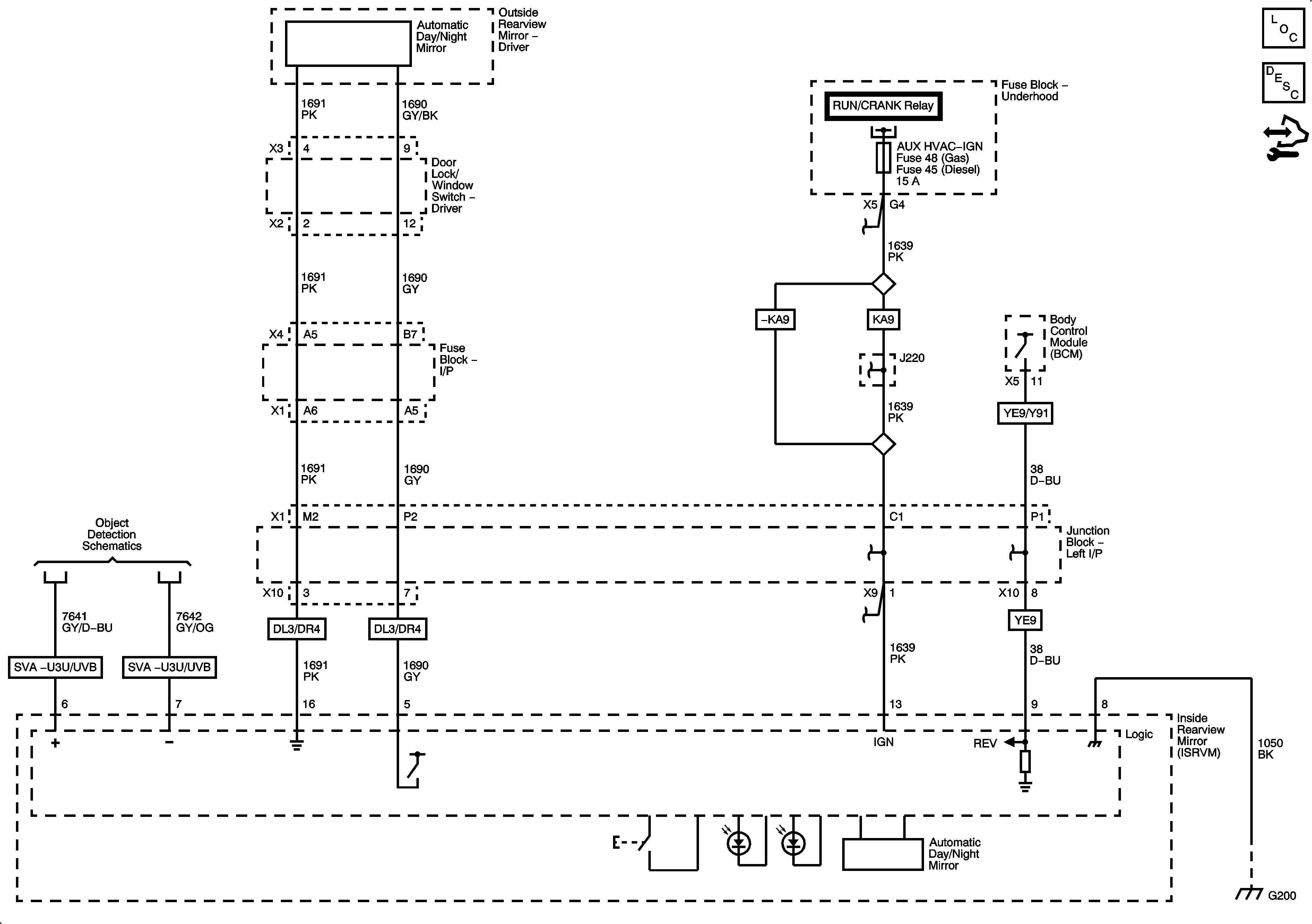
🢒 Inside Rearview Mirror Schematics