GM Service Manual Online
For 1990-2009 cars only
Makes
🢒
Chevrolet
🢒
2006
🢒
Spark
🢒
Transmission/Transaxle
🢒
Automatic Transaxle - Jatco
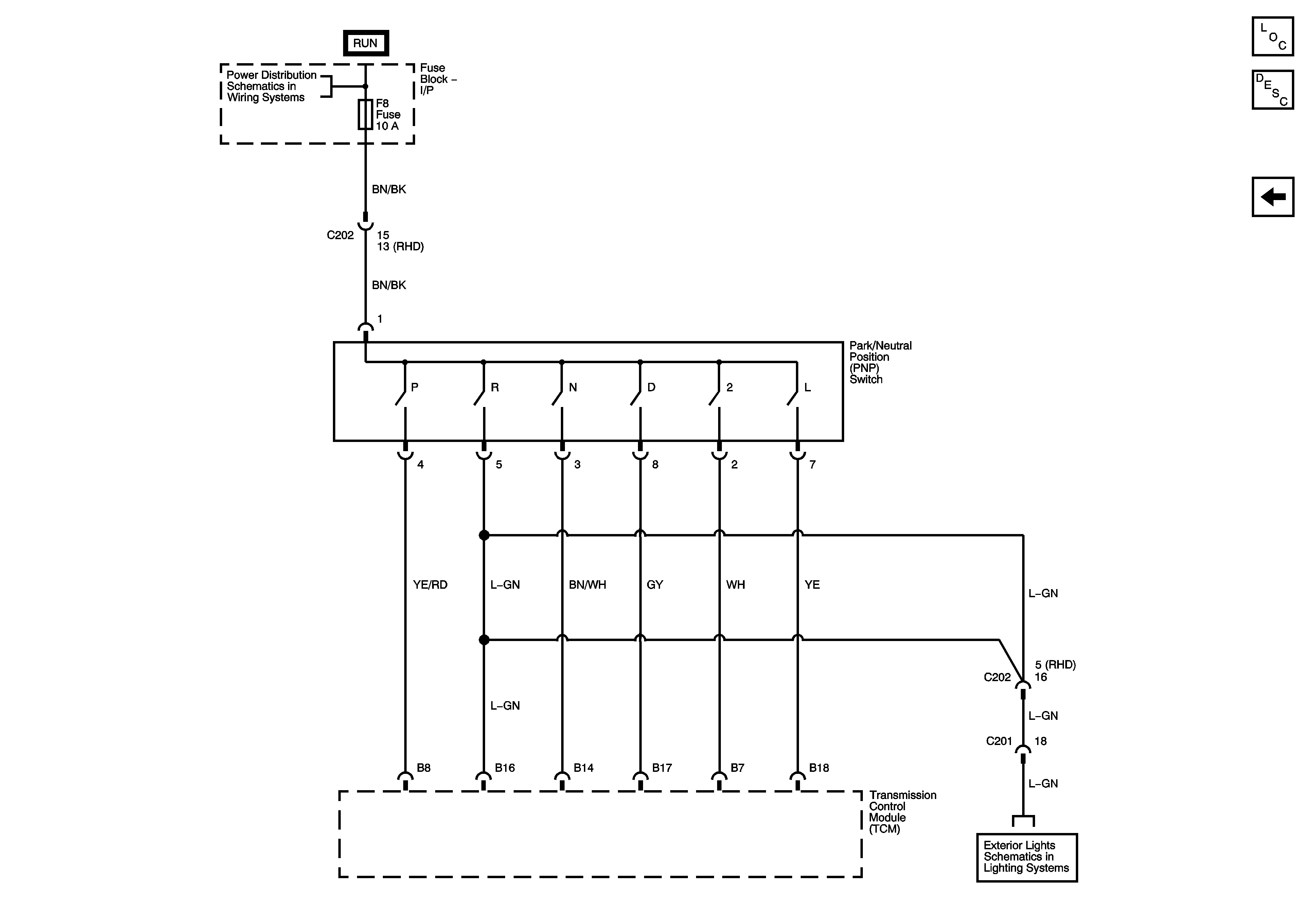
🢒 Automatic Transmission Controls Schematics
Figure
1:
TCM Power, Ground, VSS, DLC and Transaxle
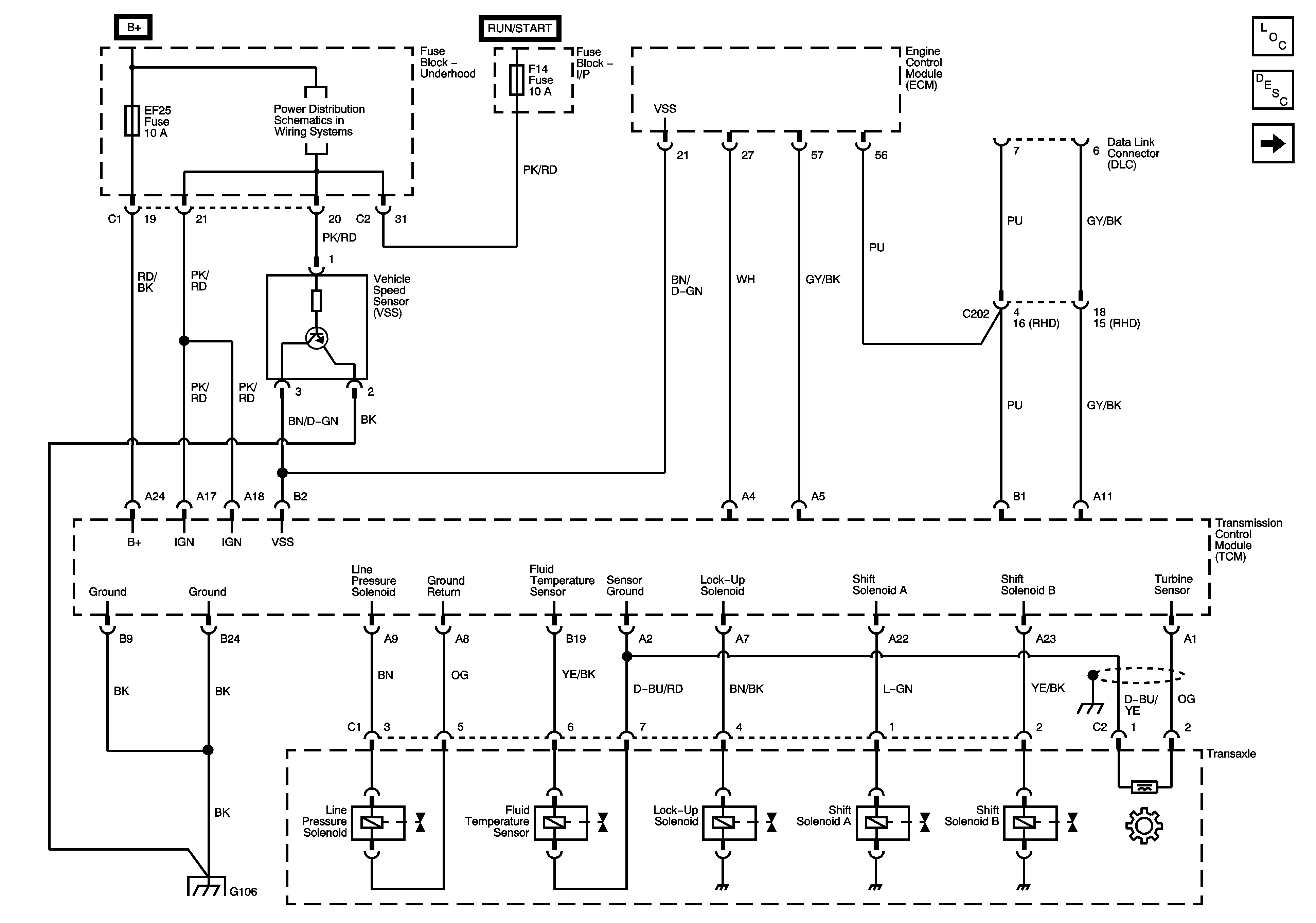
Figure
2:
TCM, DIC and O/D Circuit
Figure
3:
TCM and PNP Circuits