GM Service Manual Online
For 1990-2009 cars only
Makes
🢒
Chevrolet
🢒
2007
🢒
Spark
🢒
Body Systems
🢒
Lighting
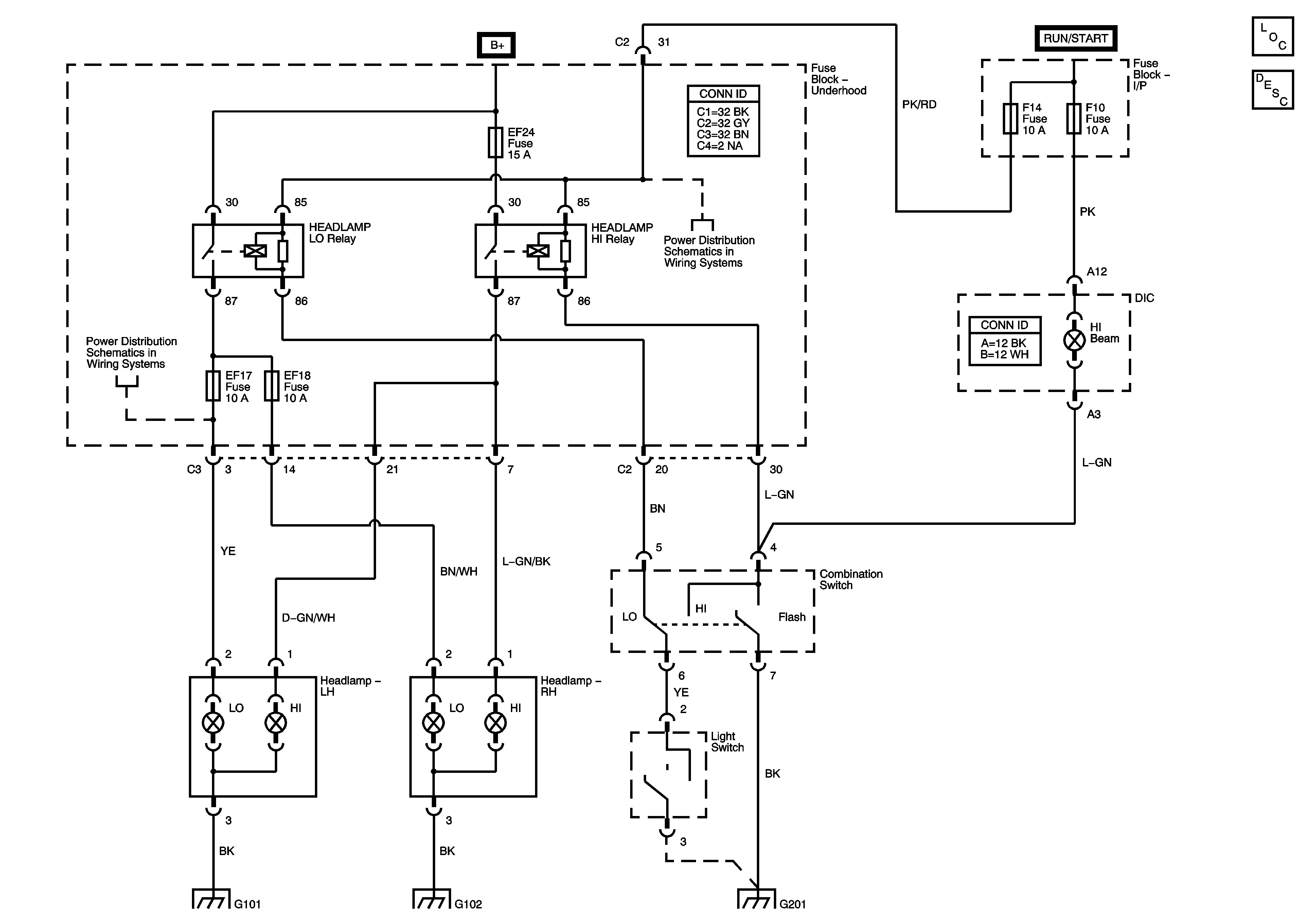
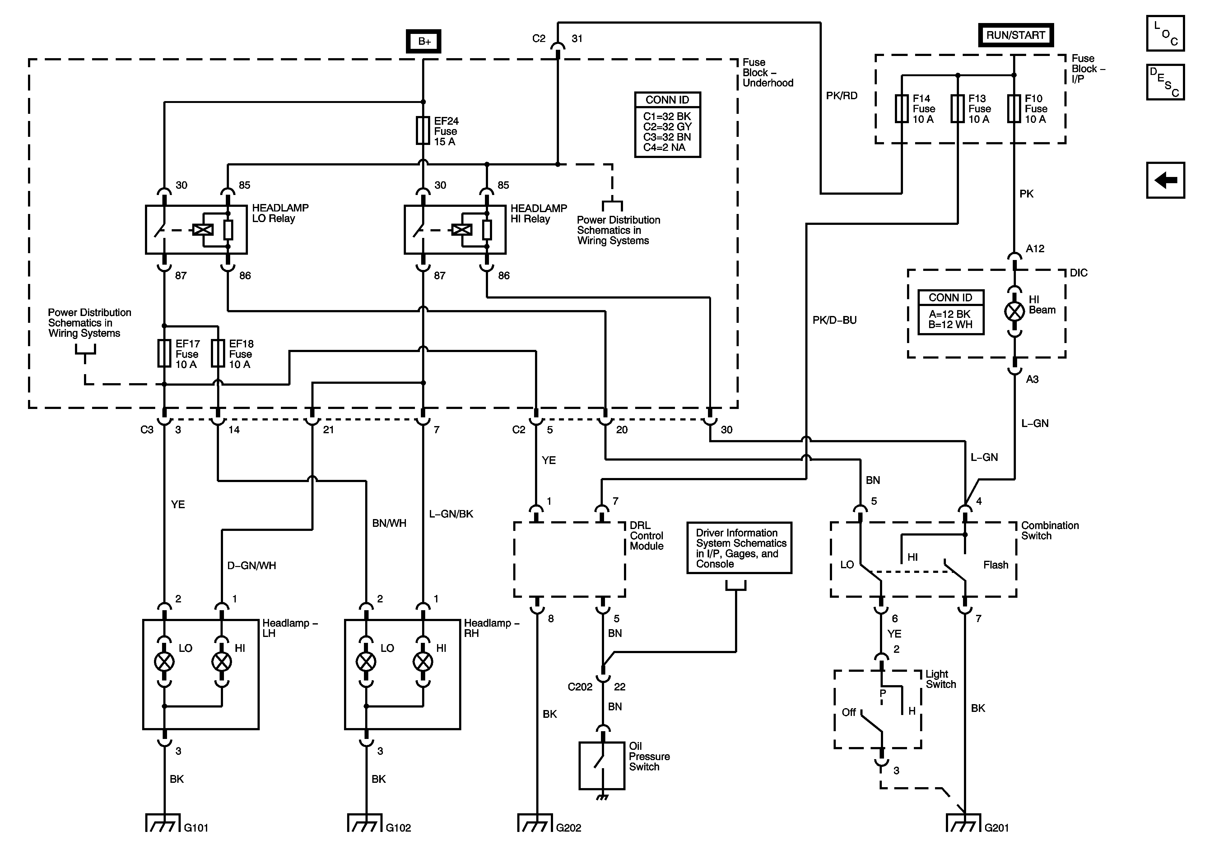
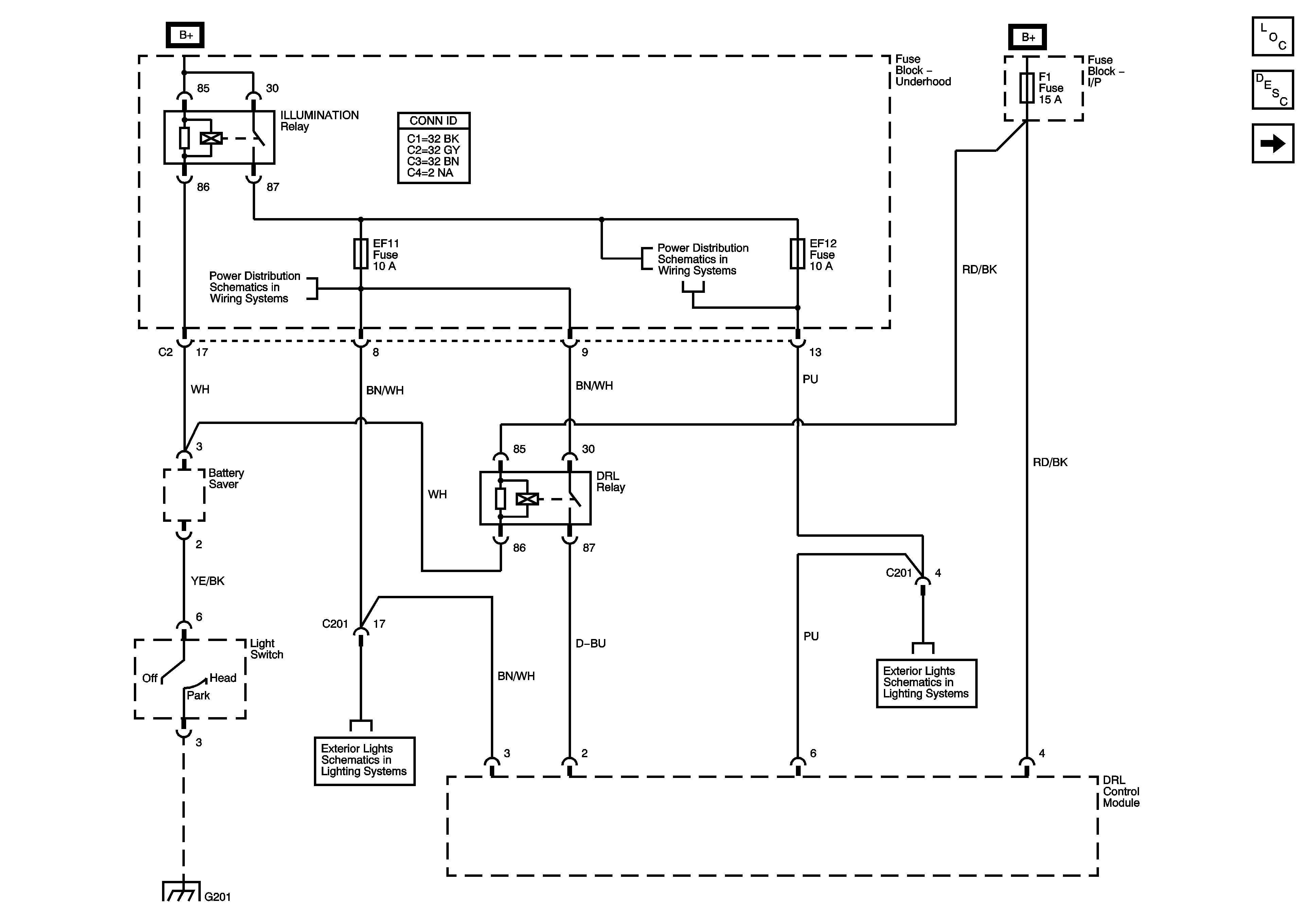
🢒 Headlights/Daytime Running Lights (DRL) Schematics
Figure
1:
Headlamps
Figure
2:
Module, Relay and Light Sw
Figure
3:
Headlamps and Relays