GM Service Manual Online
For 1990-2009 cars only
Makes
🢒
Chevrolet
🢒
2008
🢒
Spark
🢒
Body Systems
🢒
Fixed and Moveable Windows
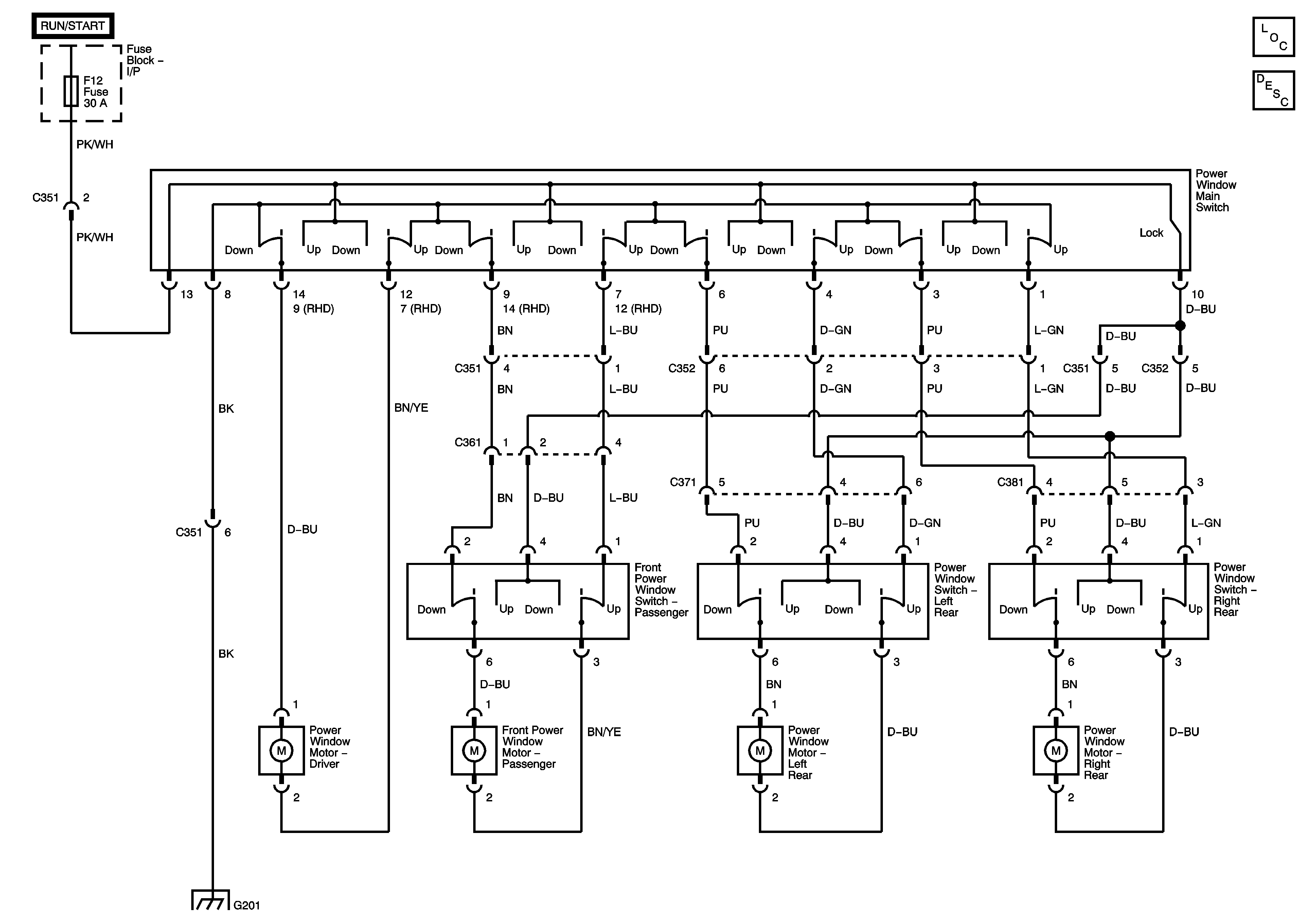
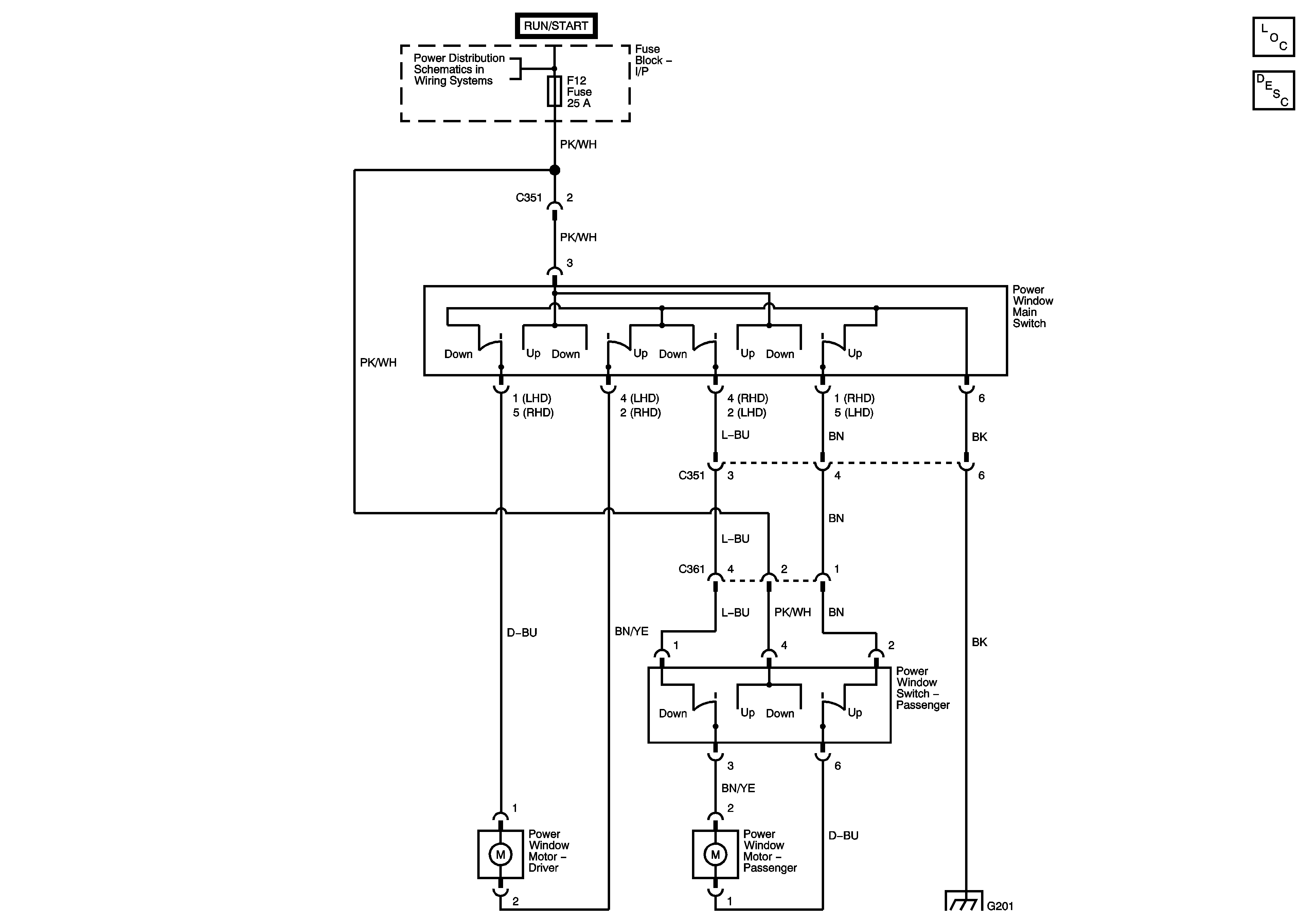
🢒 Moveable Window Schematics
Figure
1:
Front Controls
Figure
2:
Front and Rear Controls