GM Service Manual Online
For 1990-2009 cars only
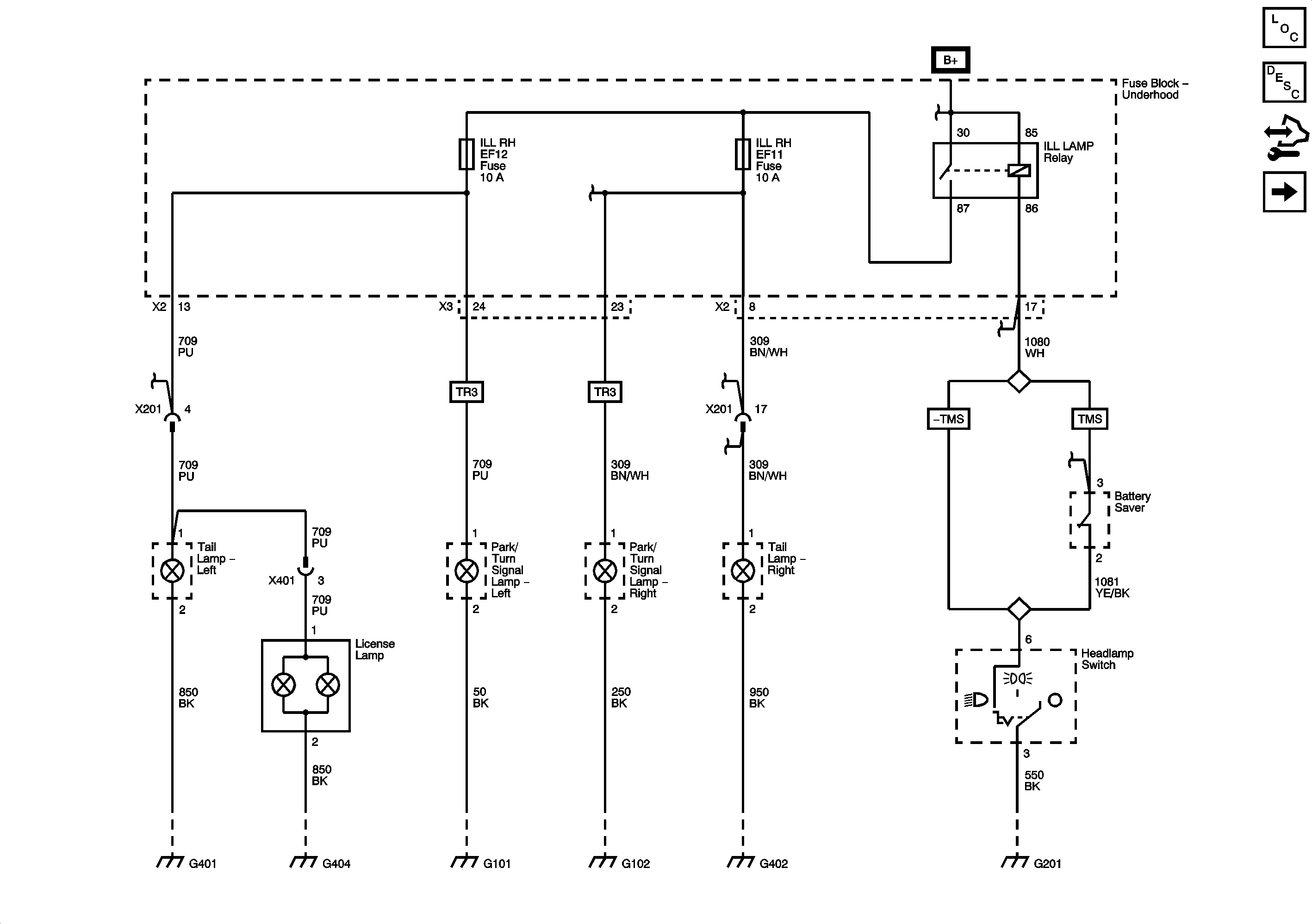
Figure 1:

Park/Position and License Lamps


Object Number: 2108600  Size: FS
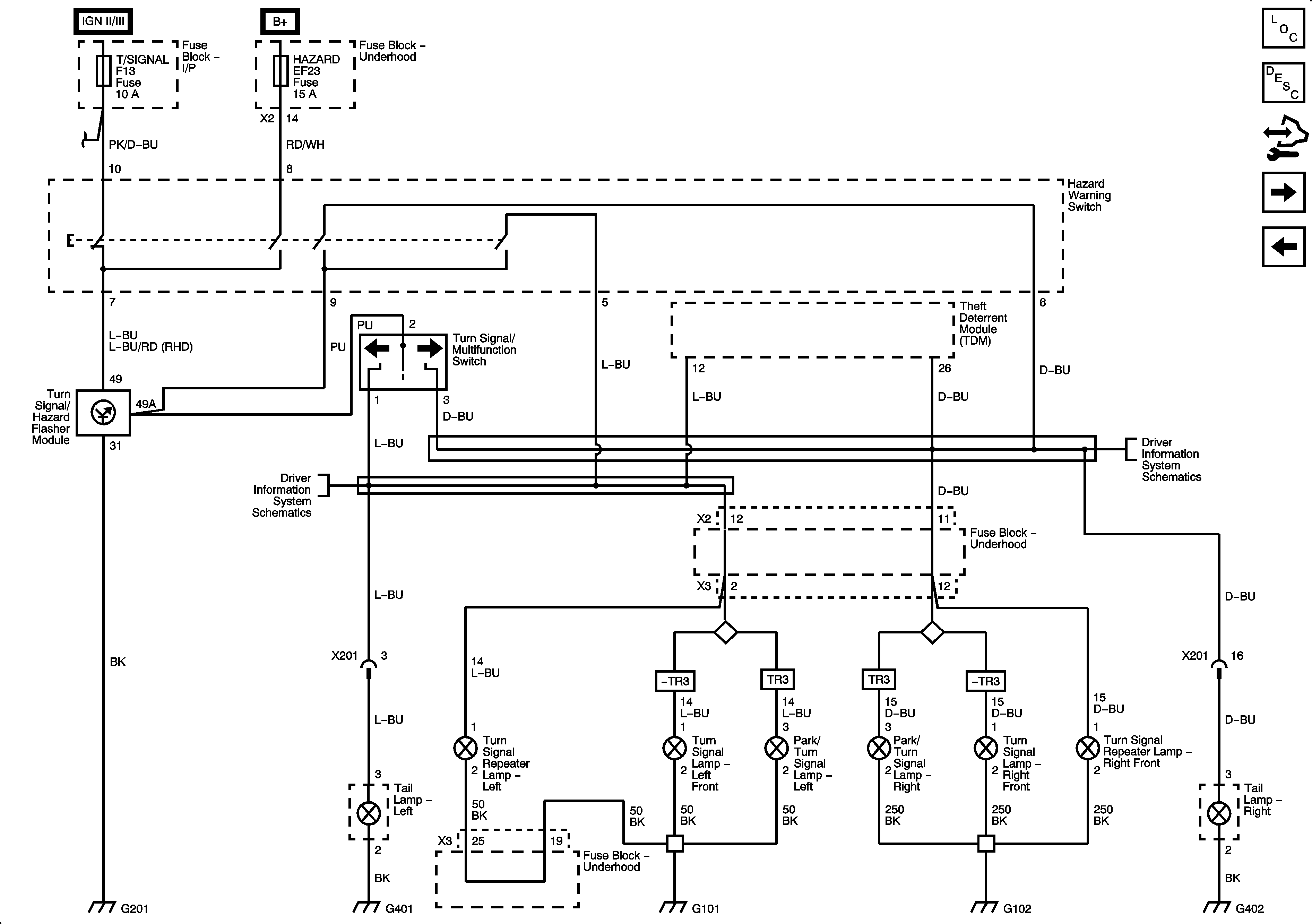
Figure 2:

Turn Signal and Hazard Lamps


Object Number: 2108603  Size: FS
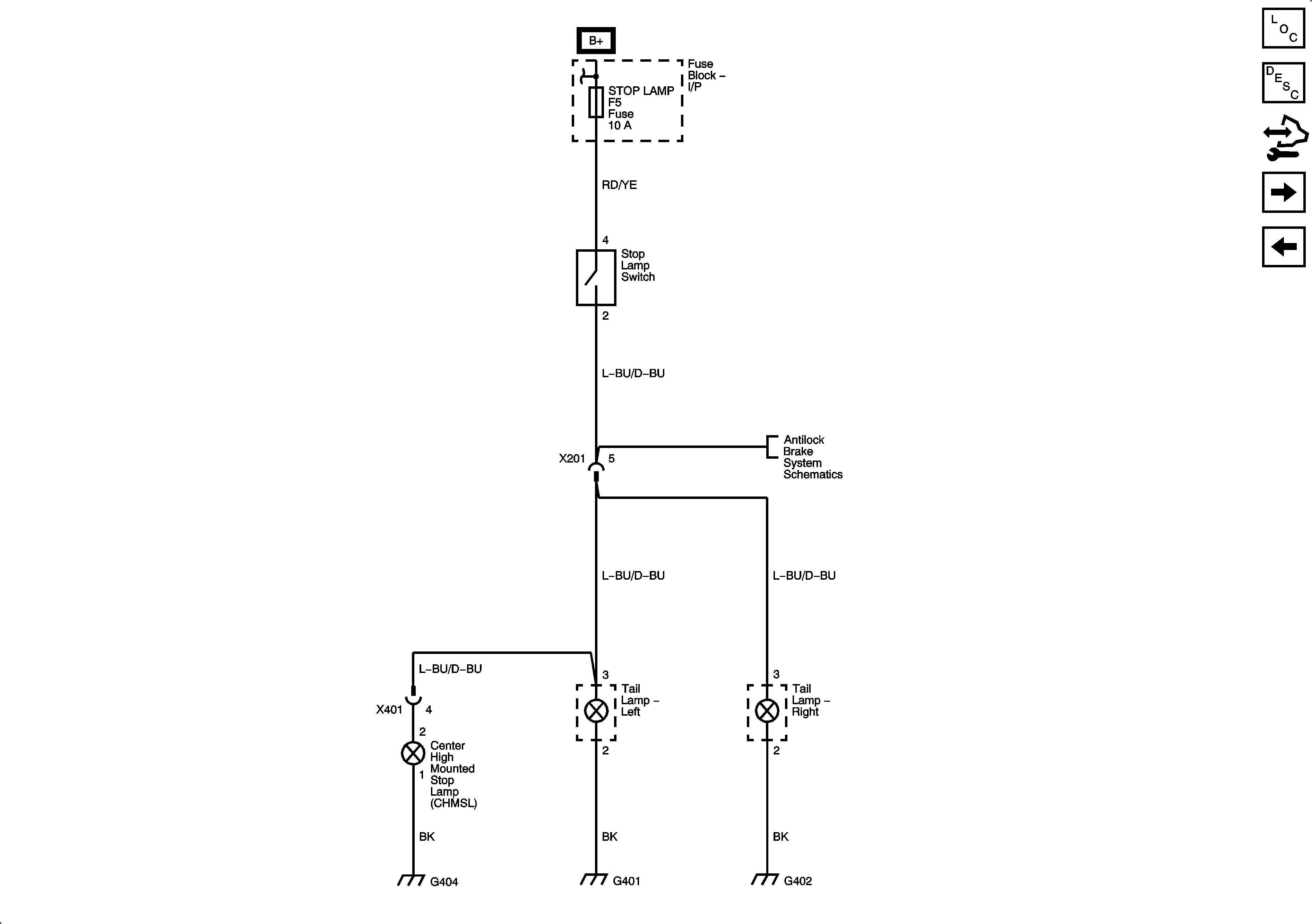
Figure 3:

Stop Lamps


Object Number: 2108607  Size: FS
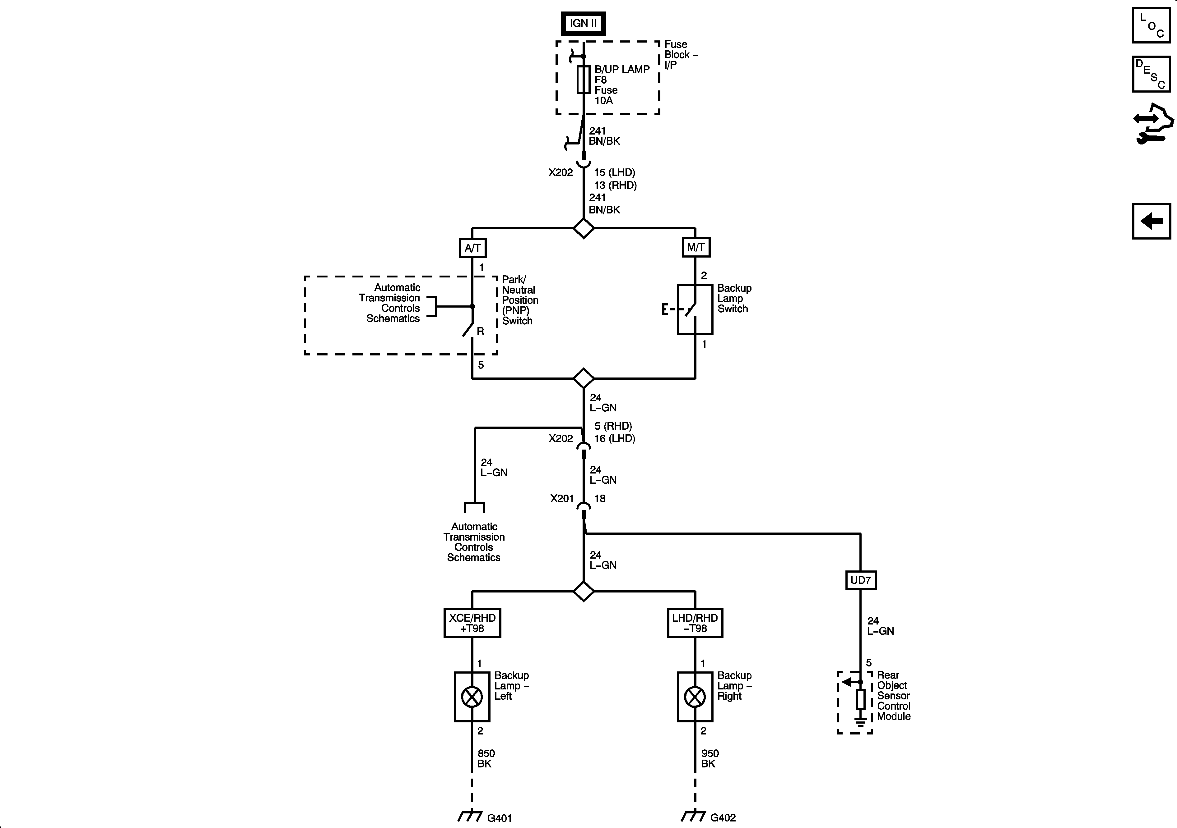
Figure 4:

Backup Lamps


Object Number: 2108615  Size: FS