GM Service Manual Online
For 1990-2009 cars only
Makes
🢒
Chevrolet
🢒
2009
🢒
Spark
🢒
Body Systems
🢒
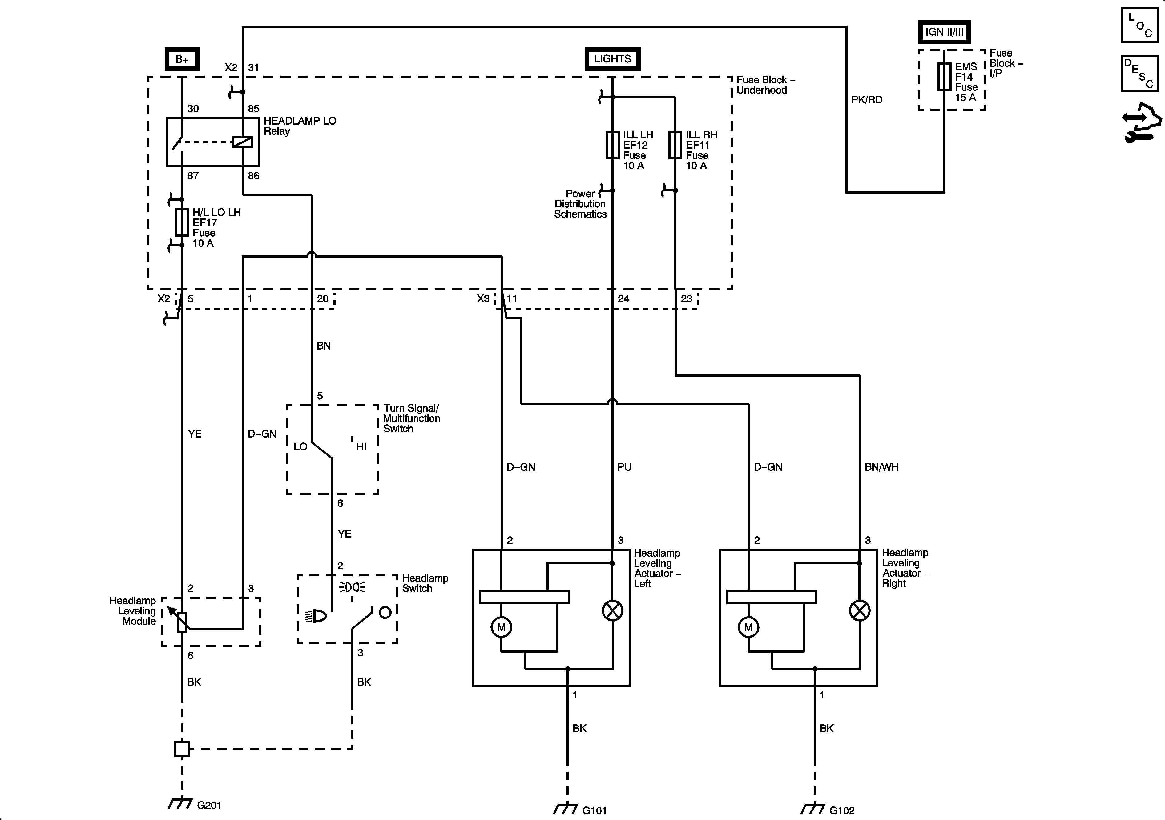
Lighting
🢒 Headlight Leveling Schematics