GM Service Manual Online
For 1990-2009 cars only
Makes
🢒
Chevrolet
🢒
2009
🢒
Spark
🢒
Driver Information and Entertainment
🢒
Displays and Gages
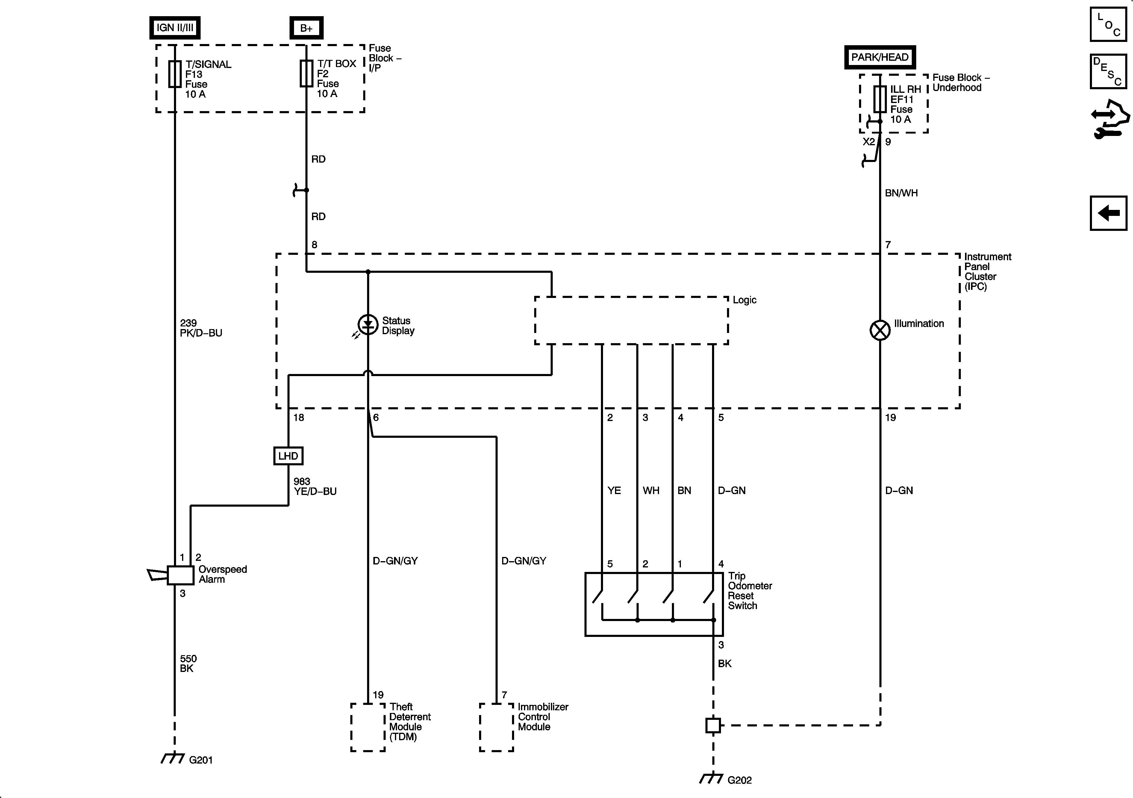
🢒 Instrument Cluster Schematics
Figure
1:
Power, Ground and Gages
Figure
2:
Clock/Trip Controls, Overspeed and Status Indicator