GM Service Manual Online
For 1990-2009 cars only
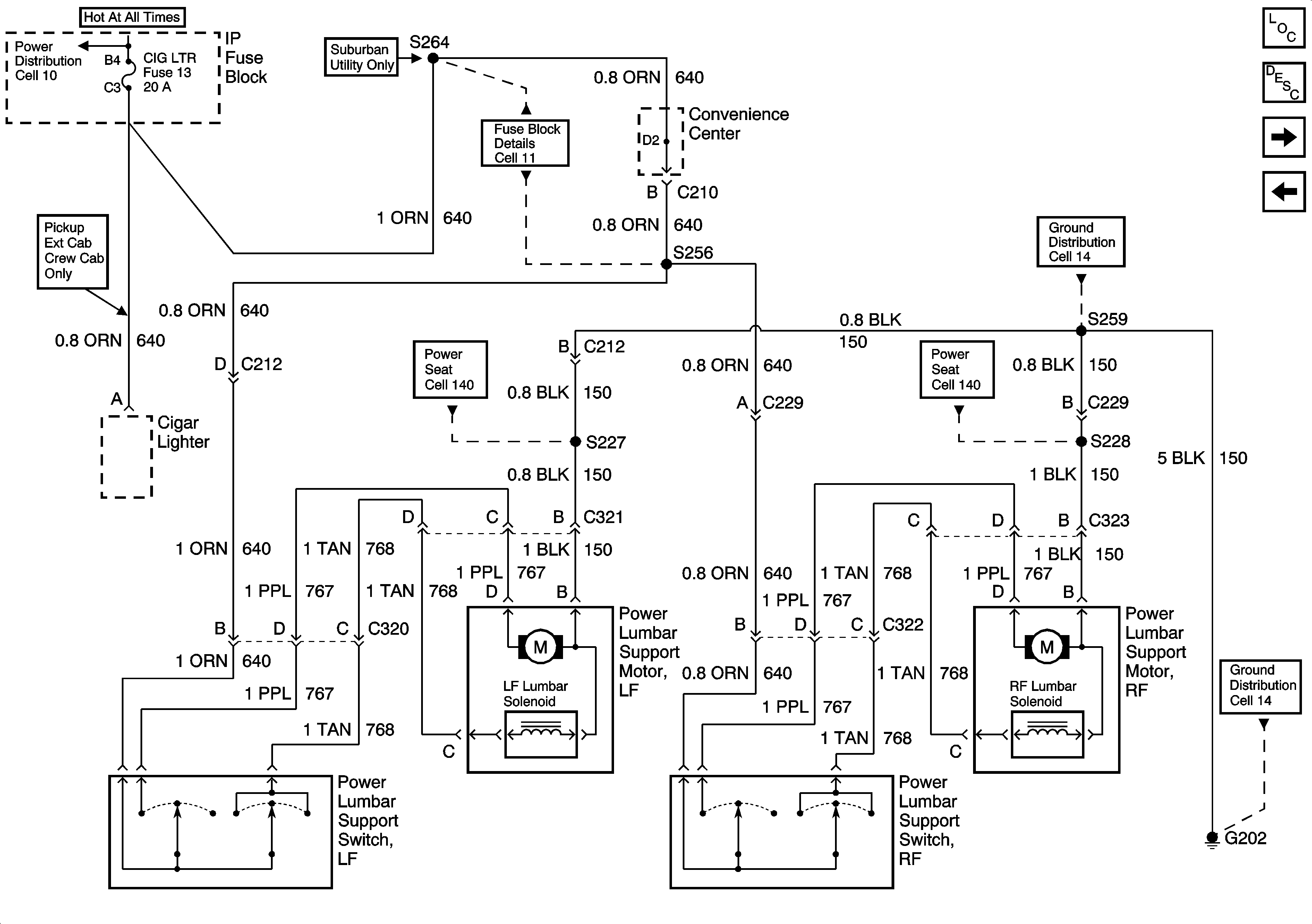
Figure 1:

Cell 141: CIG LTR Fuse, Power Lumbar Seat Switches and Motors, G202 (Bench Seat)


Object Number: 497181  Size: FS
Power Seats Circuit Description
Cell 141: CIG LTR Fuse, Power Lumbar Seat Switches and Motors, G202(Split Bench)
Power Seat Systems Components
Power Distribution Schematics
Ground Distribution Schematics
Power Distribution Schematics
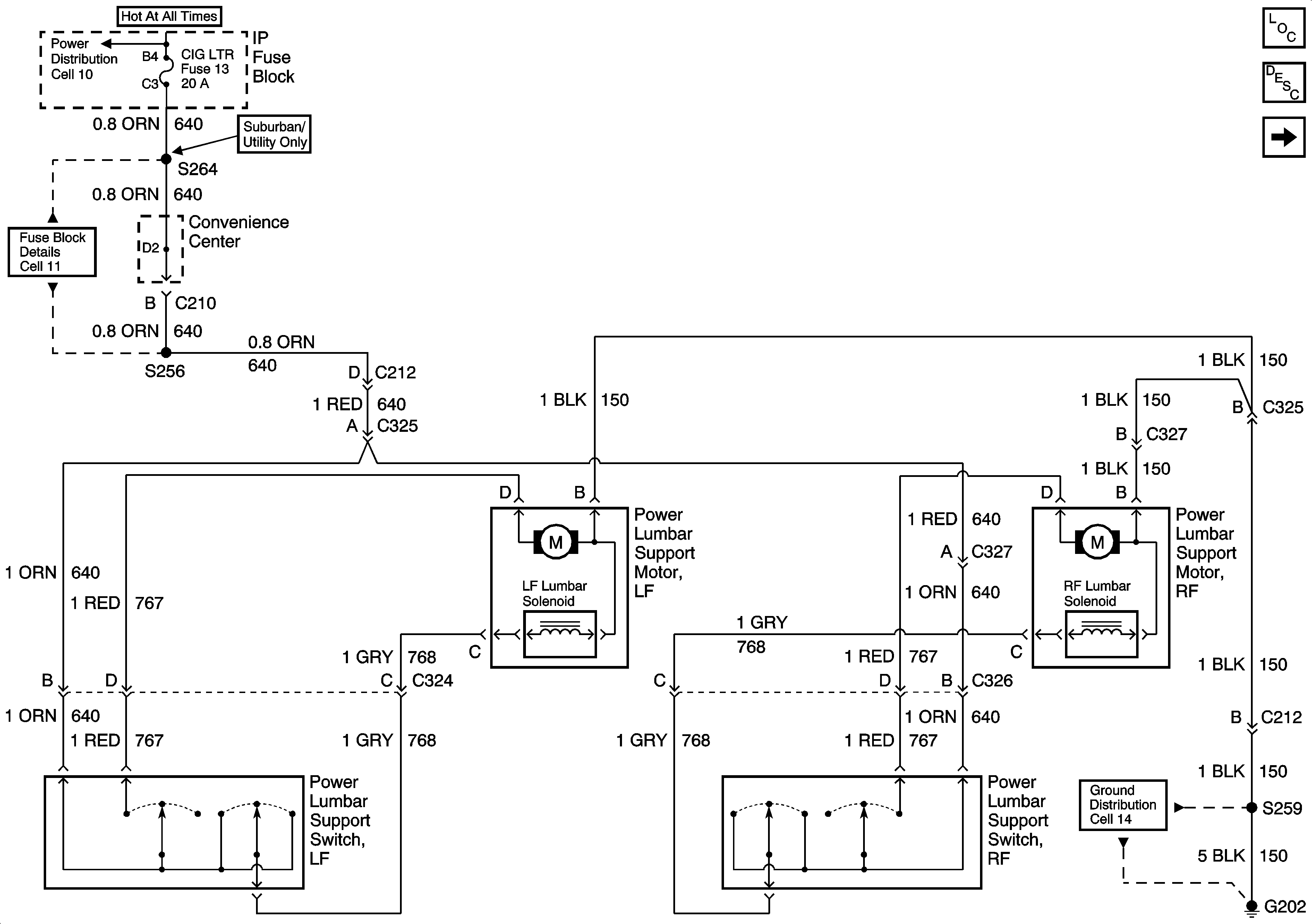
Figure 2:

Cell 141: CIG LTR Fuse, Power Lumbar Seat Switches and Motors, G202 (Split Bench)


Object Number: 497182  Size: FS
Power Seat Systems Components
Power Seats Circuit Description
Cell 141: PWR-ACCY Circuit Breaker, Lumbar Support Switches and MotorsG202 (Bucket Seats)
Cell 141: CIG LTR Fuse, Power Lumbar Seat Switches and Motors, G202(Bench Seat)
Ground Distribution Schematics
Ground Distribution Schematics
Power Seats Schematics
Cell 11: CIG LTR Fuse
Power Distribution Schematics
Power Seats Schematics
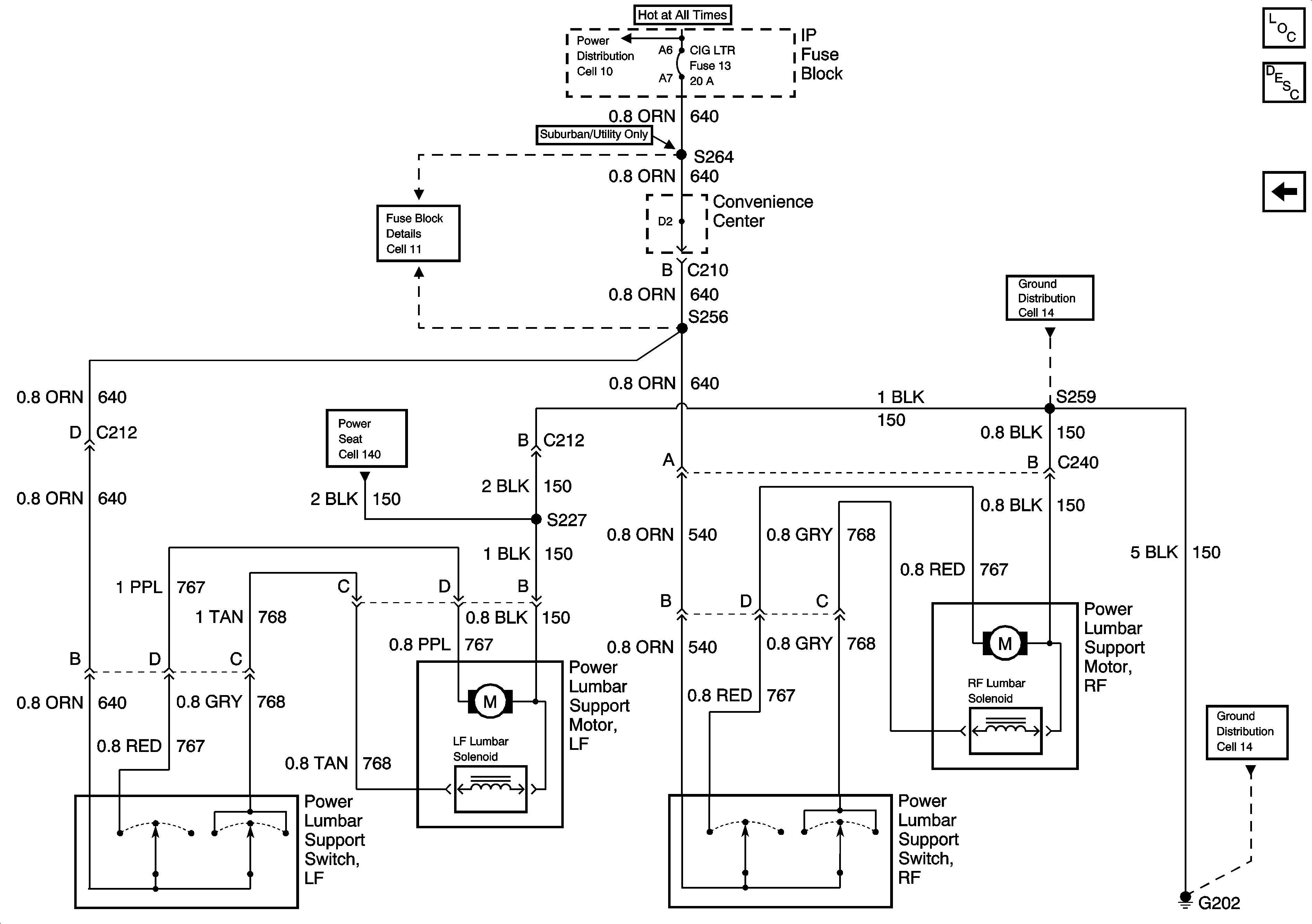
Figure 3:

Cell 141: PWR-ACCY Circuit Breaker, Lumbar Support Switches and Motors G202 (Bucket Seats)


Object Number: 497183  Size: FS
Power Seat Systems Components
Power Seats Circuit Description
Cell 141: CIG LTR Fuse, Power Lumbar Seat Switches and Motors, G202(Split Bench)
Cell 14: G202 (2 of 4)
Cell 14: G202 (1 of 4)
Cell 140: PWR-ACCY Circuit Breaker, Power Lumbar Seat Switches And MotorS, G202
Cell 11: CIG LTR Fuse
Cell 10: IGN A and CIG LTR Fuses, PWR ACCY Circuit Breaker