GM Service Manual Online
For 1990-2009 cars only
Makes
🢒
Chevrolet
🢒
1999
🢒
Tahoe - 2WD
🢒
Body and Accessories
🢒
Seats
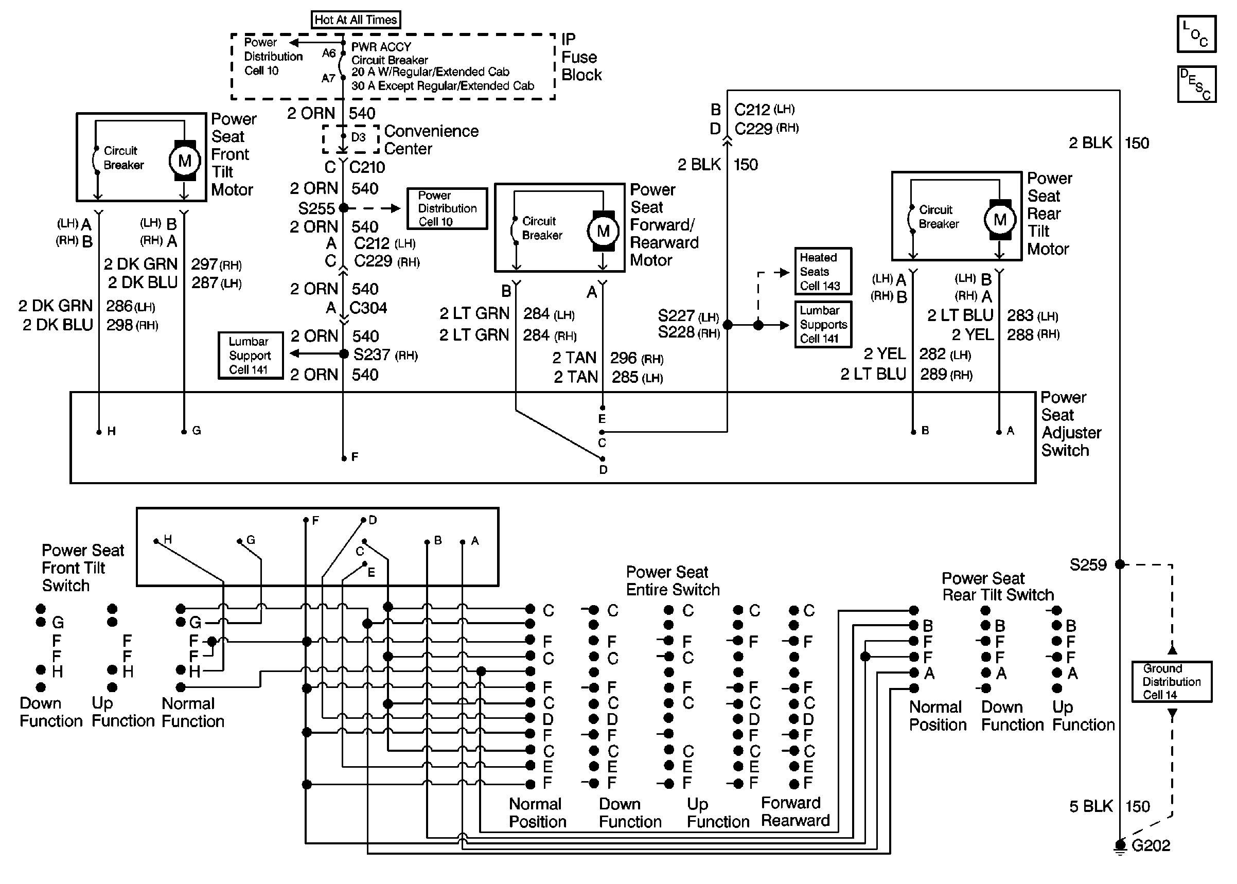
🢒 Power Seats Schematics
Cell 141: PWR-ACCY Circuit Breaker, Power Lumbar Seat Switches and Motors, G202
Power Seats Circuit Description
Cell 10: LIGHTING and BATTERY Fuses
Cell 10: AUX Fuse and PWR-ACCY Circuit Breaker
Cell 143: RF Heated Seat Module, Heated Seat Switch, G202
Cell 142: PWR-ACCY Circuit Breaker, Lumbar Support Switches and MotorsG202 (Bucket Seats)
Cell 14: G202 (2 of 4)
Cell 142: PWR-ACCY Circuit Breaker, Lumbar Support Switches and MotorsG202 (Bucket Seats)
Power Seat Systems Components