GM Service Manual Online
For 1990-2009 cars only

The cranking circuit consists of the battery , the starter motor , the ignition switch and related parts. All of these components are connected electrically.

The starter solenoid windings are energized when the ignition switch is turned to the start position and the clutch pedal position (CPP) switch (manual transmission) or the transaxle range switch (automatic transmission) is closed. (In manual transmission equipped vehicles, the clutch pedal must be fully depressed to activate the clutch pedal position switch.) The resulting plunger and shift lever movement causes the drive pinion to engage the engine flywheel ring gear and the starter solenoid contacts to close.

With the contacts closed, the starter solenoid provides a closed circuit between the positive (+) battery terminal and the starter motor. The circuit is complete and cranking occurs as soon as the starter solenoid contacts are closed (the starter motor is permanently grounded to the engine block). When the engine starts, the clutch and drive assembly is designed to overrun and protect the armature from excessive speed until the ignition switch is released from the start position. After the ignition switch is released from the start position, a return spring in the solenoid assembly forces the starter solenoid contacts open, breaking the circuit between the battery and the starter motor, and disengaging the clutch and drive assembly. The ignition switch should be released immediately upon engine start-up to prevent prolonged overrun.

Figure 1:

Starting Circuit


Object Number: 185727  Size: MF
(1)Plunger
(2)Solenoid
(3)Solenoid Contacts
(4)Clutch Pedal Position (CPP) Switch (Manual Transaxle) Park/Neutral Position (PNP) Switch (Automatic Transaxle)
(5)Ignition Switch
(6)Battery
(7)Starter Motor Assembly
(8)Overrunning Clutch Assembly
(9)Pinion Drive Lever
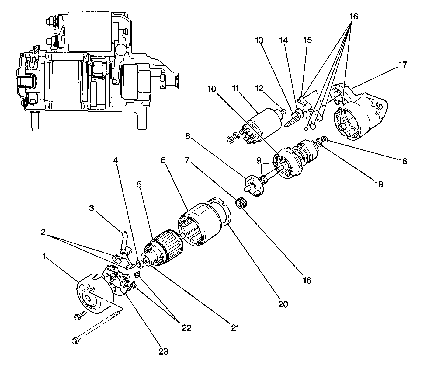
Figure 2:

Starter Motor


Object Number: 431886  Size: LF
(1)Commutator End Cover
(2)Brushes
(3)Field Coil Lead Wire
(4)Armature Bushing
(5)Armature
(6)Yoke
(7)Idle Gear (3)
(8)Gear Shaft
(9)Lightly Grease with Lubriplate Lubricant GM P/N 1050109
(10)Internal Gear Assembly
(11)Solenoid
(12)Lightly Grease with Lubriplate Lubricant GM P/N 1050109
(13)Pinion Drive Lever Seal
(14)Pinion Drive Lever Plate
(15)Pinion Drive Lever
(16)Lightly Grease with Lubriplate Lubricant GM P/N 1050109
(17)Drive Housing
(18)Overrunning Clutch Retaining Ring
(19)Overrunning Clutch Stop Ring
(20)Idle Gear Retainer
(21)Commutator End
(22)Brush Springs
(23)Brush Holder