GM Service Manual Online
For 1990-2009 cars only
Figure 1:

Cell 20: Power and Ground


Object Number: 261499  Size: FS
Figure 2:

Cell 20: MIL and DLC


Object Number: 261502  Size: FS
Figure 3:

Cell 20: Ignition System


Object Number: 261503  Size: FS
Figure 4:

Cell 20: CKP Sensor and Starter Signal


Object Number: 261504  Size: FS
Figure 5:

Cell 20: Fuel Supply System


Object Number: 261508  Size: FS
Figure 6:

Cell 20: Fuel Injectors


Object Number: 261511  Size: FS
Figure 7:

Cell 20: Engine Data Sensors


Object Number: 261520  Size: FS
Figure 8:

Cell 20: HO2S


Object Number: 261542  Size: FS
Figure 9:

Cell 20: EVAP and EGR System


Object Number: 261545  Size: FS
Figure 10:

Cell 20: Idle Air Control


Object Number: 261551  Size: FS
Figure 11:

Cell 20: A/T VSS and 4-Speed TCC


Object Number: 261554  Size: FS
Figure 12:

Cell 20: A/T Data Input 1


Object Number: 261556  Size: FS
Figure 13:

Cell 20: A/T Data Input 2


Object Number: 261558  Size: FS
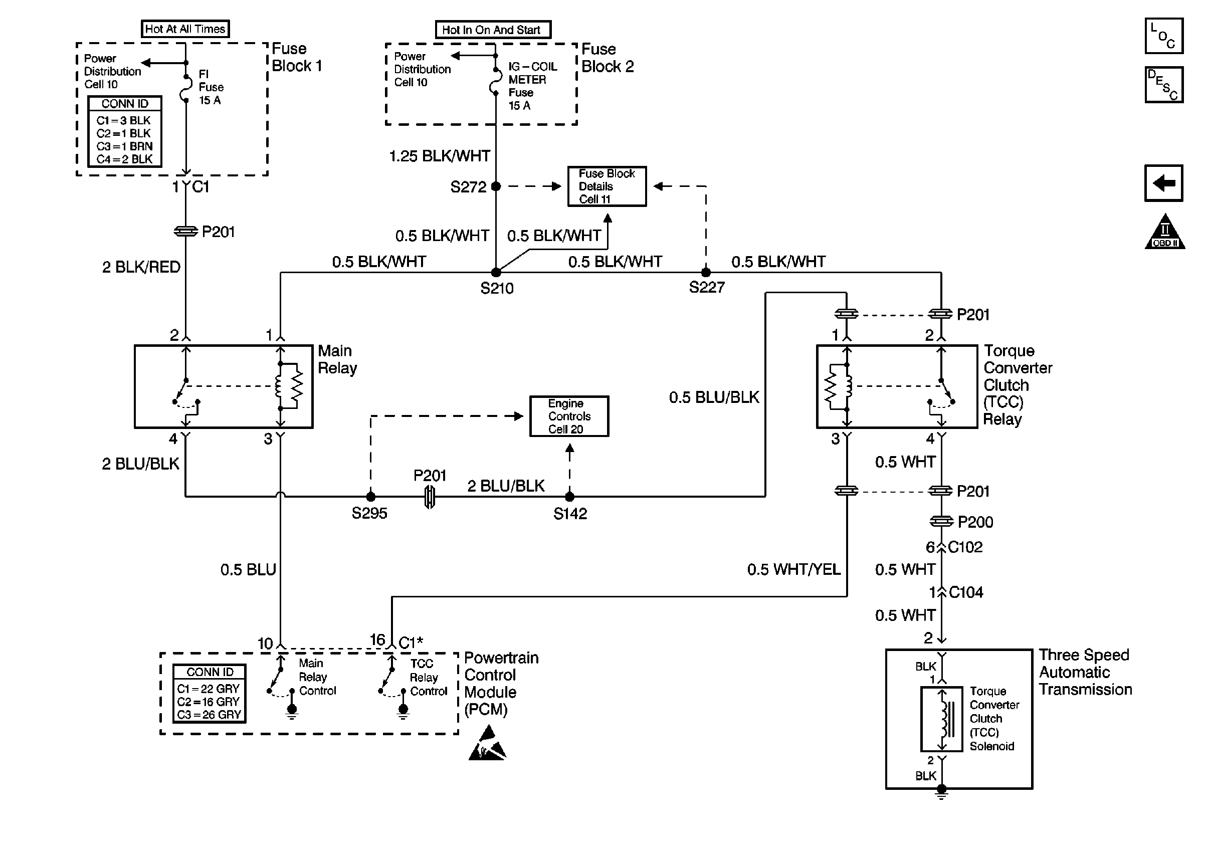
Figure 14:

Cell 20: A/T 3-Speed TCC


Object Number: 261560  Size: FS