GM Service Manual Online
For 1990-2009 cars only
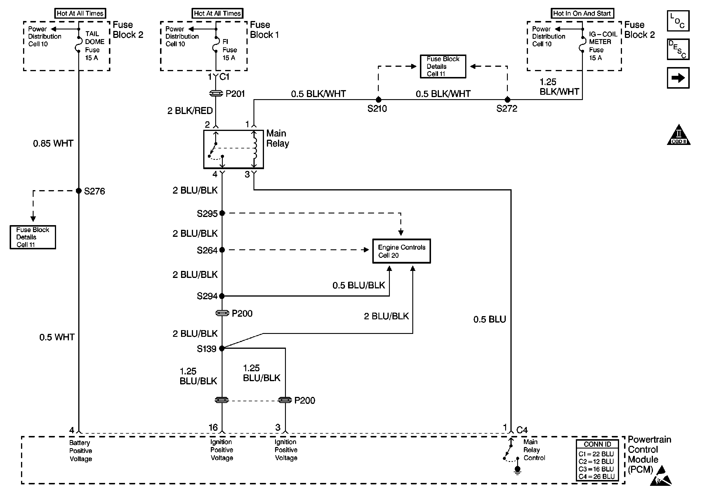
Figure 1:

Cell 39: PCM, Main Relay, Fuse Block 1, and Fuse Block 2


Object Number: 264415  Size: FS
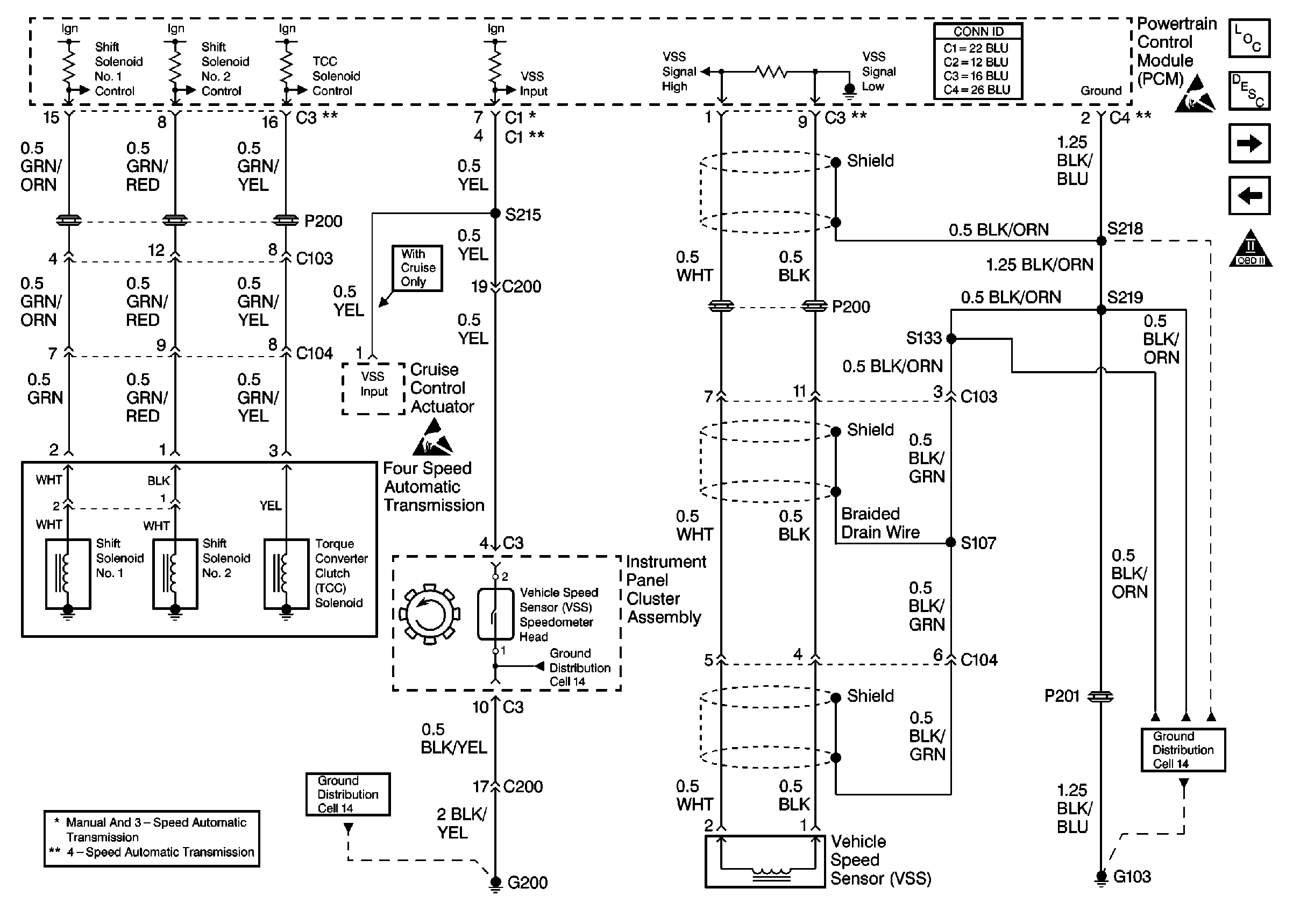
Figure 2:

Cell 39: PCM, VSS, I/P, TCC Solenoid, Shift Solenoid No. 1, and Shift Solenoid No. 2


Object Number: 261554  Size: FS
Figure 3:

Cell 39: PCM, I/P, Transmission Range Switch, Fuse Block 2, and Stoplamp Switch


Object Number: 261556  Size: FS
Figure 4:

Cell 39: PCM, Four Wheel Drive Low Switch, Power/Normal Switch, and Overdrive Switch


Object Number: 261558  Size: FS