GM Service Manual Online
For 1990-2009 cars only
Figure 1:

Cell 44: EBCM, Lamp Driver Relay, I/P, EBCR, Fuse Block 1, and Fuse Block 2


Object Number: 246166  Size: FS
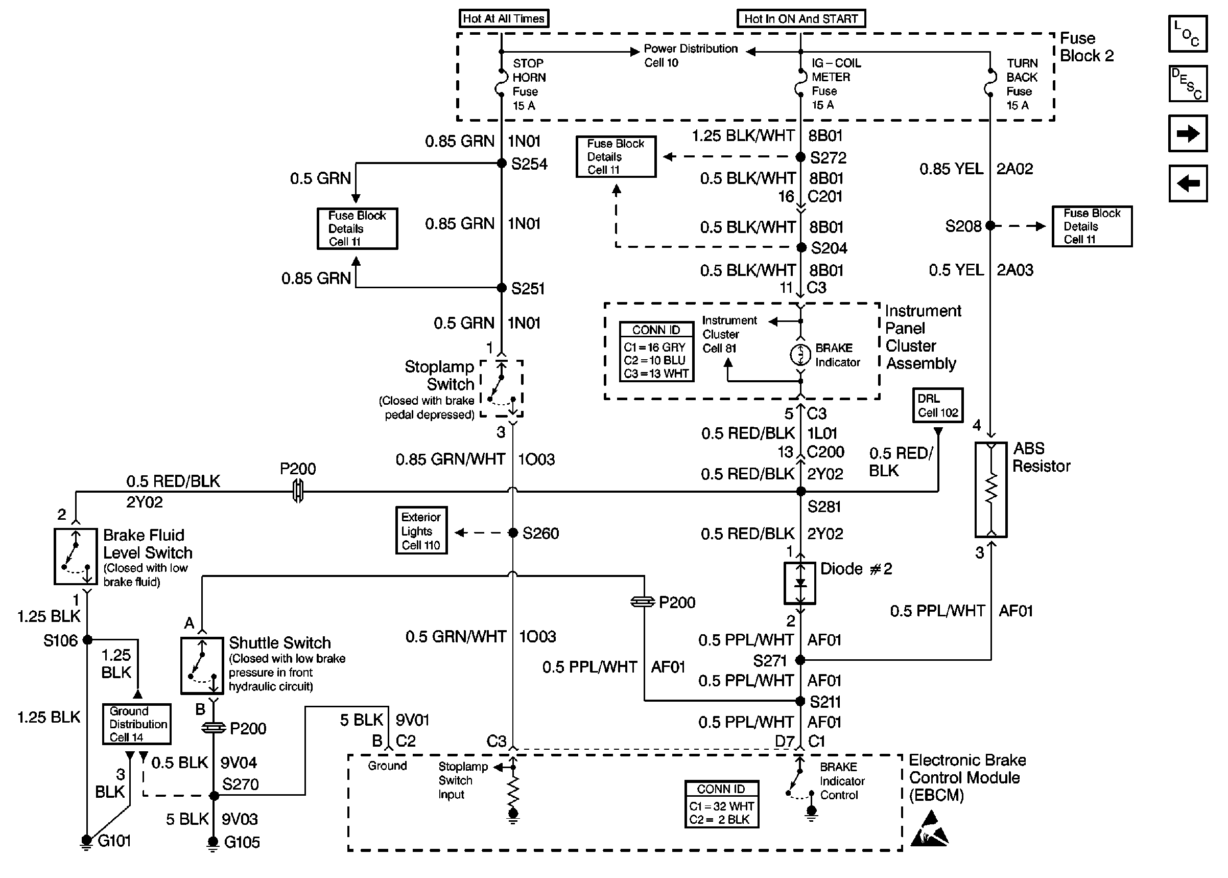
Figure 2:

Cell 44: EBCM, Shuttle switch, Brake Fluid Level Switch, Stoplamp Switch, Fuse Block 2, Diode No. 2, I/P, and ABS Resistor


Object Number: 246167  Size: FS
Figure 3:

Cell 44: Rear Wheel Speed Sensor, LF and RF Wheel Speed Sensors, EBCM, LH and RH ABS Solenoids, and ABS Motor Pack Assembly


Object Number: 246169  Size: FS
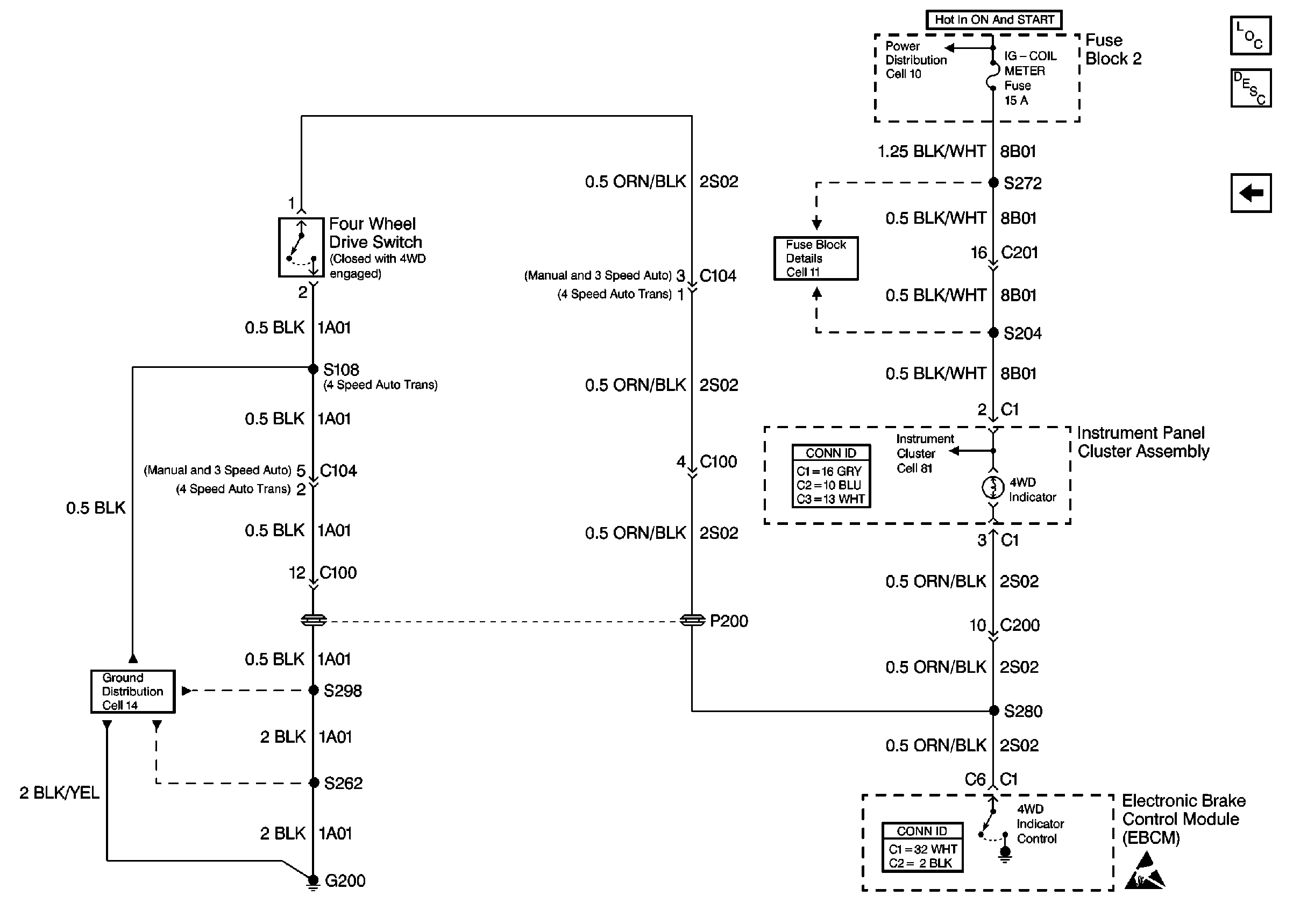
Figure 4:

Cell 44: EBCM, Four Wheel Drive Switch, I/P, and Fuse Block 2


Object Number: 246171  Size: FS