GM Service Manual Online
For 1990-2009 cars only
Makes
🢒
Chevrolet
🢒
1998
🢒
Tracker - 2WD
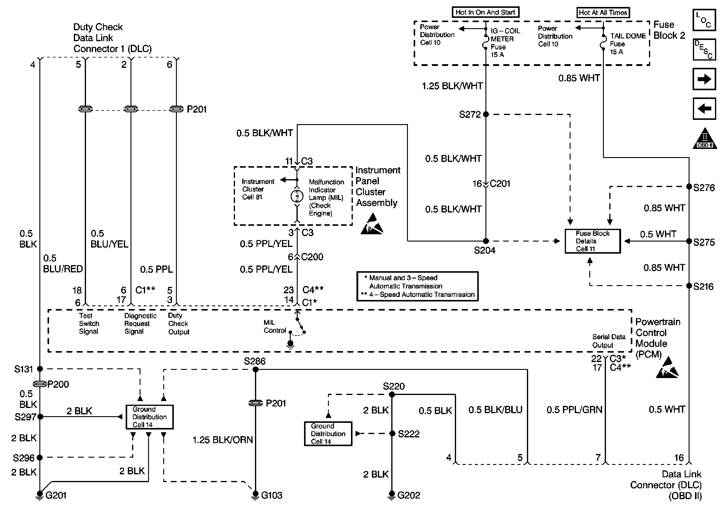
🢒 Cell 20: MIL and DLC
Cell 20: MIL and DLC
Cell 20: MIL and DLC