GM Service Manual Online
For 1990-2009 cars only
Makes
🢒
Chevrolet
🢒
1998
🢒
Tracker - 2WD
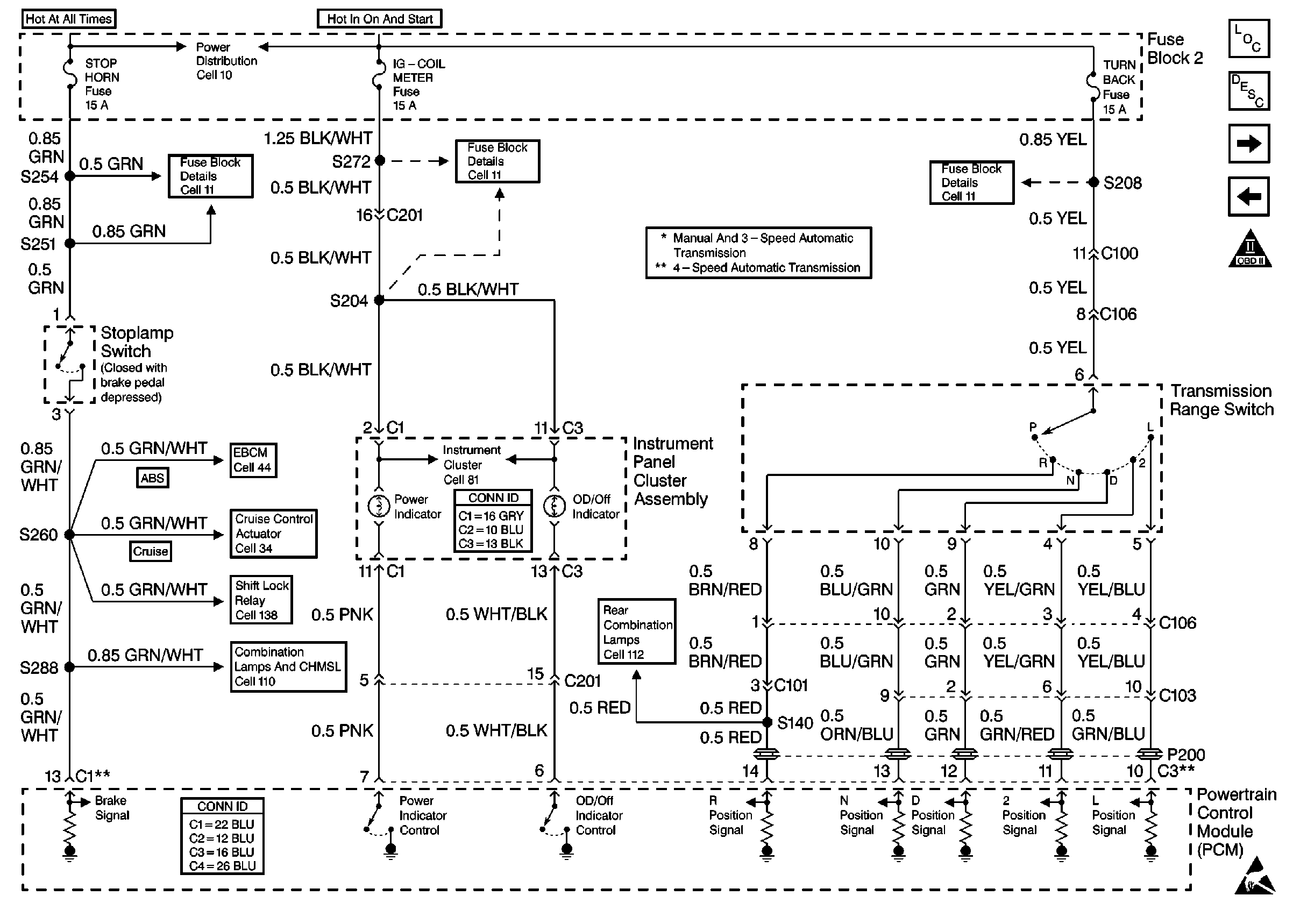
🢒 Cell 20: A/T Data Input 1
Cell 20: A/T Data Input 1
Cell 20: A/T Data Input 1