GM Service Manual Online
For 1990-2009 cars only
Makes
🢒
Chevrolet
🢒
1999
🢒
Tracker - 2WD
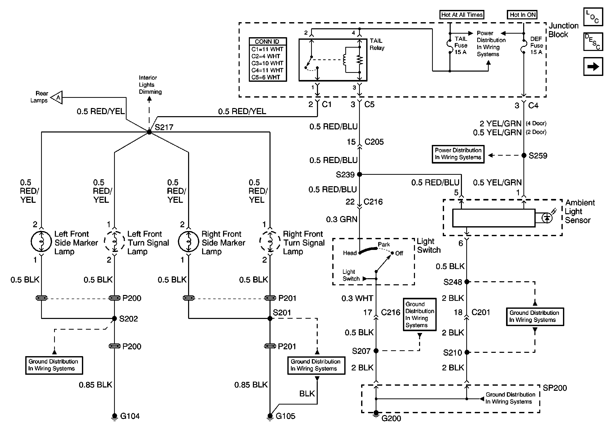
🢒 Front Park Lamps
Front Park Lamps
Front Park Lamps
Lighting Systems Components
Exterior Lights Circuit Description
Rear Parklamps
CIG, DEF and P/W Fuses
CIG, DEF and P/W Fuses
G200-G201
G200 (2 of 2)
G104
G105
G200 (1 of 2)