GM Service Manual Online
For 1990-2009 cars only

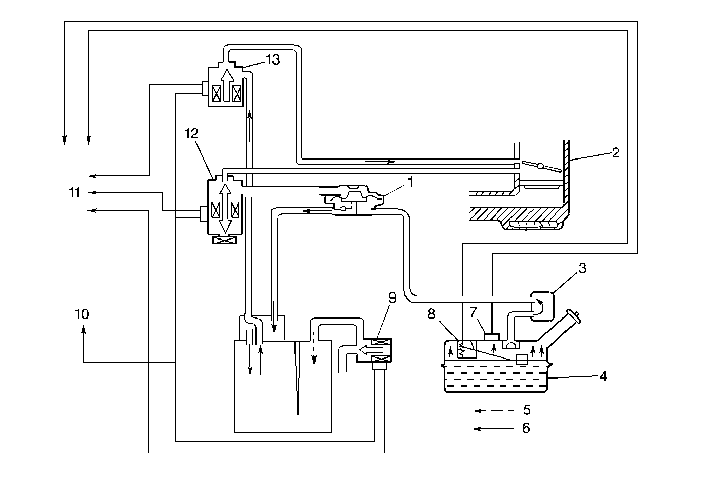
Object Number: 418121  Size: MF
(1)Fuel Tank Pressure Control Valve
(2)Throttle Body
(3)Fuel Vapor Canister
(4)Fuel Tank
(5)Air
(6)Vapor and Air
(7)Fuel Tank Pressure Sensor
(8)Fuel Level Sensor
(9)EVAP Canister Vent Valve
(10)Ignition Voltage
(11)To PCM
(12)EVAP Tank Pressure Control Solenoid Vacuum Valve
(13)EVAP Canister Purge Valve

The evaporative emission (EVAP) control system limits fuel vapor emissions to the atmosphere. The EVAP system transfers the fuel vapor from a sealed fuel tank to an activated carbon (charcoal) storage device (EVAP canister). The EVAP canister will store the fuel vapors until the engine is able to use them.

When the engine is able to use the extra fuel vapor, the fuel vapor is purged from the carbon element by intake air flow and consumed in the normal combustion process.

The enhanced evaporative emission (EVAP) system is required to detect evaporative fuel system leaks as small as 0.040 inch between the fuel filler cap and the purge valve. The system can test the evaporative emission system integrity by applying a vacuum signal, ported or manifold, to the fuel tank. This will create a small vacuum that can be monitored for leaks.

Enhanced Evaporative Emission (EVAP) Control System

The EVAP control system prevents the emission of the fuel vapors.

The fuel vapor generated in the fuel tank while driving or idling, passes through a tank pressure control valve and enters the EVAP canister where a charcoal element absorbs and stores the fuel vapor.

The enhanced EVAP canister is purged, or cleaned, in the same way as a non-enhanced EVAP canister.

The tank pressure control valve operates as follows:

    • When the EVAP tank pressure control valve closes under the following conditions, the vapor passage of the tank pressure control valve also closes.
    • The engine is OFF.
    • The engine is running, the vehicle is stopped and the fuel level is higher than the specified value.

Therefore, when the pressure of the fuel vapor generated in the fuel tank becomes more than the specified pressure, the tank pressure control valve opens and the fuel vapors enter the EVAP canister.

However, when the engine is running and the fuel level is lower or higher than the specified value, the EVAP tank pressure control valve is turned ON by the PCM and the vacuum is applied to the diaphragm of the tank pressure control valve. With vacuum applied to the diaphragm, the tank pressure control valve opens, equalizing the pressure between the fuel tank and the EVAP canister.

The EVAP canister vent valve and the fuel tank pressure sensor are provided so that the PCM can diagnose fuel vapor leakage from the EVAP control system. The EVAP canister vent valve is usually open but is closed by the PCM when checking for any leakage.

Results of Incorrect Operation of the EVAP System

Poor idle, stalling, and poor driveability can be caused by the following conditions:

    • A damaged EVAP canister
    • Hoses that are split, cracked or incorrectly connected to the proper tubes
    • A malfunctioning purge valve

Evidence of fuel loss or fuel vapor odor can be caused by the following conditions:

    • Liquid fuel leaking from fuel pipes
    • A cracked or damaged EVAP canister
    • Disconnected, misrouted, kinked, deteriorated or damaged vapor hoses
    • Broken or leaking solenoids and components