GM Service Manual Online
For 1990-2009 cars only

    Object Number: 467907  Size: SH
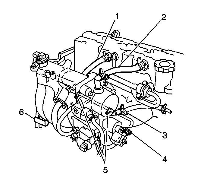
  1. Remove the coolant hoses (3, 4) from the throttle body and intake manifold.
  2. Remove the 2 bolts (5) and the coolant line from underside of the intake manifold.
  3. Remove the PCV hose (1) from the intake manifold.
  4. Remove the breather hose (2) from the intake manifold.
  5. Remove the fuel pressure regulator vacuum hose from the intake manifold.
  6. Remove the bolt that holds the fuel line bracket (6) to the intake manifold.
  7. Remove the 2 bolts that hold the fuel lines to the fuel rail.
  8. Remove the banjo fitting and washer from the rear end of the fuel rail.

  9. Object Number: 468062  Size: SH
  10. Remove the 2 bolts and the intake manifold top support bracket (5).
  11. Remove the 2 bolts and the intake manifold front support bracket (8).
  12. Remove the 9 nuts and 4 bolts from the intake manifold.
  13. Remove the intake manifold from the cylinder head.
  14. Remove the intake manifold gasket from the cylinder head.