GM Service Manual Online
For 1990-2009 cars only
Makes
🢒
Chevrolet
🢒
2000
🢒
Tracker - 2WD
🢒
Restraints
🢒
Seat Belts
🢒 Seat Belt Schematics
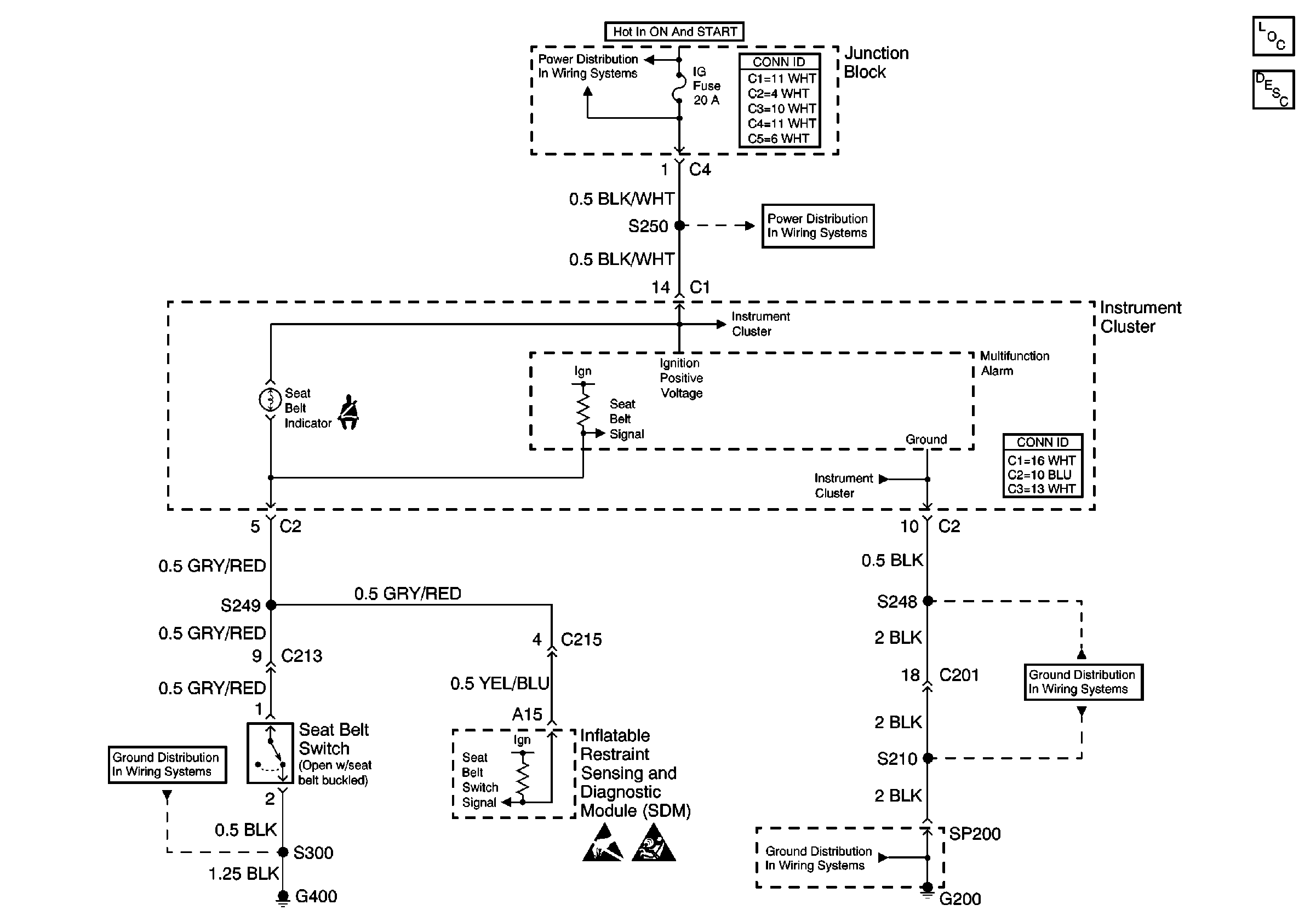
Seat Belt Components
Seat Belt System Circuit Description
G200 (1 of 2)
IG, TURN and WIP Fuses
IG, TURN and WIP Fuses
G200 (1 of 2)
Seat Belt Schematic Icons
Handling ESD Sensitive Parts Notice
G400 and G401