GM Service Manual Online
For 1990-2009 cars only
Makes
🢒
Chevrolet
🢒
2000
🢒
Tracker - 2WD
🢒
Body and Accessories
🢒
Doors
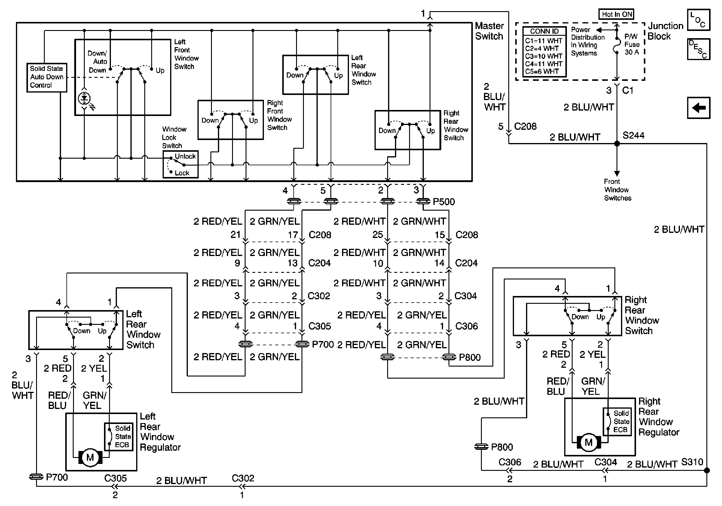
🢒 Power Window Schematics
Figure
1:
Front Windows
Power Door Systems Components
Power Windows Circuit Description
Rear Windows
CIG, DEF and P/W Fuses
G200 (1 of 2)
G200 (1 of 2)
Figure
2:
Rear Windows
Power Door Systems Components
Power Windows Circuit Description
Front Windows
CIG, DEF and P/W Fuses