GM Service Manual Online
For 1990-2009 cars only
Makes
🢒
Chevrolet
🢒
2000
🢒
Tracker - 2WD
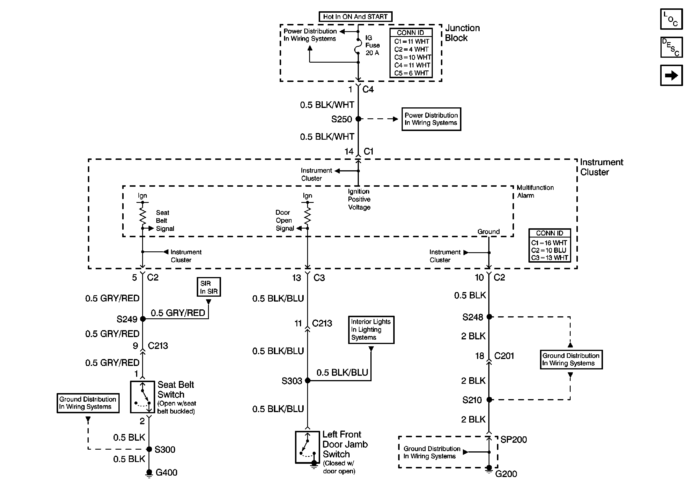
🢒 Multifunction Alarm and Seat Belt/Jamb Switches
Multifunction Alarm and Seat Belt/Jamb Switches
Multifunction Alarm and Seat Belt/Jamb Switches
Audible Warnings Components
Audible Warnings Circuit Description
Ignition Switch, Tail Relay, and Turn Signal/Headlamp Switch
IG, TURN and WIP Fuses
IG, TURN and WIP Fuses
G200 (1 of 2)
G200 (1 of 2)
2 Door DRL, Dome Lamp Diode
SIR Schematics
G400 and G401