GM Service Manual Online
For 1990-2009 cars only
Makes
🢒
Chevrolet
🢒
2000
🢒
Tracker - 2WD
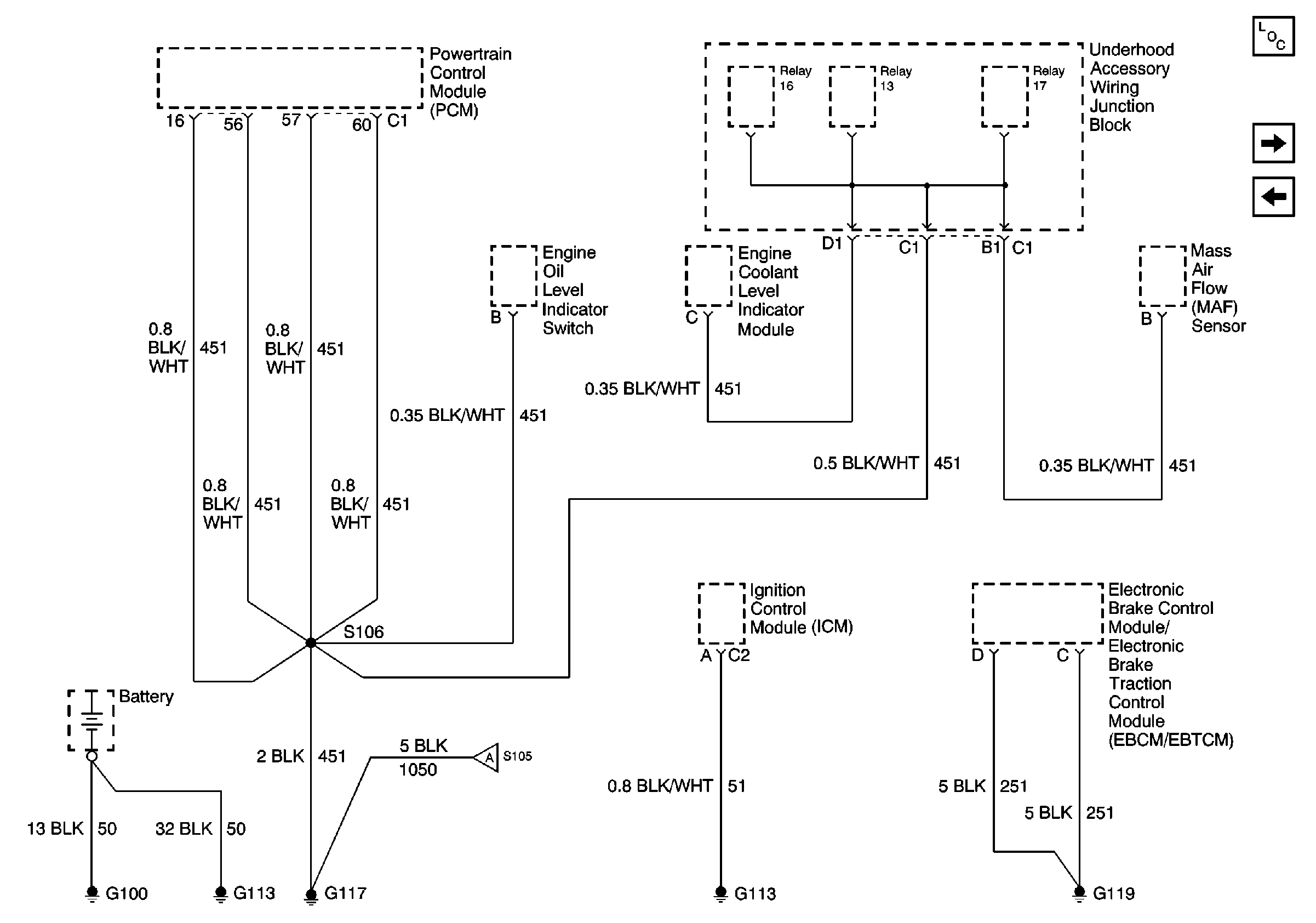
🢒 G100, G113, G117 and G119, 1 of 2
G100, G113, G117 and G119, 1 of 2
G100, G113, G117 and G119, 1 of 2
Power and Grounding Components
G113, 2of 2
G101, Headlamps, Rear Fog Lamps, Side Repeater Lamps and Horn
G113, 2of 2