GM Service Manual Online
For 1990-2009 cars only
Makes
🢒
Chevrolet
🢒
2000
🢒
Tracker - 2WD
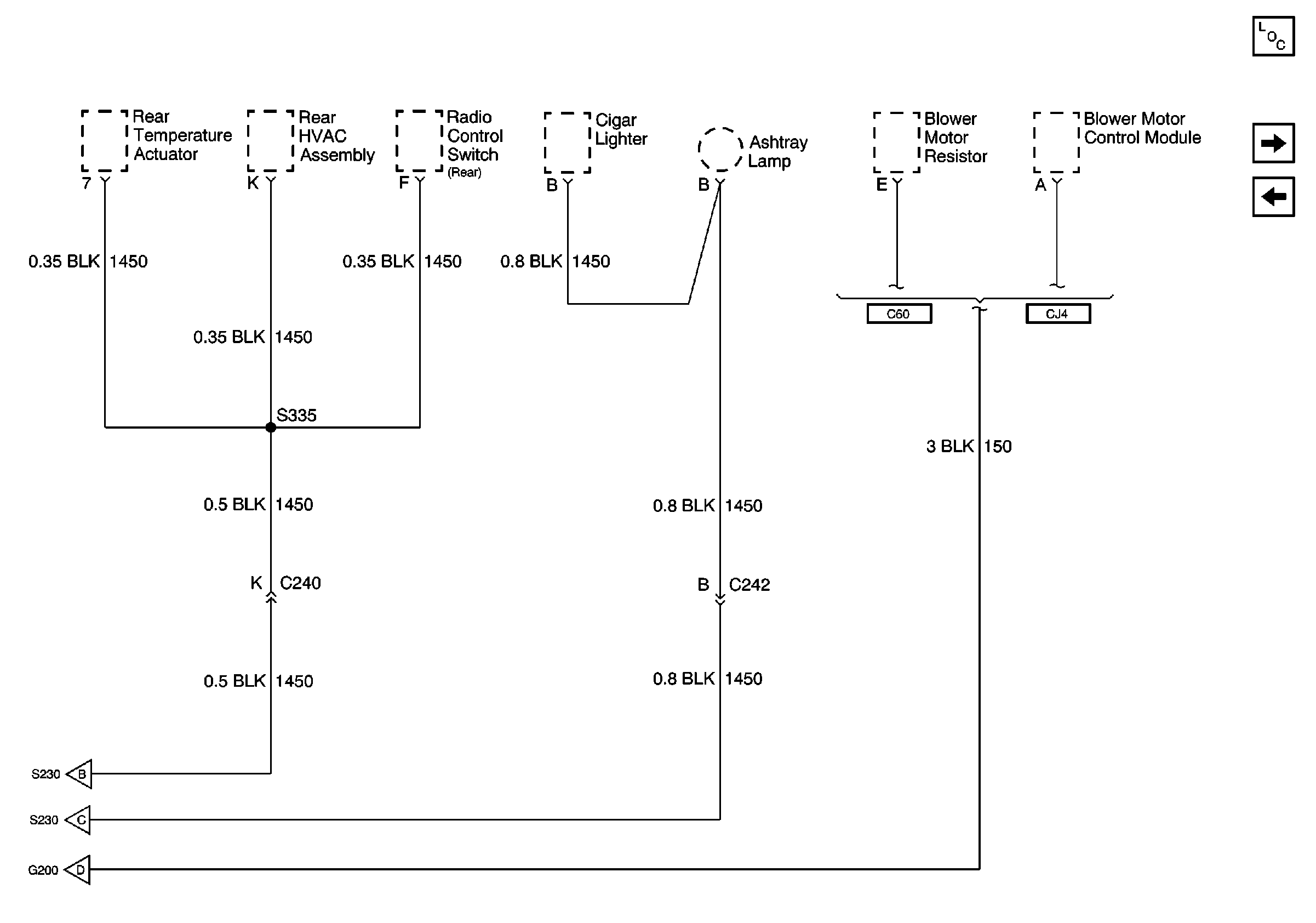
🢒 G200, 2 of 2
G200, 2 of 2
G200, 2 of 2
Power and Grounding Components
G201
G200, 1 of 2
G200, 1 of 2