GM Service Manual Online
For 1990-2009 cars only

Removal Procedure

  1. Relieve the fuel pressure. Refer to Fuel Pressure Relief in Engine Controls.
  2. Caution: Unless directed otherwise, the ignition and start switch must be in the OFF or LOCK position, and all electrical loads must be OFF before servicing any electrical component. Disconnect the negative battery cable to prevent an electrical spark should a tool or equipment come in contact with an exposed electrical terminal. Failure to follow these precautions may result in personal injury and/or damage to the vehicle or its components.

  3. Disconnect the negative battery cable.
  4. Drain the cooling system. Refer to Cooling System Draining and Filling in Engine Cooling.
  5. Remove the air cleaner hose.

  6. Object Number: 465396  Size: SH
  7. Remove the 1 bolt and the throttle cable bracket (2) from the intake manifold.
  8. Remove the cables from the throttle body bellcrank and position aside.

  9. Object Number: 464748  Size: SH

    Important: The vehicle should be supported on a hoist prior to removing the strut tower brace. This will facilitate installation of the brace.

  10. Remove the strut tower brace. Refer to Front Suspension Support Brace Replacement in Front Suspension.

  11. Object Number: 468060  Size: MH
  12. Disconnect the following electrical connectors:
  13. • The manifold absolute pressure (MAP) sensor (11)
    • The throttle position sensor (TPS) (8)
    • The idle air control (IAC) valve (6)
    • The EVAP canister purge valve (7)
    • The engine coolant temperature (ECT) sensor (2)
    • The exhaust gas recirculation (EGR) valve (1)
    • The fuel injector harness (3)
  14. Disconnect the ground wires from the intake manifold (10)
  15. Remove the EVAP canister purge hose from the intake manifold.
  16. Remove the EVAP vacuum line from the intake manifold.
  17. Remove the 1 bolt and the EVAP canister purge valve from the intake manifold and position aside.
  18. Remove the coolant hoses (4,5) from the throttle body and intake manifold.
  19. Remove the 2 bolts and the coolant line (5) from underside of the intake manifold.
  20. Remove the brake booster hose from the intake manifold.
  21. Remove the PCV hose from the intake manifold.
  22. Remove the breather hose from the intake manifold.
  23. Remove the fuel hoses from the fuel lines (9). Mark the pressure and return lines for correct assembly.
  24. Disconnect the wiring harness from the retaining clamps.

  25. Object Number: 467908  Size: SH
  26. Remove the 2 bolts and the intake manifold front support bracket.

  27. Object Number: 464715  Size: SH
  28. Remove the oxygen sensor connector from the exhaust manifold bracket. Disconnect the oxygen sensor.
  29. Remove the exhaust manifold-to-engine block bracket.
  30. Remove the 8 nuts and 1 bolt from the exhaust manifold. Detach the exhaust manifold from the cylinder head and position aside. Refer to Exhaust Manifold Replacement in Engine Exhaust.

  31. Object Number: 488782  Size: SH
  32. Remove the heater hoses from the heater core. Mark the location of the hoses for correct installation.

  33. Object Number: 464737  Size: SH
  34. Apply matchmarks (4) to the camshaft position sensor and the cylinder head and remove the camshaft position sensor.
  35. Remove the spark plugs. Refer to Spark Plug Replacement in Engine Controls - 2.0L.
  36. Remove the cylinder head cover. Refer to Cylinder Head Cover Replacement .
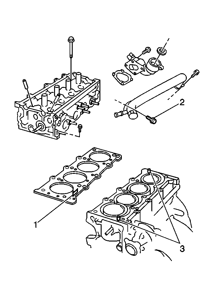
  37. Remove the timing chain housing. Refer to Timing Chain Housing Replacement .
  38. Remove the camshaft timing chain and sprockets. Refer to Timing Chain and Sprockets Replacement - Camshaft .
  39. Remove the crankshaft timing chain and sprockets. Refer to Timing Chain and Sprockets Replacement - Crankshaft .
  40. Remove the intake camshaft and the valve lifters. Keep the valve lifters in the correct order for assembly. Refer to Intake Camshaft and Valve Lifter Replacement .
  41. Remove the exhaust camshaft and the valve lifters. Keep the valve lifters in the correct order for assembly. Refer to Exhaust Camshaft and Valve Lifter Replacement .

  42. Object Number: 465902  Size: SH

    Notice: In order to prevent warpage of the cylinder head, follow the sequence shown whenever removing or installing the head.

  43. Remove the 11 cylinder head bolts in the sequence shown.

  44. Object Number: 475593  Size: MH
  45. Remove the cylinder head with the intake manifold attached.
  46. Remove the cylinder head dowel pins (3).
  47. Remove the cylinder head gasket (1).
  48. Remove the following components from the cylinder head and transfer as necessary:
  49. • The cylinder head oil control valve
    • The fuel injector and rail assembly
    • The intake manifold
    • The coolant outlet pipe
    • The coolant outlet cap

    Object Number: 466302  Size: SH
  50. Inspect the cylinder head for cracks, warpage or other damage. Refer to Cylinder Head Cleaning and Inspection .
  51. Replace the cylinder head if the cylinder block mating surface warpage exceeds 0.05 mm (0.002 in).
  52. Replace the cylinder head if the manifold mating surface warpage exceeds 0.10 mm (0.004 in).
  53. Clean the cylinder head mating surface.
  54. Clean the cylinder block mating surface.
  55. Clean the cylinder head bolt threads and bolts. Replace any stretched or damaged bolts.
  56. Clean the cylinder block bolt holes of all debris, threadlocker, sealant etc. Installing a bolt to a blocked bolt hole will cause incorrect torque and may cause cylinder head/block damage.
  57. Inspect that the oil control valve in the cylinder head is clean and that the check ball is free.

Installation Procedure

  1. Install the following components to the cylinder head as necessary:
  2. • The cylinder head oil control valve
    • The fuel injector and rail assembly
    • The intake manifold
    • The coolant outlet pipe
    • The coolant outlet cap
  3. Install the cylinder head dowel pins (3).

  4. Object Number: 475593  Size: MH
  5. Install the new cylinder head gasket to the cylinder block. The gasket is marked TOP (1).
  6. Install the cylinder head with the intake manifold attached to the cylinder block.

  7. Object Number: 465906  Size: SH

    Important: The cylinder head bolts must be torqued in 2 stages, loosened, and then retorqued in 3 stages in order to ensure against compression and coolant leaks.

    Notice: Use the correct fastener in the correct location. Replacement fasteners must be the correct part number for that application. Fasteners requiring replacement or fasteners requiring the use of thread locking compound or sealant are identified in the service procedure. Do not use paints, lubricants, or corrosion inhibitors on fasteners or fastener joint surfaces unless specified. These coatings affect fastener torque and joint clamping force and may damage the fastener. Use the correct tightening sequence and specifications when installing fasteners in order to avoid damage to parts and systems.

    Notice: In order to prevent warpage of the cylinder head, follow the sequence shown whenever removing or installing the head.

  8. Apply clean engine oil to the bolt threads and install the cylinder head bolts.
  9. Tighten
    Tighten the cylinder head bolts (1-10) in the sequence shown to 53 N·m (39 lb ft).

  10. Tighten the cylinder head bolts (1-10).
  11. Tighten
    Tighten the cylinder head bolts (1-10) in the sequence shown to 84 N·m (61 lb ft).


    Object Number: 465902  Size: SH
  12. Loosen the cylinder head bolts in the sequence shown to 0 torque.

  13. Object Number: 465906  Size: SH
  14. Tighten the cylinder head bolts (1-10).
  15. Tighten
    Tighten the cylinder head bolts (1-10) in the sequence shown to 53 N·m (39 lb ft).

  16. Tighten the cylinder head bolts (1-10).
  17. Tighten
    Tighten the cylinder head bolts (1-10) in the sequence shown to 84 N·m (61 lb ft).

  18. Tighten the cylinder head bolts (1-10).
  19. Tighten
    Tighten the cylinder head bolts (1-10) in the sequence shown to 105 N·m (76 lb ft).

  20. Tighten the M6 cylinder head bolt (11).
  21. Tighten
    Tighten the M6 cylinder head bolt (11) to 11 N·m (97 lb in).

  22. Install the valve lifters and the intake camshaft. Refer to Intake Camshaft and Valve Lifter Replacement .
  23. Install the valve lifters and the exhaust camshaft. Refer to Exhaust Camshaft and Valve Lifter Replacement .
  24. Install the crankshaft timing chain. Refer to Timing Chain and Sprockets Replacement - Crankshaft .
  25. Install the camshaft timing chain. Refer to Timing Chain and Sprockets Replacement - Camshaft .
  26. Install the timing chain housing. Refer to Timing Chain Housing Replacement .
  27. Install the cylinder head cover. Refer to Cylinder Head Cover Replacement .
  28. Install the spark plugs. Refer to Spark Plug Replacement in Engine Controls - 2.0L.

  29. Object Number: 464737  Size: SH
  30. Align the matchmarks (4) and install the camshaft position sensor to the rear end of the exhaust camshaft. The sensor shaft is offset and can only be installed 1 way. Refer to Camshaft Position Sensor Replacement in Engine Controls.

  31. Object Number: 488782  Size: SH
  32. Install the heater hoses to the heater core.

  33. Object Number: 464715  Size: SH
  34. Install the exhaust manifold to the cylinder head using a new gasket. Refer to Exhaust Manifold Replacement in Engine Exhaust.
  35. Install the exhaust manifold-to-engine block bracket.
  36. Install the oxygen sensor connector to the exhaust manifold bracket. Connect the oxygen sensor.

  37. Object Number: 467908  Size: SH
  38. Install the intake manifold front support bracket.

  39. Object Number: 468060  Size: MH
  40. Install the fuel hoses to the fuel lines (9).
  41. Install the coolant line (5) to the underside of the intake manifold. Secure with the 2 bolts.
  42. Install the coolant hoses (4,5) to the throttle body and the intake manifold.
  43. Install the EVAP canister purge valve to the intake manifold. Secure with the bolt.
  44. Install the EVAP vacuum line to the intake manifold.
  45. Install the EVAP canister purge hose to the intake manifold.
  46. Install the brake booster hose to the intake manifold.
  47. Install the PCV hose to the intake manifold.
  48. Install the breather hose to the intake manifold.
  49. Connect the following electrical connectors:
  50. • The fuel injector harness (3)
    • The manifold absolute pressure (MAP) sensor (11)
    • The throttle position sensor (TPS) (8)
    • The idle air control (IAC) valve (6)
    • The EVAP canister purge valve (7)
    • The exhaust gas recirculation (EGR) valve (1)
    • The engine coolant temperature (ECT) sensor (2)
  51. Connect the ground wires to the intake manifold (10)
  52. Connect the wiring harness to the retaining clamps.

  53. Object Number: 465396  Size: SH
  54. Install the throttle cables to the throttle body bellcrank.
  55. Install the throttle cable bracket (2) to the intake manifold. Secure with the 1 bolt.
  56. Install the air cleaner hose.

  57. Object Number: 464748  Size: SH
  58. Install the strut tower brace. Refer to Front Suspension Support Brace Replacement in Front Suspension.
  59. Fill the cooling system. Refer to Cooling System Draining and Filling in Engine Cooling.
  60. Connect the negative battery cable.
  61. Adjust the ignition timing as necessary. Refer to Ignition System Timing Adjustment in Engine Controls.