GM Service Manual Online
For 1990-2009 cars only

Power Steering Pump Replacement 2.0L

Removal Procedure

    Notice: Do not start the vehicle with any power steering gear inlet or outlet hoses disconnected. When disconnected, plug or cap all openings of components. Failure to do so could result in contamination or loss of power steering fluid and damage to the system.

    Important: 

       • Thoroughly clean the pump housing before removing the hose and the pipe.
       • Place a drain pan under the power steering pump in order to catch any escaping fluid.


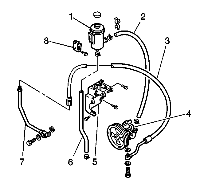
    Object Number: 738069  Size: SH
  1. Loosen the hose clamp and remove the power steering reservoir outlet hose (2) from the power steering pump (3).
  2. Remove the reservoir (1) with the outlet hose (2) from the vehicle. Refer to Remote Power Steering Fluid Reservoir Replacement .
  3. Remove the fitting from the power steering pump and from the power steering gear inlet hose (8).
  4. Remove the 2 gaskets and the power steering gear inlet hose from the pump.
  5. Disconnect the connector from the power steering pressure switch.
  6. Remove the power steering pump drive belt. Refer to Generator and Air Conditioning Compressor and Power Steering Pump Belt Replacement in Engine Mechanical - 2.0L.
  7. Remove the 3 bolts from the power steering pump.
  8. Remove the power steering pump from the vehicle.

Installation Procedure


    Object Number: 738069  Size: SH

    Notice: Use the correct fastener in the correct location. Replacement fasteners must be the correct part number for that application. Fasteners requiring replacement or fasteners requiring the use of thread locking compound or sealant are identified in the service procedure. Do not use paints, lubricants, or corrosion inhibitors on fasteners or fastener joint surfaces unless specified. These coatings affect fastener torque and joint clamping force and may damage the fastener. Use the correct tightening sequence and specifications when installing fasteners in order to avoid damage to parts and systems.

  1. Install the power steering pump (3) to the vehicle. Install the 3 bolts in order to retain the pump to the bracket (4).
  2. Tighten
    Tighten the bolts to 25 N·m (18.5 lb ft).

  3. Connect the connector to the power steering pressure switch.
  4. Notice: The inlet and outlet hoses must not be twisted during installation. Do not bend or distort the inlet or outlet hoses to make installation easier. Failure to follow these procedures could result in component damage.

  5. Install the power steering gear inlet hose (8) to the power steering pump.
  6. Secure the power steering gear inlet hose to the pump with the 2 gaskets and the fitting.
  7. Tighten
    Tighten the fitting to 60 N·m (43.5 lb ft).

  8. Install the reservoir (1) with the outlet hose (2) to the vehicle. Refer to Remote Power Steering Fluid Reservoir Replacement .
  9. Install the power steering reservoir outlet hose to the power steering pump. Install the hose clamp in order to retain the hose to the pump.
  10. Install the power steering pump drive belt. Refer to Generator and Air Conditioning Compressor and Power Steering Pump Belt Replacement in Engine Mechanical - 2.0L.
  11. Notice: When adding fluid or making a complete fluid change, always use the proper power steering fluid. Failure to use the proper fluid will cause hose and seal damage and fluid leaks.

  12. Add power steering fluid to the reservoir. Refer to Checking and Adding Power Steering Fluid .
  13. Notice: If the power steering system has been serviced, an accurate fluid level reading cannot be obtained unless air is bled from the steering system. The air in the fluid may cause pump cavitation noise and may cause pump damage over a period of time.

  14. Bleed the power steering system. Refer to Power Steering System Bleeding .

Power Steering Pump Replacement 1.6L

Removal Procedure

  1. If the vehicle has A/C, remove the A/C compressor. Refer to Air Conditioning Compressor Replacement in HVAC Systems - Manual.

  2. Object Number: 738067  Size: SH

    Notice: Do not start the vehicle with any power steering gear inlet or outlet hoses disconnected. When disconnected, plug or cap all openings of components. Failure to do so could result in contamination or loss of power steering fluid and damage to the system.

    Important: 

       • Thoroughly clean the pump housing before removing the hoses.
       • Place a drain pan under the power steering pump in order to catch any escaping fluid.

  3. Remove the power steering reservoir outlet hose (2) from the pump (4).
  4. Remove the reservoir (1) with the outlet hose (2). Refer to Remote Power Steering Fluid Reservoir Replacement .
  5. Remove the fitting from the pump and from the power steering gear inlet hose (3).
  6. Remove the 2 gaskets and the power steering gear inlet hose from the pump.
  7. Disconnect the connector from the power steering pressure switch.
  8. Remove the power steering pump drive belt. Refer to Drive Belt Replacement in Engine Mechanical - 1.6L.
  9. Remove the 2 bolts from the power steering pump.
  10. Remove the power steering pump from the vehicle.

Installation Procedure


    Object Number: 738067  Size: SH

    Notice: Use the correct fastener in the correct location. Replacement fasteners must be the correct part number for that application. Fasteners requiring replacement or fasteners requiring the use of thread locking compound or sealant are identified in the service procedure. Do not use paints, lubricants, or corrosion inhibitors on fasteners or fastener joint surfaces unless specified. These coatings affect fastener torque and joint clamping force and may damage the fastener. Use the correct tightening sequence and specifications when installing fasteners in order to avoid damage to parts and systems.

  1. Install the power steering pump (4) to the vehicle. Install the 2 bolts in order to retain the pump to the bracket.
  2. Tighten
    Tighten the bolts to 25 N·m (18.5 lb ft).

  3. Connect the connector to the power steering pressure switch.
  4. Notice: The inlet and outlet hoses must not be twisted during installation. Do not bend or distort the inlet or outlet hoses to make installation easier. Failure to follow these procedures could result in component damage.

  5. Install the power steering gear inlet hose (3), the 2 gaskets, and the fitting to the pump.
  6. Tighten
    Tighten the fitting to 60 N·m (43.5 lb ft).

  7. Install the power steering fluid reservoir (1) with the reservoir outlet hose (2). Refer to Remote Power Steering Fluid Reservoir Replacement .
  8. Install the reservoir outlet hose to the power steering pump. Install the hose clamp in order to retain the hose to the pump.
  9. If the vehicle has A/C, install the A/C compressor. Refer to Air Conditioning Compressor Replacement in HVAC Systems - Manual.
  10. Install the power steering pump drive belt. Adjust the drive belt. Refer to Drive Belt Replacement in Engine Mechanical - 1.6L.
  11. Notice: When adding fluid or making a complete fluid change, always use the proper power steering fluid. Failure to use the proper fluid will cause hose and seal damage and fluid leaks.

  12. Add power steering fluid to the reservoir. Refer to Checking and Adding Power Steering Fluid .
  13. Notice: If the power steering system has been serviced, an accurate fluid level reading cannot be obtained unless air is bled from the steering system. The air in the fluid may cause pump cavitation noise and may cause pump damage over a period of time.

  14. Bleed the power steering system. Refer to Power Steering System Bleeding .

Power Steering Pump Replacement 2.5L

Removal Procedure

    Notice: Do not start the vehicle with any power steering gear inlet or outlet hoses disconnected. When disconnected, plug or cap all openings of components. Failure to do so could result in contamination or loss of power steering fluid and damage to the system.

    Important: 

       • Thoroughly clean the pump housing before removing the hose and the pipe.
       • Place a drain pan under the power steering pump in order to catch any escaping fluid.


    Object Number: 738073  Size: SH
  1. Loosen the hose clamp and remove the power steering reservoir outlet hose (2) from the power steering pump (3).
  2. Remove the reservoir (1) with the outlet hose (2) from the vehicle. Refer to Remote Power Steering Fluid Reservoir Replacement .
  3. Remove the fitting from the power steering pump and from the power steering gear inlet hose (4).
  4. Remove the 2 gaskets and the power steering gear inlet hose from the pump.
  5. Disconnect the connector from the power steering pressure switch.
  6. Remove the power steering pump drive belt. Refer to Drive Belt Replacement - Air Conditioning Compressor and Power Steering in Engine Mechanical - 2.5L.
  7. Remove the 3 bolts from the power steering pump.
  8. Remove the power steering pump from the vehicle.

Installation Procedure


    Object Number: 738073  Size: SH

    Notice: Use the correct fastener in the correct location. Replacement fasteners must be the correct part number for that application. Fasteners requiring replacement or fasteners requiring the use of thread locking compound or sealant are identified in the service procedure. Do not use paints, lubricants, or corrosion inhibitors on fasteners or fastener joint surfaces unless specified. These coatings affect fastener torque and joint clamping force and may damage the fastener. Use the correct tightening sequence and specifications when installing fasteners in order to avoid damage to parts and systems.

  1. Install the power steering pump (3) to the vehicle. Install the 3 bolts in order to retain the pump to the bracket.
  2. Tighten
    Tighten the bolts to 25 N·m (18.5 lb ft).

  3. Connect the connector to the power steering pressure switch.
  4. Notice: The inlet and outlet hoses must not be twisted during installation. Do not bend or distort the inlet or outlet hoses to make installation easier. Failure to follow these procedures could result in component damage.

  5. Install the power steering gear inlet hose (4), the 2 gaskets, and the fitting to the power steering pump.
  6. Tighten
    Tighten the fitting to 60 N·m (43.5 lb ft).

  7. Install the power steering fluid reservoir (1) with the reservoir outlet hose (2) to the vehicle. Refer to Remote Power Steering Fluid Reservoir Replacement .
  8. Install the outlet hose to the power steering pump. Install the hose clamp in order to retain the hose to the pump.
  9. Install the power steering pump drive belt. Refer to Drive Belt Replacement - Air Conditioning Compressor and Power Steering in Engine Mechanical - 2.5L.
  10. Notice: When adding fluid or making a complete fluid change, always use the proper power steering fluid. Failure to use the proper fluid will cause hose and seal damage and fluid leaks.

  11. Add power steering fluid to the reservoir. Refer to Checking and Adding Power Steering Fluid .
  12. Notice: If the power steering system has been serviced, an accurate fluid level reading cannot be obtained unless air is bled from the steering system. The air in the fluid may cause pump cavitation noise and may cause pump damage over a period of time.

  13. Bleed the power steering system. Refer to Power Steering System Bleeding .