GM Service Manual Online
For 1990-2009 cars only

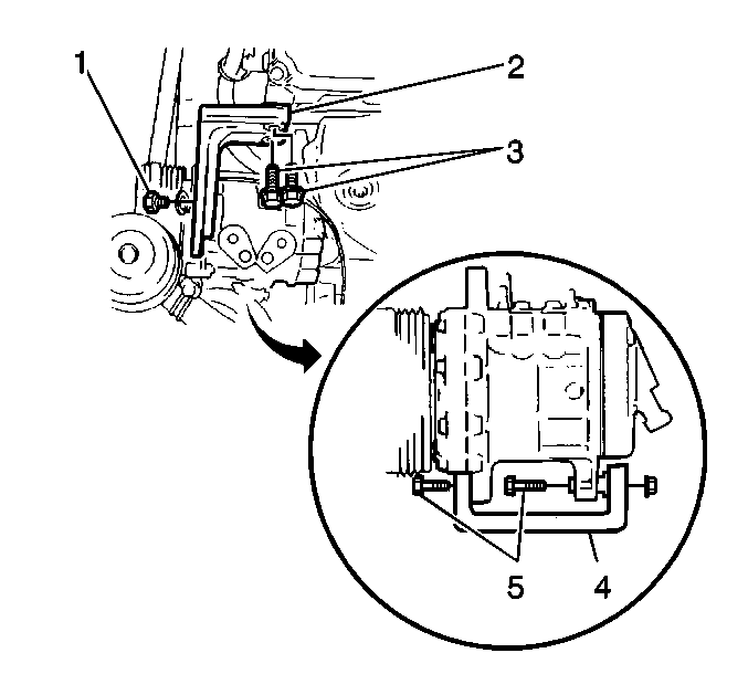
Compressor Mounting Bracket Replacement - Upper 1.6L

Removal Procedure


    Object Number: 345583  Size: SH
  1. Remove the 3 compressor upper mounting bracket bolts (1, 3).
  2. Remove the bracket (2) from the vehicle.

Installation Procedure


    Object Number: 345583  Size: SH

    Notice: Use the correct fastener in the correct location. Replacement fasteners must be the correct part number for that application. Fasteners requiring replacement or fasteners requiring the use of thread locking compound or sealant are identified in the service procedure. Do not use paints, lubricants, or corrosion inhibitors on fasteners or fastener joint surfaces unless specified. These coatings affect fastener torque and joint clamping force and may damage the fastener. Use the correct tightening sequence and specifications when installing fasteners in order to avoid damage to parts and systems.

  1. Install the compressor upper mounting bracket (2) and secure with the 3 bolts (1, 3).
  2. Tighten
    Tighten the compressor upper bracket bolts to 40-60 N·m (29-43 lb ft).

  3. Adjust the belt tension. Refer to Drive Belt Replacement in Engine Mechanical 1.6L.
  4. Tighten
    Tighten the compressor mounting bolts 23 N·m (17 lb ft).