GM Service Manual Online
For 1990-2009 cars only
Makes
🢒
Chevrolet
🢒
2001
🢒
Tracker - 2WD
🢒
Body and Accessories
🢒
Horns
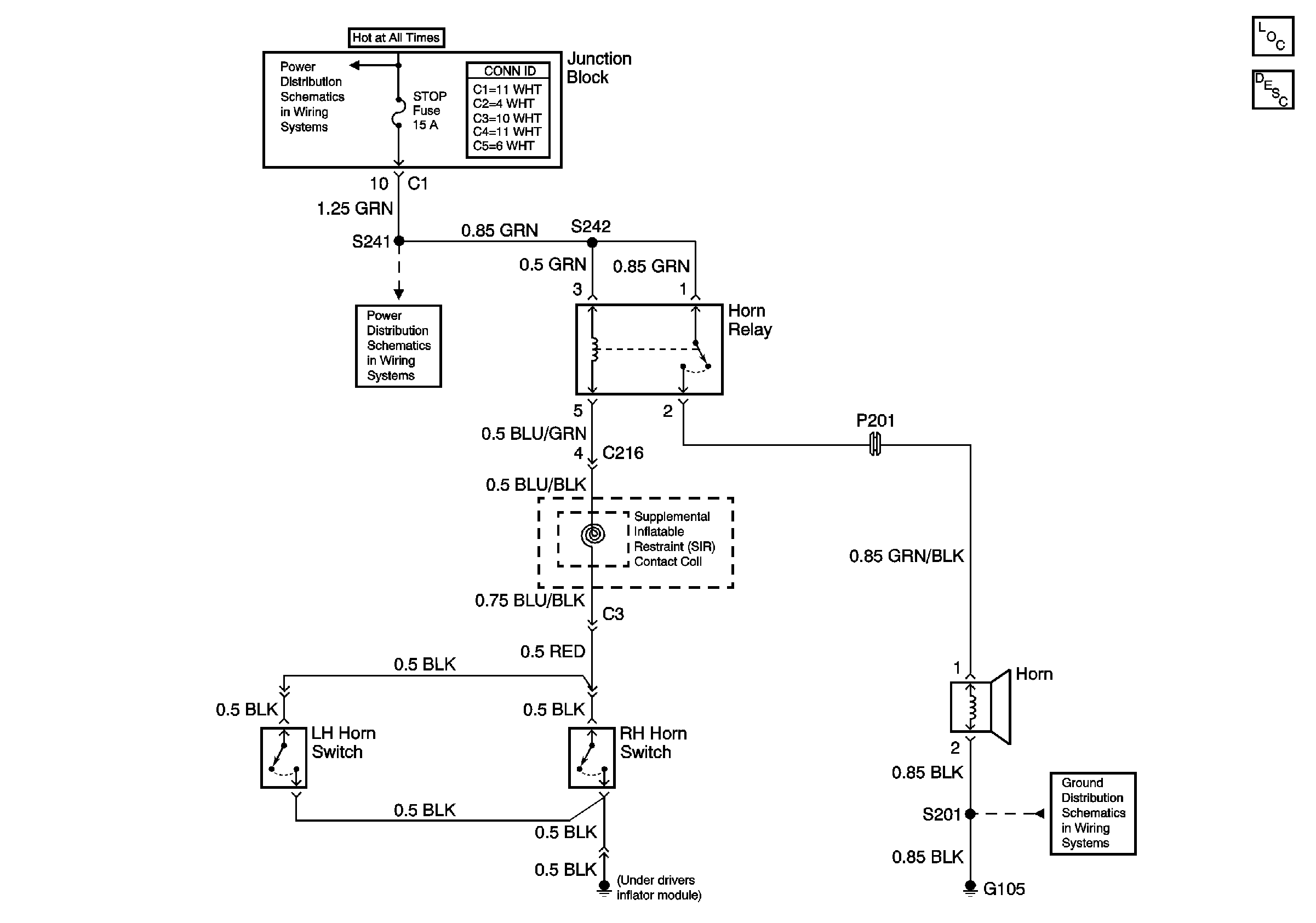
🢒 Horn Schematics
Master Electrical Component List
Horns System Description and Operation
G105
SIR Handling Caution
HAZ, D/L, TAIL, Stop and Dome Fuses
HAZ, D/L, TAIL, Stop and Dome Fuses