GM Service Manual Online
For 1990-2009 cars only
Makes
🢒
Chevrolet
🢒
2001
🢒
Tracker - 2WD
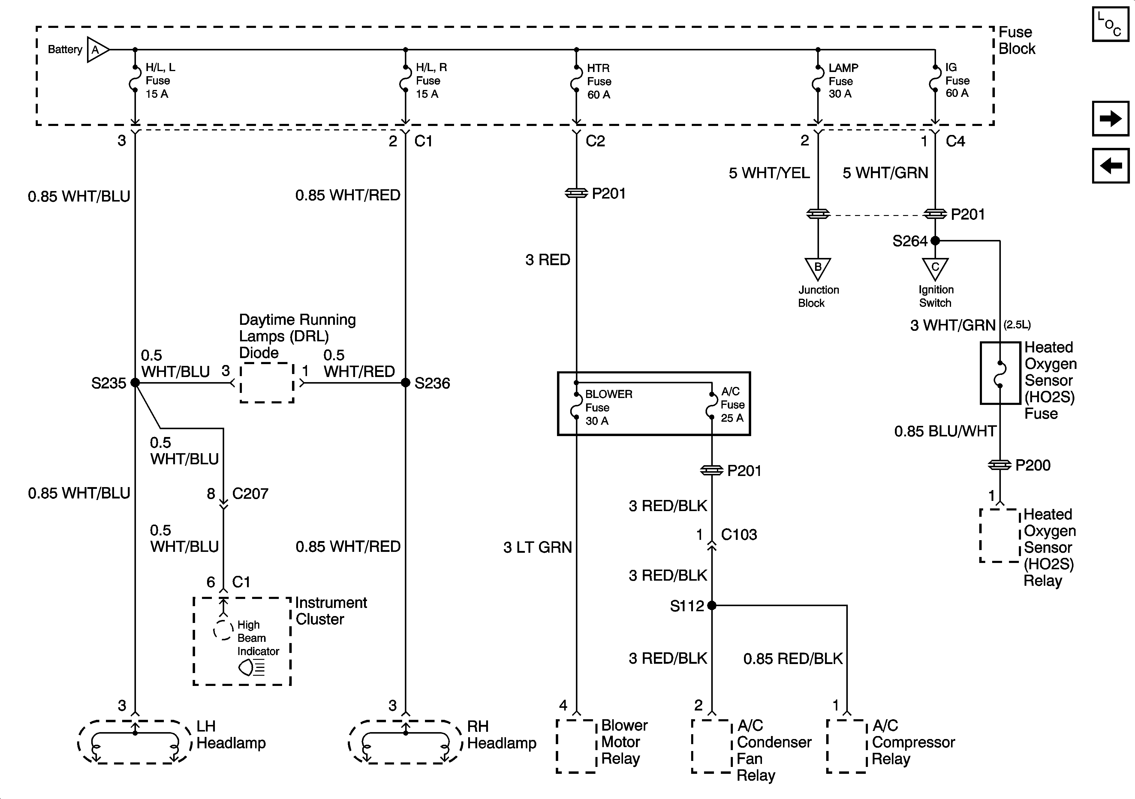
🢒 H/L, HTR, IG, and Lamp Fuses
H/L, HTR, IG, and Lamp Fuses
H/L, HTR, IG, and Lamp Fuses
Master Electrical Component List
BATT, ABS, FI and ACC Fuses
HAZ, D/L, TAIL, Stop and Dome Fuses
Ignition Switch and SIR Fuse
HAZ, D/L, TAIL, Stop and Dome Fuses
BATT, ABS, FI and ACC Fuses