GM Service Manual Online
For 1990-2009 cars only
Makes
🢒
Chevrolet
🢒
2001
🢒
Tracker - 2WD
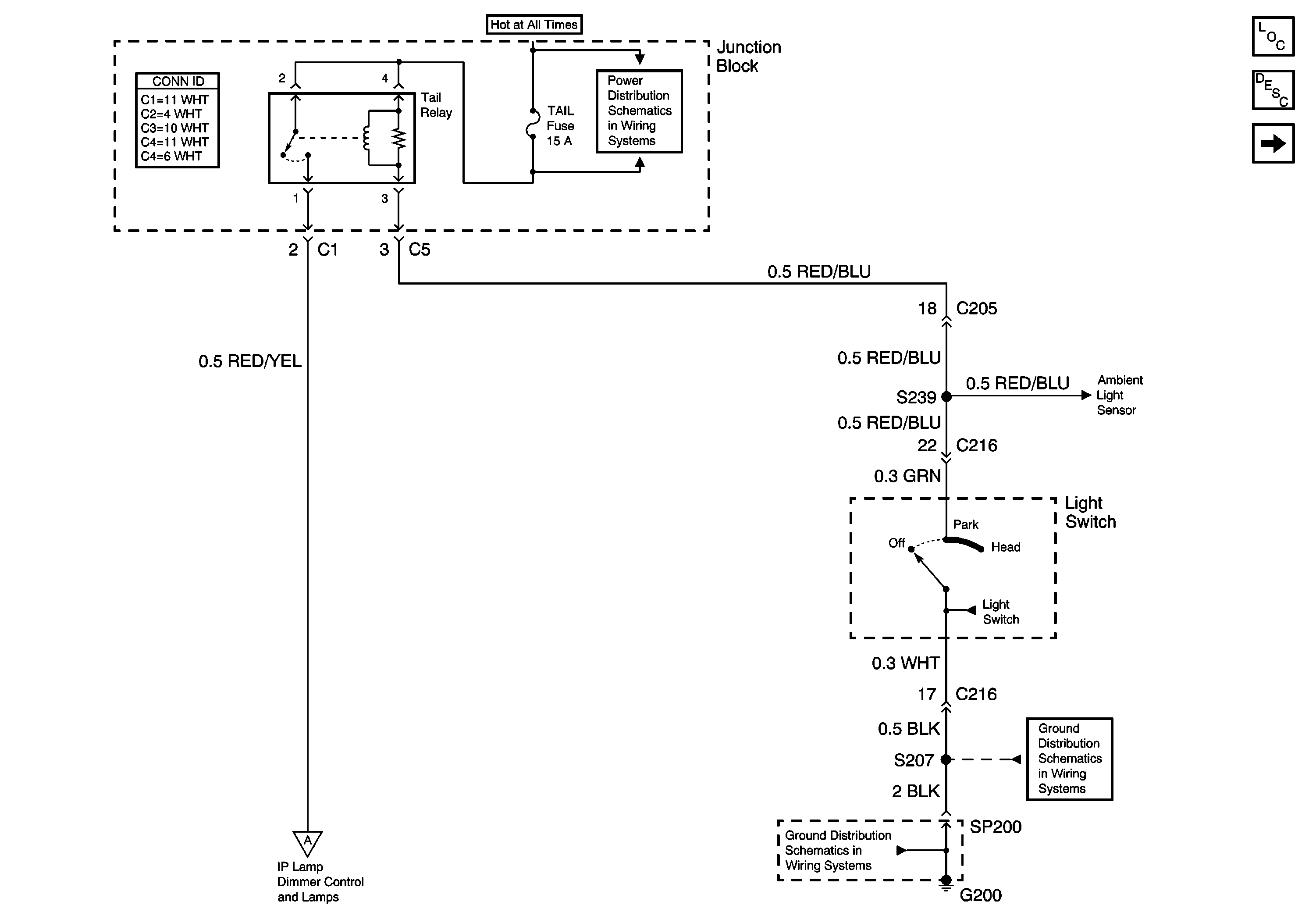
🢒 Tail Relay, Light Switch
Tail Relay, Light Switch
Tail Relay, Light Switch
Master Electrical Component List
Interior Lighting Systems Description and Operation
IP Lamp Dimmer Control, Shift Indicator Lamp
G200 and G201
G200 (1 of 2)
BATT, ABS, FI and ACC Fuses
IP Lamp Dimmer Control, Shift Indicator Lamp