GM Service Manual Online
For 1990-2009 cars only

Removal Procedure


    Object Number: 464727  Size: SH

    Caution: Unless directed otherwise, the ignition and start switch must be in the OFF or LOCK position, and all electrical loads must be OFF before servicing any electrical component. Disconnect the negative battery cable to prevent an electrical spark should a tool or equipment come in contact with an exposed electrical terminal. Failure to follow these precautions may result in personal injury and/or damage to the vehicle or its components.

  1. Disconnect the negative battery cable.
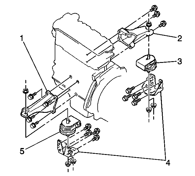
  2. Remove the nut from the top of the engine mount.
  3. If it is necessary to remove the engine block bracket (2), remove 1 bolt and the starter motor wire harness from the engine block bracket.
  4. Raise and support the vehicle. Refer to Lifting and Jacking the Vehicle in General Information.
  5. Support the engine using an engine support stand.
  6. Remove the 2 nuts from the bottom of the engine mount.
  7. Raise the engine slightly in order to provide clearance for the engine mount assembly removal.
  8. Remove the right side engine mount (3).
  9. If it is necessary to remove the engine block bracket (2), remove the 2 bolts from the bottom of the engine block-to-transmission bracket.
  10. Remove the 4 bolts and the engine block bracket (2).

  11. Remove the 4 bolts and the body mount bracket (4) (if necessary).

Installation Procedure


    Object Number: 464727  Size: SH

    Notice: Use the correct fastener in the correct location. Replacement fasteners must be the correct part number for that application. Fasteners requiring replacement or fasteners requiring the use of thread locking compound or sealant are identified in the service procedure. Do not use paints, lubricants, or corrosion inhibitors on fasteners or fastener joint surfaces unless specified. These coatings affect fastener torque and joint clamping force and may damage the fastener. Use the correct tightening sequence and specifications when installing fasteners in order to avoid damage to parts and systems.

  1. Install the body mount bracket (4) (if removed).
  2. Tighten
    Tighten the 4 bolts to 85 N·m (62 lb ft).

  3. Install the engine block bracket (2) and 4 bolts (if removed).
  4. Install the 2 bolts through the bottom of the engine block-to-transmission bracket.
  5. Tighten
    Tighten the 6 bolts to 50 N·m (37 lb ft).

  6. Install the right side engine mount (3).
  7. Lower the engine.
  8. Install the 2 right side engine mount nuts.
  9. Tighten
    Tighten the 2 nuts to 50 N·m (37 lb ft).

  10. Lower the vehicle.
  11. Install the starter motor wire harness to the engine block bracket (2) (if removed). Secure with the 1 bolt.
  12. Install the upper engine mount nut.
  13. Tighten
    Tighten the nut to 50 N·m (37 lb ft).

  14. Connect the negative battery cable.