GM Service Manual Online
For 1990-2009 cars only
Makes
🢒
Chevrolet
🢒
2002
🢒
Tracker - 2WD
🢒
Restraints
🢒
Seat Belts
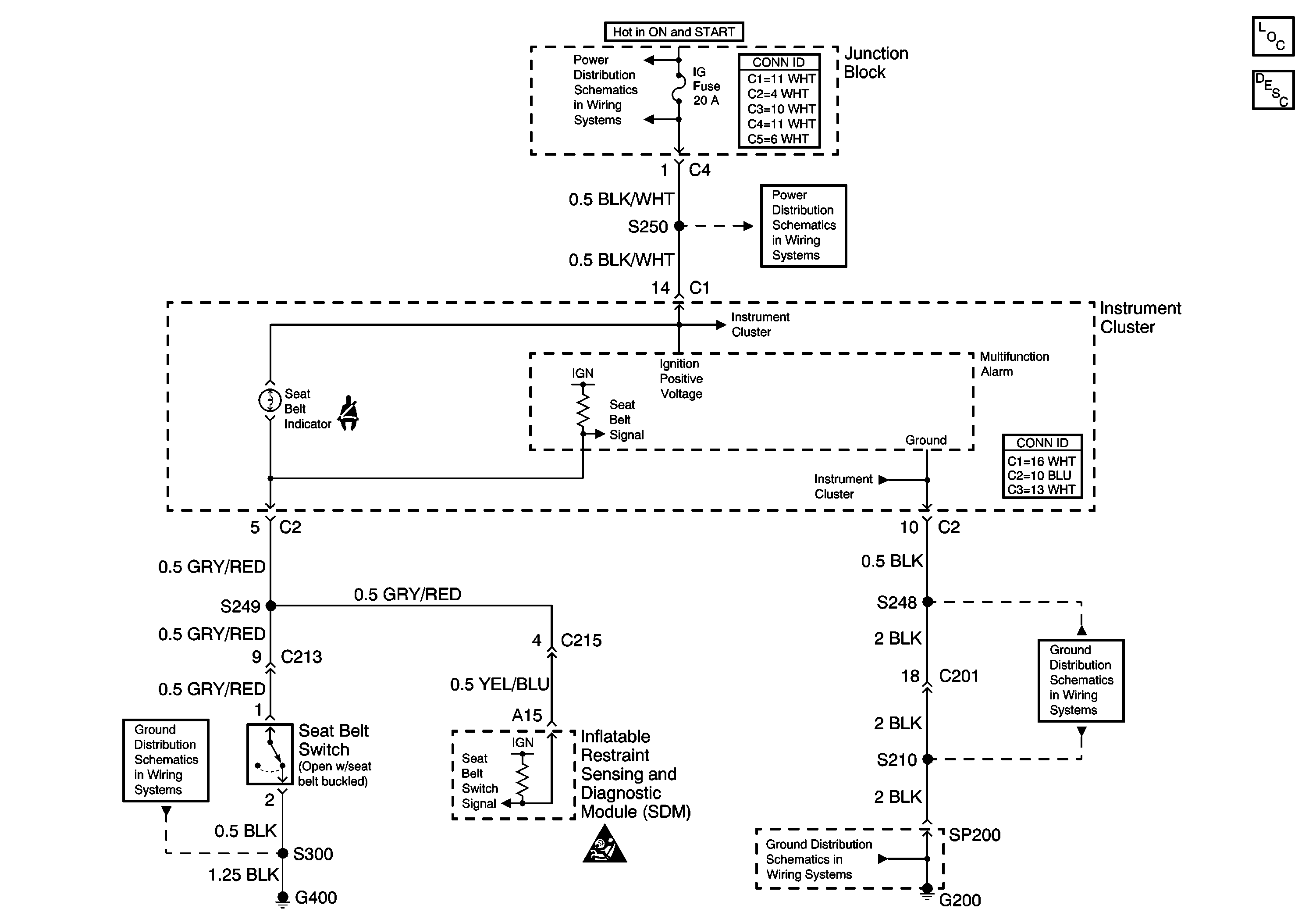
🢒 Seat Belt Schematics
Master Electrical Component List
Seat Belt System Description and Operation
G200 (2 of 2)
TURN, WIP Fuses
G200 (1 of 2)
G200 (2 of 2)
G400 and G401
SIR Handling Caution