GM Service Manual Online
For 1990-2009 cars only
Makes
🢒
Chevrolet
🢒
2002
🢒
Tracker - 2WD
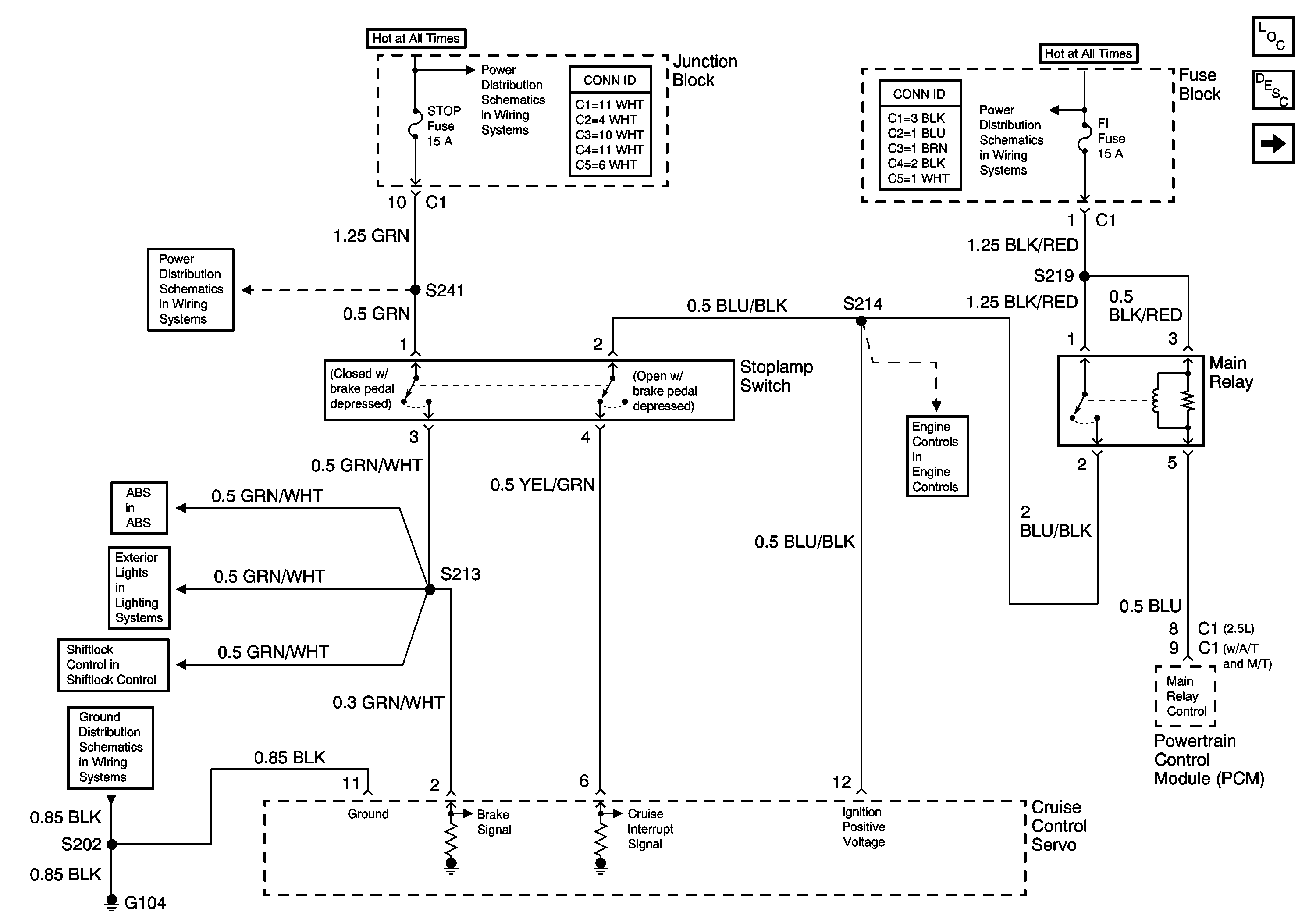
🢒 G104, Stop Fuse, Stop Lamp Switch, and F1 Fuse
G104, Stop Fuse, Stop Lamp Switch, and F1 Fuse
G104, Stop Fuse, Stop Lamp Switch, and F1 Fuse
Master Electrical Component List
Cruise Control Description and Operation
Cruise Control Release Switch and Transmission Range Switch
BATT, ABS, FI and ACC Fuses
Idle Air Control (IAC) Valve, Mass Air Flow (MAF) Sensor, Vehicle SPeED Sensor (VSS)
HAZ, D/L, TAIL, Stop and Dome Fuses
HAZ, D/L, TAIL, Stop and Dome Fuses
Brake Fluid Level Indicator, Brake Indicator and Stoplamp Switch
Center High Mount Stoplamp (CHMSL)
Shiftlock Control With Cruise Control
G104