GM Service Manual Online
For 1990-2009 cars only
Makes
🢒
Chevrolet
🢒
2002
🢒
Tracker - 2WD
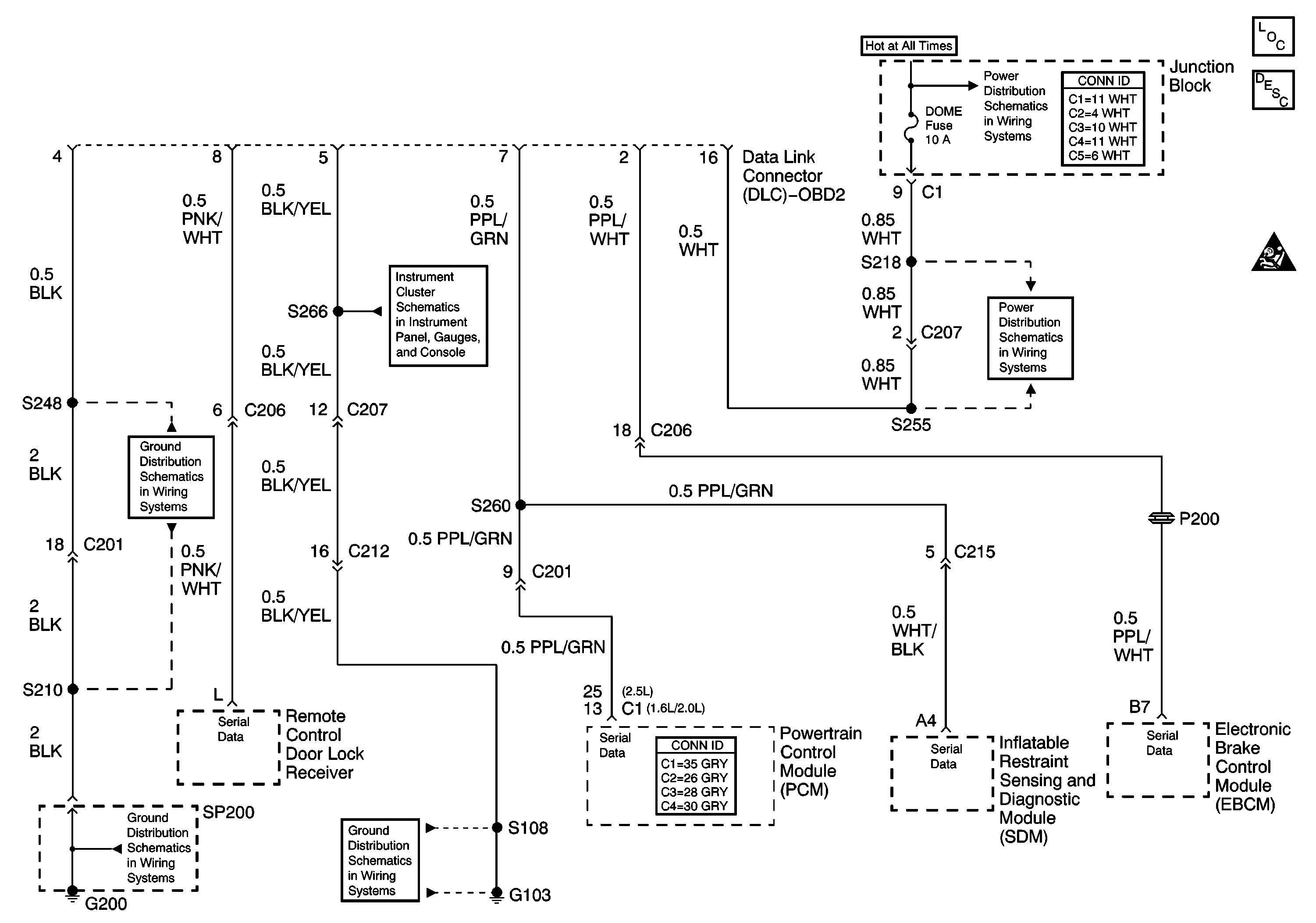
🢒 DLC Schematics
DLC Schematics
Master Electrical Component List
Data Link Communications Description and Operation
HAZ, D/L, TAIL, STOP, DOME Fuses
HAZ, D/L, TAIL, STOP, DOME Fuses
G200 (1 of 2)
G200 (1 of 2)