GM Service Manual Online
For 1990-2009 cars only
Makes
🢒
Chevrolet
🢒
2003
🢒
Tracker - 2WD
🢒
Body and Accessories
🢒
Doors
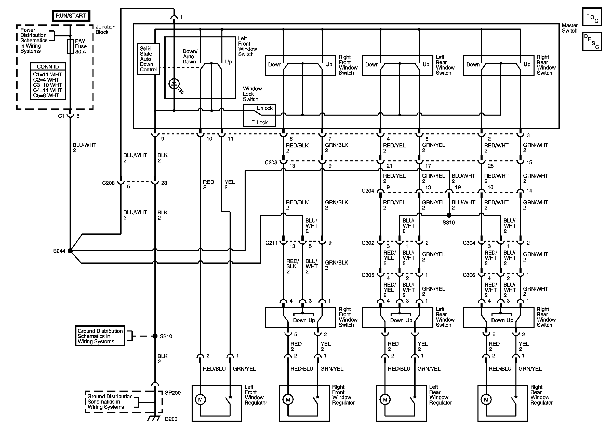
🢒 Power Window Schematics
Master Electrical Component List
Power Windows Description and Operation
CIG, DEF, P/W Fuses
G200
G200