GM Service Manual Online
For 1990-2009 cars only
Makes
🢒
Chevrolet
🢒
2003
🢒
Tracker - 2WD
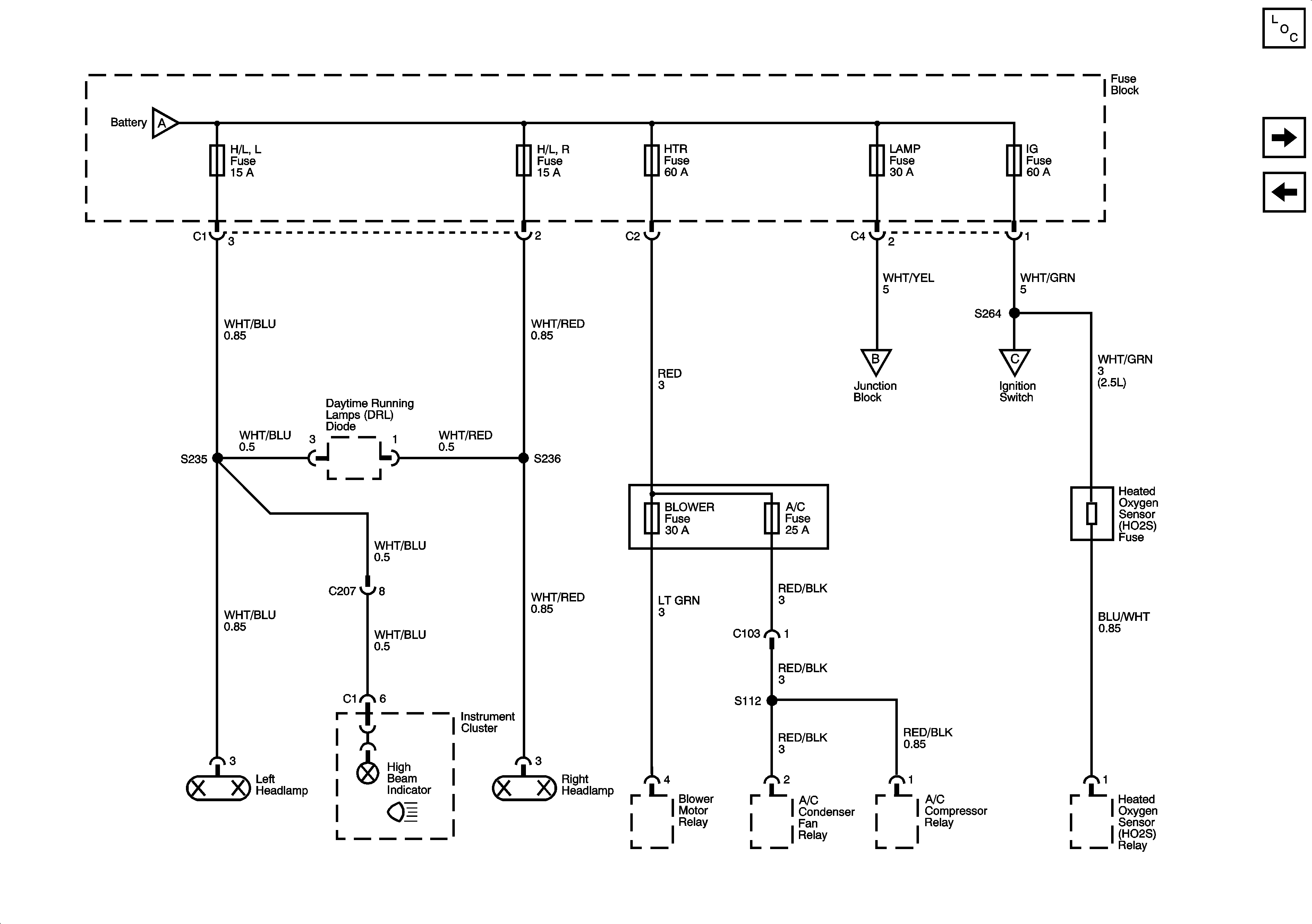
🢒 H/L, L, H/L, R, HTR, IG, LAMP Fuses
H/L, L, H/L, R, HTR, IG, LAMP Fuses
H/L, L, H/L, R, HTR, IG, LAMP Fuses
Master Electrical Component List
HAZ, D/L, TAIL, STOP, DOME Fuses
BATT, ABS, FI, ACC Fuses