GM Service Manual Online
For 1990-2009 cars only
Makes
🢒
Chevrolet
🢒
2003
🢒
Tracker - 2WD
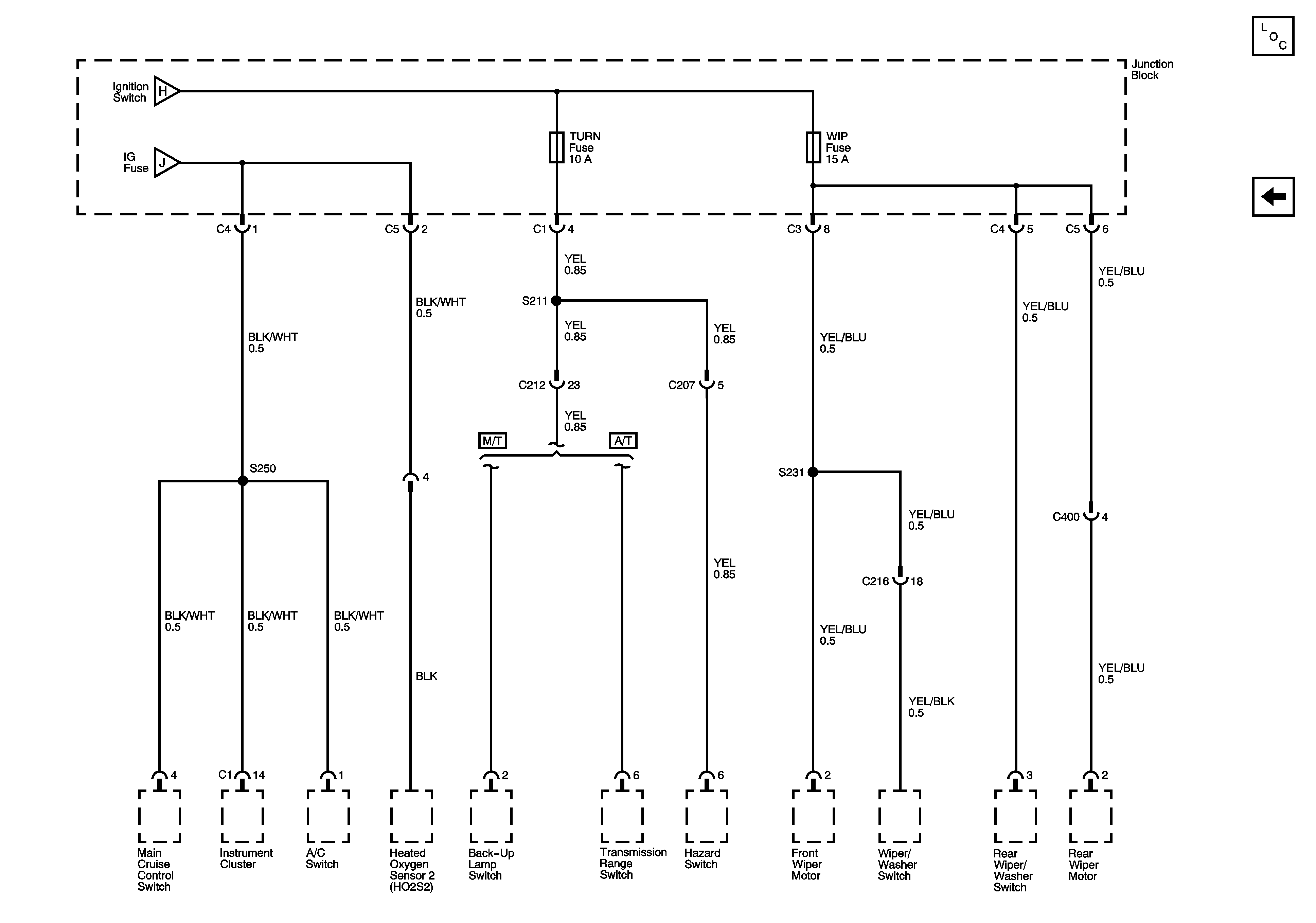
🢒 TURN, WIP Fuses
TURN, WIP Fuses
TURN, WIP Fuses
Master Electrical Component List
CIG, DEF, P/W Fuses