GM Service Manual Online
For 1990-2009 cars only
Makes
🢒
Chevrolet
🢒
2003
🢒
Tracker - 2WD
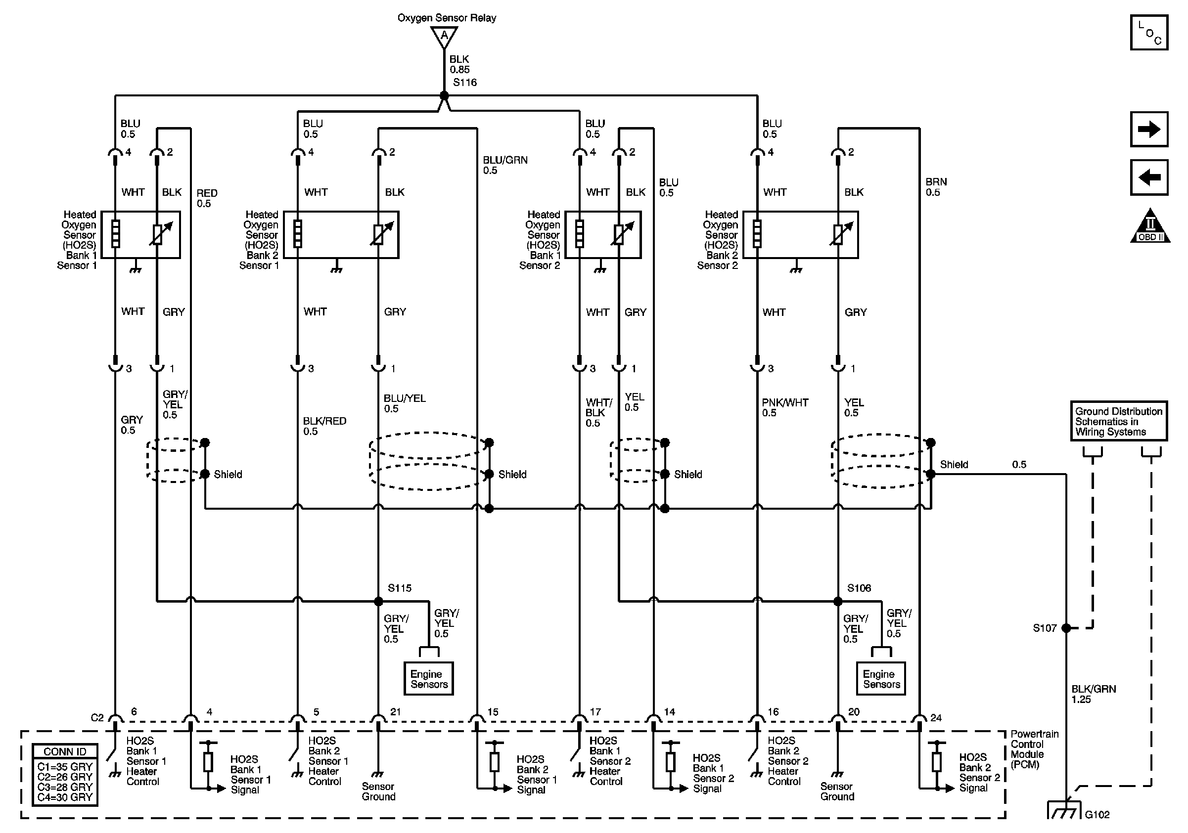
🢒 Heated Oxygen Sensors (HO2S)
Heated Oxygen Sensors (HO2S)
Heated Oxygen Sensors (HO2S)
Master Electrical Component List
Transmission Range Switch
Heated Oxygen Sensor (HO2S) Fuse and Relay
OBD II Symbol Description Notice
G100, G101, G102