GM Service Manual Online
For 1990-2009 cars only
Makes
🢒
Chevrolet
🢒
2003
🢒
Tracker - 2WD
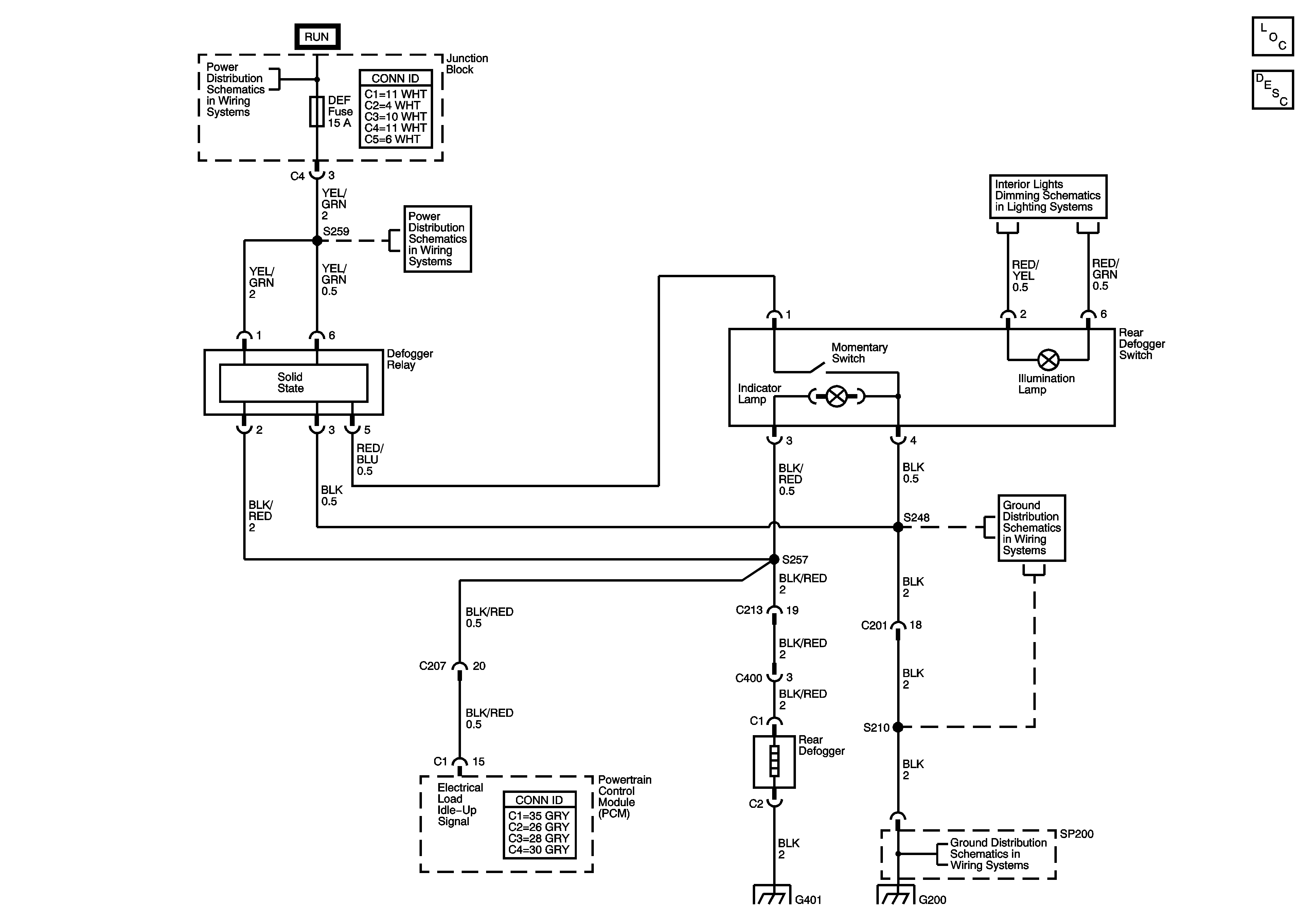
🢒 Defogger Schematic
Defogger Schematic
Master Electrical Component List
Rear Window Defogger Description and Operation
CIG, DEF, P/W Fuses
CIG, DEF, P/W Fuses
Instrument Panel Lamp Dimmer Control
G200
G200