GM Service Manual Online
For 1990-2009 cars only
Makes
🢒
Chevrolet
🢒
2003
🢒
Tracker - 2WD
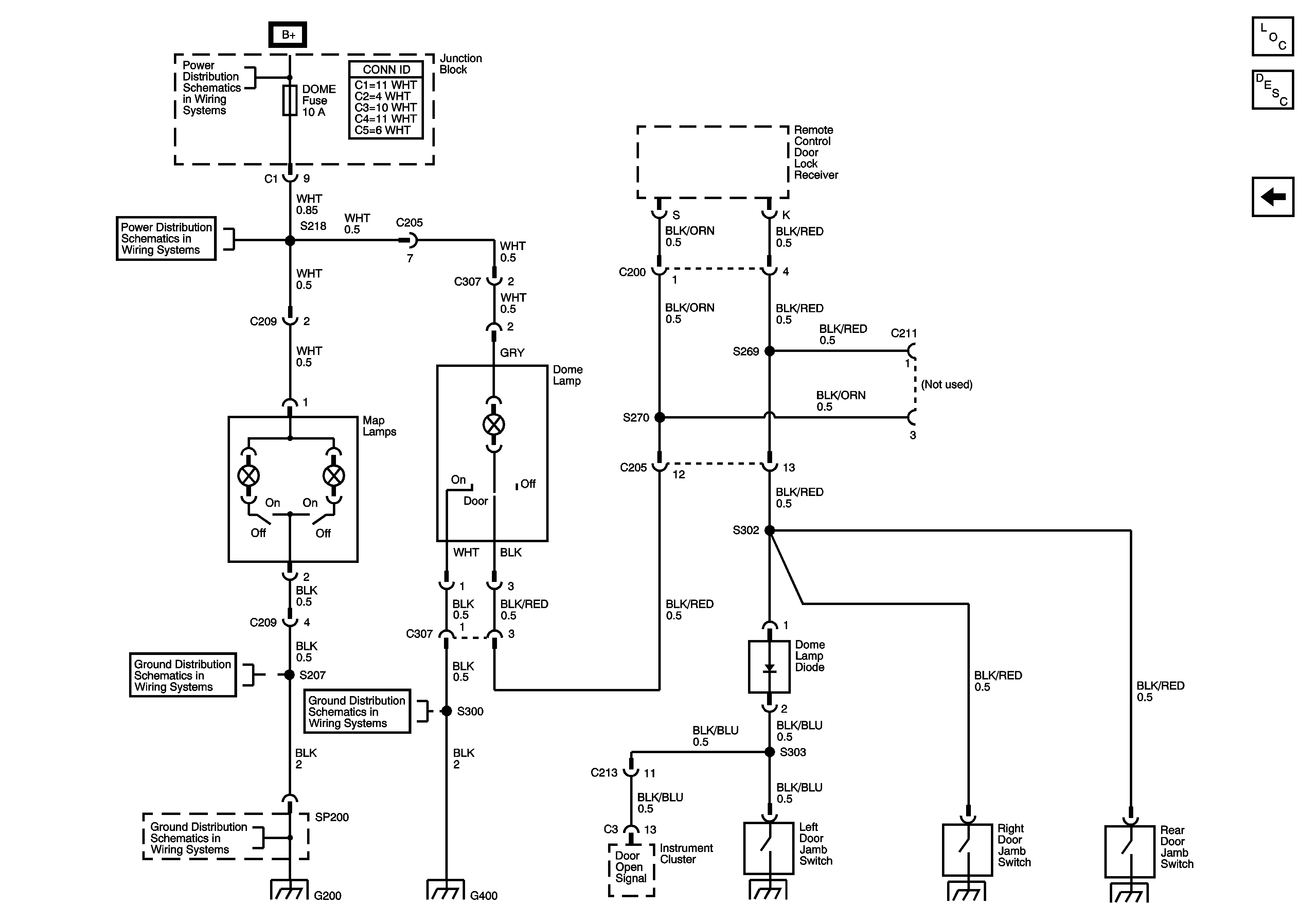
🢒 Dome Lamps, Map Lamps (2 Door)
Dome Lamps, Map Lamps (2 Door)
Dome Lamps, Map Lamps (2 Door)
Master Electrical Component List
Interior Lighting Systems Description and Operation
Dome Lamps, Map Lamps (4 Door)
HAZ, D/L, TAIL, STOP, DOME Fuses
G400 and G401
Multifunction Alarm Module, Seat Belt Signal, Door Open Signal
S207
G200