GM Service Manual Online
For 1990-2009 cars only
Makes
🢒
Chevrolet
🢒
2004
🢒
Tracker - 2WD
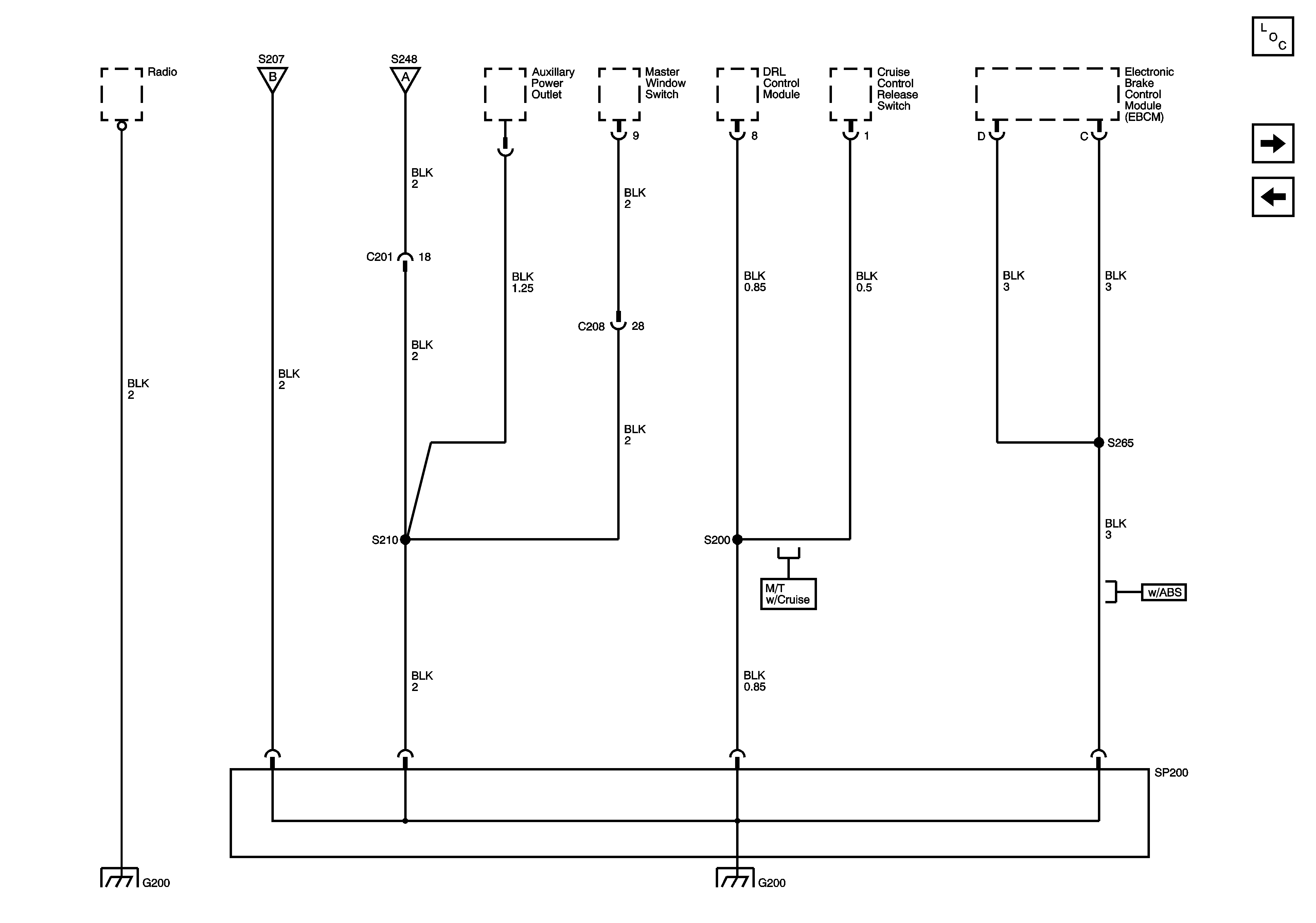
🢒 SP200 and G200
SP200 and G200
SP200 and G200
Master Electrical Component List
S248
G105