GM Service Manual Online
For 1990-2009 cars only
Makes
🢒
Chevrolet
🢒
2004
🢒
Tracker - 2WD
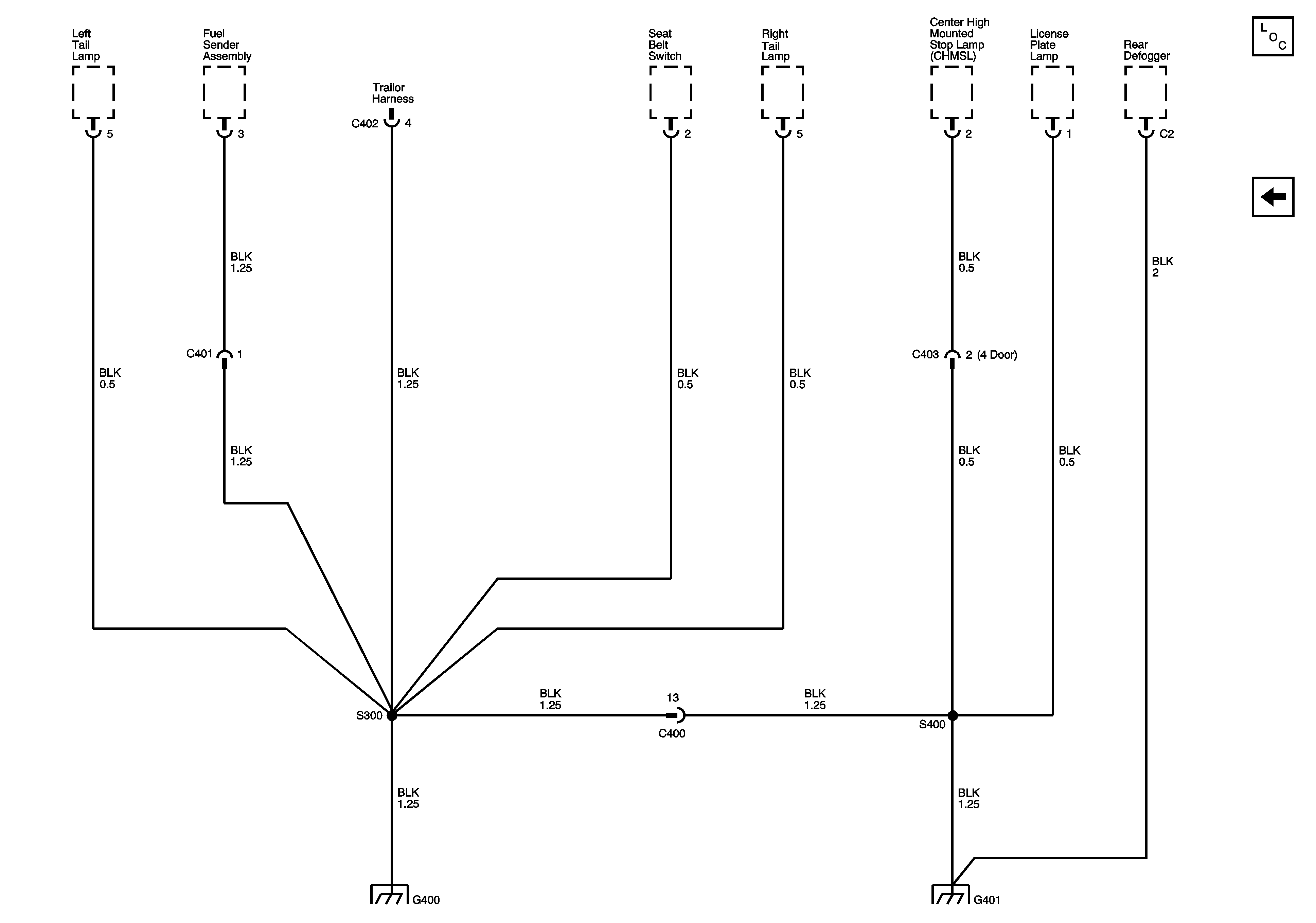
🢒 G400 and G401
G400 and G401
G400 and G401
Master Electrical Component List
G202