GM Service Manual Online
For 1990-2009 cars only
Makes
🢒
Chevrolet
🢒
2000
🢒
Tracker - 4WD
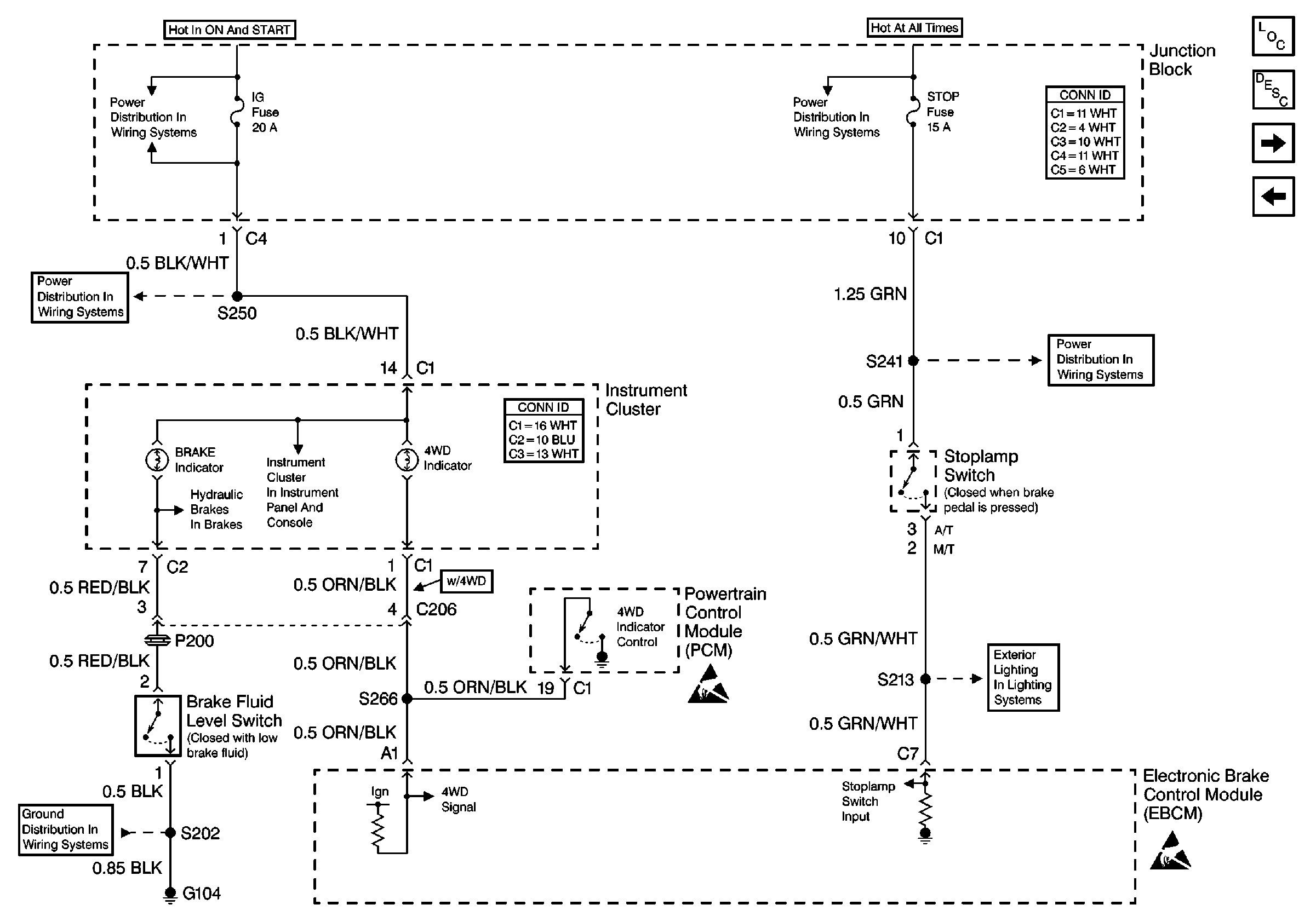
🢒 Brake Fluid Level Switch, Brake indicator, and Stoplamp Switch
Brake Fluid Level Switch, Brake indicator, and Stoplamp Switch
Brake Fluid Level Switch, Brake indicator, and Stoplamp Switch