GM Service Manual Online
For 1990-2009 cars only
Makes
🢒
Chevrolet
🢒
2000
🢒
Tracker - 4WD
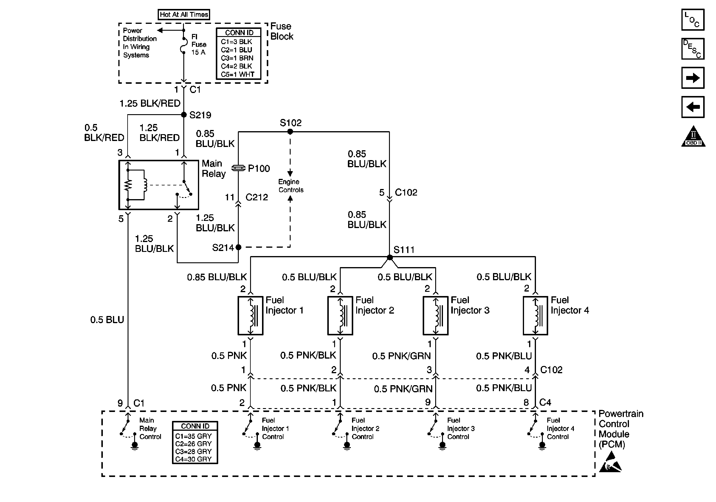
🢒 Fuel Injectors
Fuel Injectors
Fuel Injectors
Engine Controls Components
Engine Data Sensors
Fuel Supply System
Handling ESD Sensitive Parts Notice
Handling ESD Sensitive Parts Notice
BATT, ABS, FI and ACC Fuses