GM Service Manual Online
For 1990-2009 cars only
Makes
🢒
Chevrolet
🢒
2000
🢒
Tracker - 4WD
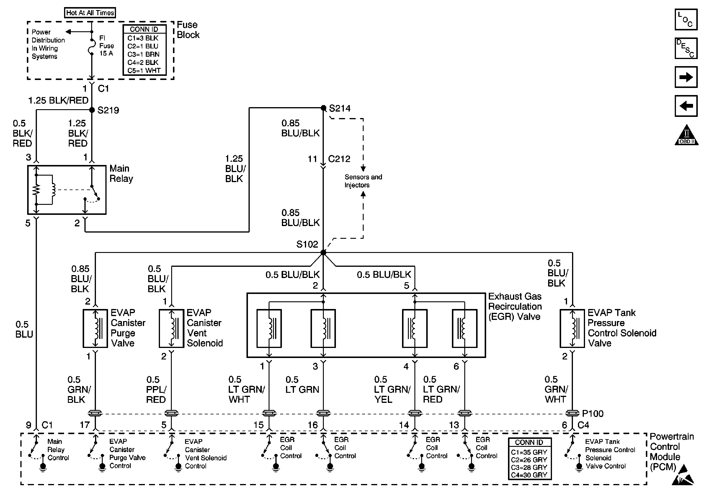
🢒 EGR Valve and EVAP Controls
EGR Valve and EVAP Controls
EGR Valve and EVAP Controls
Engine Controls Components
Four Wheel Drive Inputs/Outputs
IAC Valve, MAF Sensor and VSS
Handling ESD Sensitive Parts Notice
Handling ESD Sensitive Parts Notice
BATT, ABS, FI and ACC Fuses